自在经验网
首页
美食营养
生活百科
知识问答
生活知识
返回
自在经验网
首页
美食营养
游戏数码
手工爱好
生活知识
生活百科
健康养生
运动户外
职场理财
情感交际
母婴教育
时尚美容
知识问答
更多知识
搜索
安能PAS2920D数字式电容器保护测控装置使用说明书:[3]
2026-04-29 19:12:13
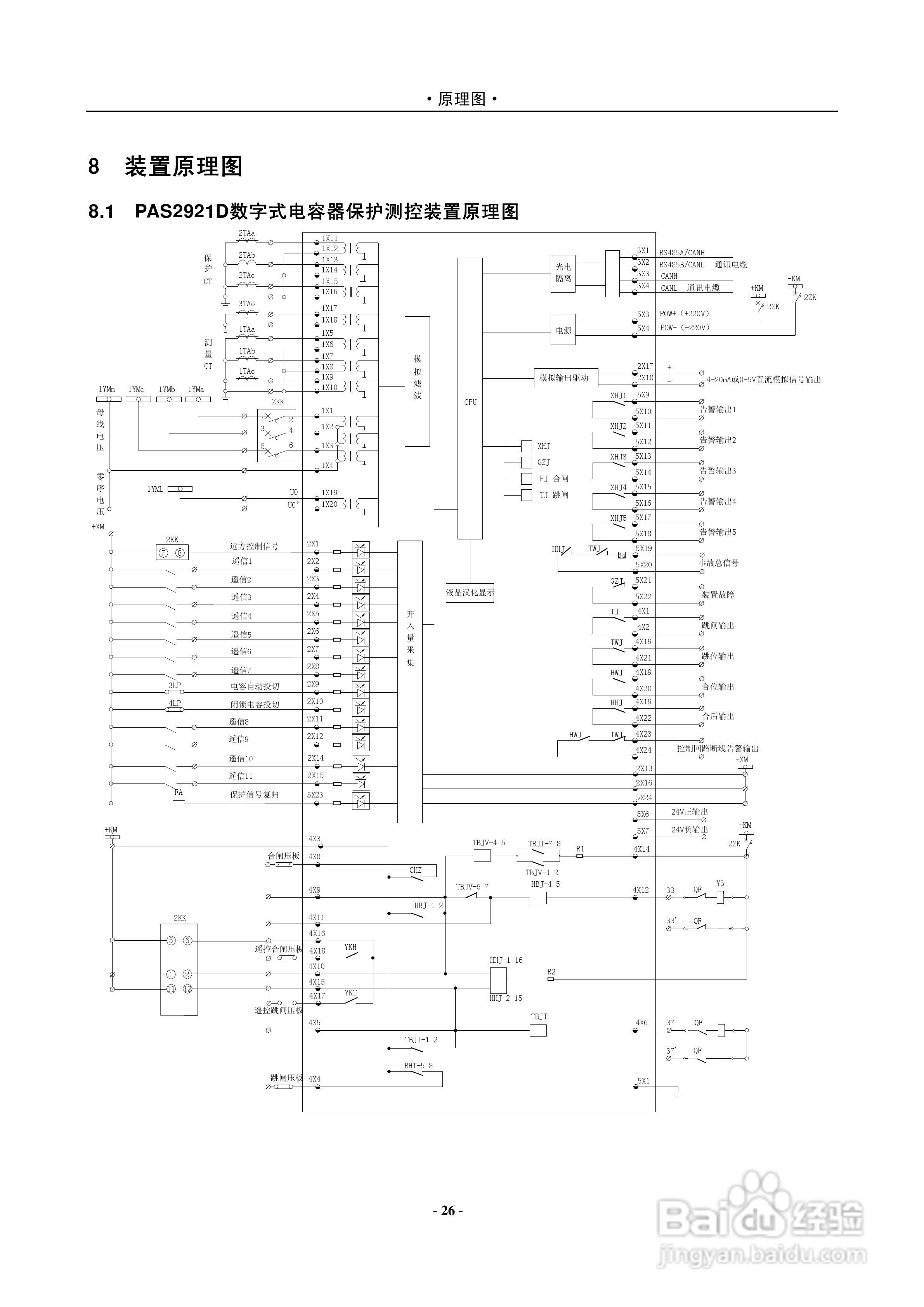
本篇为《安能PAS2920D数字式电容器保护测控装置使用说明书》,主要介绍该产品的使用方法以及常见故障解决方案。
(共篇)
上一篇:
相关推荐
安能PAS2920D数字式电容器保护测控装置使用说明书:[2]
阅读量:48
PAS2920D-B数字式电容器保护测控装置技术说明书:[3]
阅读量:93
PAS2920D-B数字式电容器保护测控装置技术说明书:[2]
阅读量:167
PAS2920D-B数字式电容器保护测控装置技术说明书:[4]
阅读量:119
PSC646数字式电容器保护装置使用说明书:[8]
阅读量:111
猜你喜欢
天蝎女和什么座最配
安慰的意思
俗不可耐什么意思
安之若素是什么意思
制作海报用什么软件
滚犊子是什么意思
什么是形而上
一个口一个女念什么
高中出国留学需要什么条件
ppm是什么意思
猜你喜欢
英雄联盟手游什么时候上线
mr是什么意思
有志者事竟成的意思
什么叫脱敏治疗
前列腺钙化是什么意思
本命年送什么
国泰民安的意思
沮丧的意思
capital是什么意思
桑椹子的功效与作用