自在经验网
首页
美食营养
生活百科
知识问答
生活知识
返回
自在经验网
首页
美食营养
游戏数码
手工爱好
生活知识
生活百科
健康养生
运动户外
职场理财
情感交际
母婴教育
时尚美容
知识问答
更多知识
搜索
PAS2920D-B数字式电容器保护测控装置技术说明书:[4]
2026-05-11 01:26:53
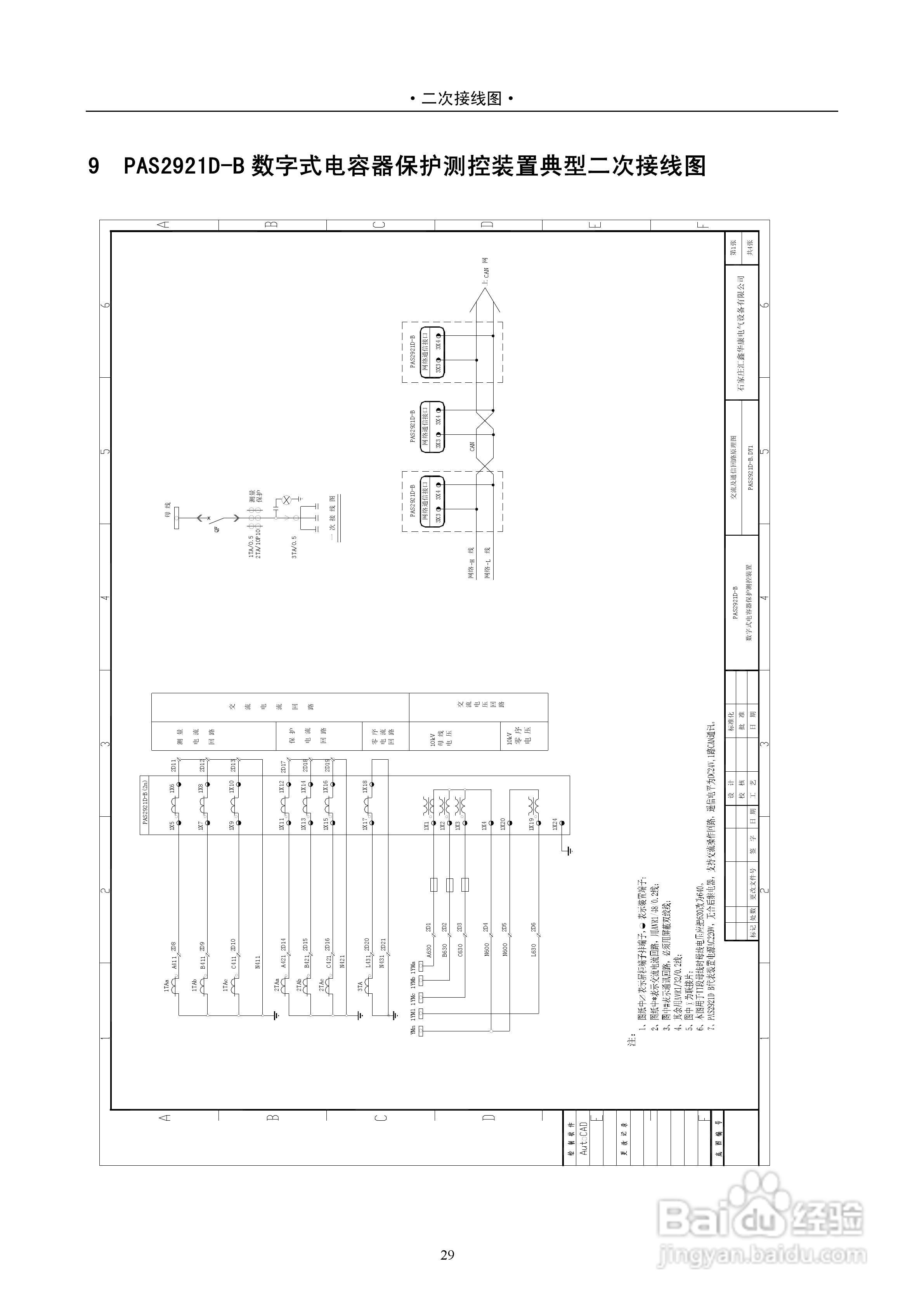
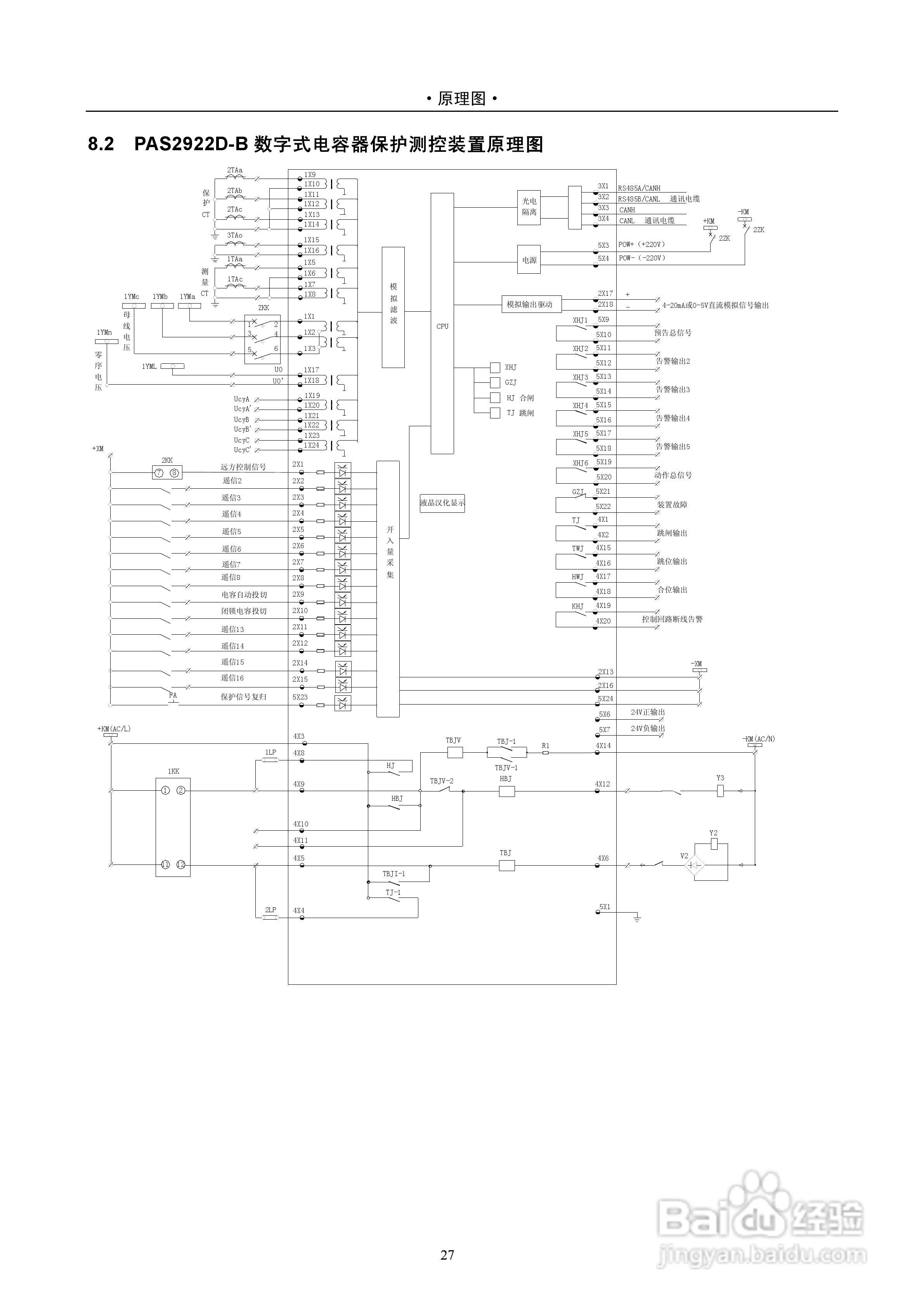
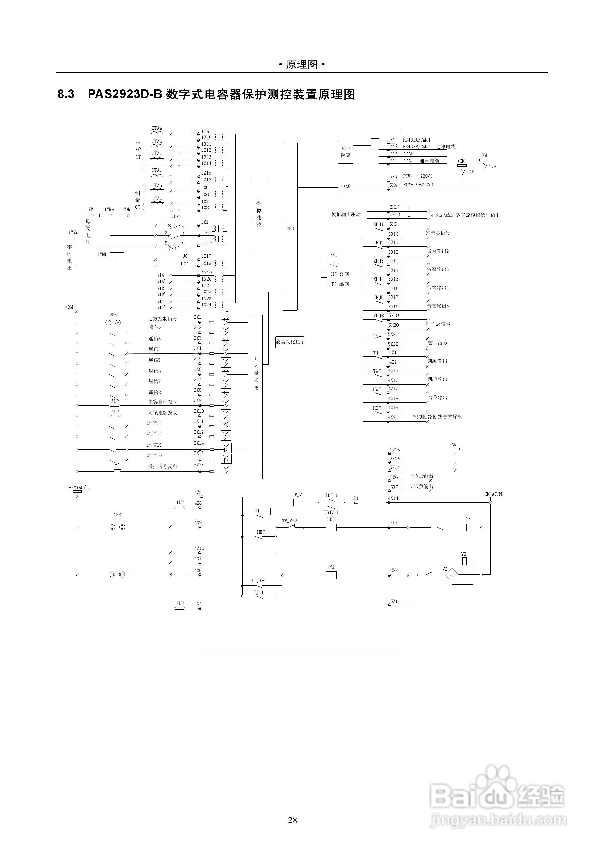
本篇为《PAS2920D-B数字式电容器保护测控装置技术说明书》,主要介绍该产品的使用方法以及常见故障解决方案。
(共篇)
上一篇:
相关推荐
PAS2920D-B数字式电容器保护测控装置技术说明书:[2]
阅读量:27
PAS2920D-B数字式电容器保护测控装置技术说明书:[3]
阅读量:174
安能PAS2920D数字式电容器保护测控装置使用说明书:[2]
阅读量:49
安能PAS2920D数字式电容器保护测控装置使用说明书:[3]
阅读量:103
安能PAS2920D数字式电容器保护测控装置使用说明书:[1]
阅读量:123
猜你喜欢
less是什么意思
限号是什么意思
处理器是什么
oto是什么意思
1968年是什么命
12月13日是什么纪念日
大学什么时候放暑假
印鉴是什么
昨天是什么日子
alpha是什么
猜你喜欢
6221开头是什么银行
显卡什么牌子好
苏维埃是什么意思
碧波荡漾是什么意思
什么是唐卡
crash是什么意思
四害是什么
结婚登记需要什么证件
2015年是什么命
套内面积是什么意思