自在经验网
首页
美食营养
生活百科
知识问答
生活知识
返回
自在经验网
首页
美食营养
游戏数码
手工爱好
生活知识
生活百科
健康养生
运动户外
职场理财
情感交际
母婴教育
时尚美容
知识问答
更多知识
搜索
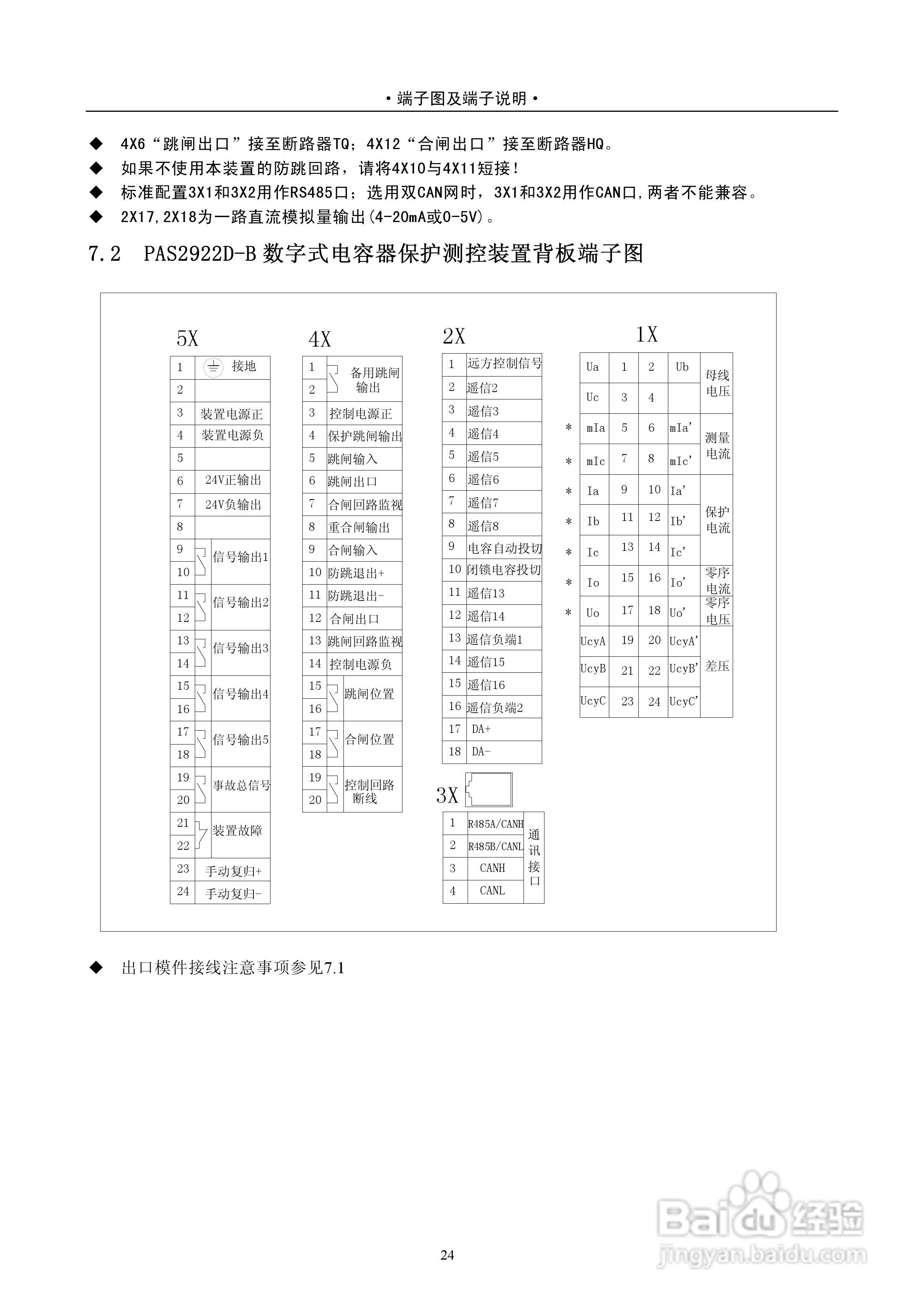
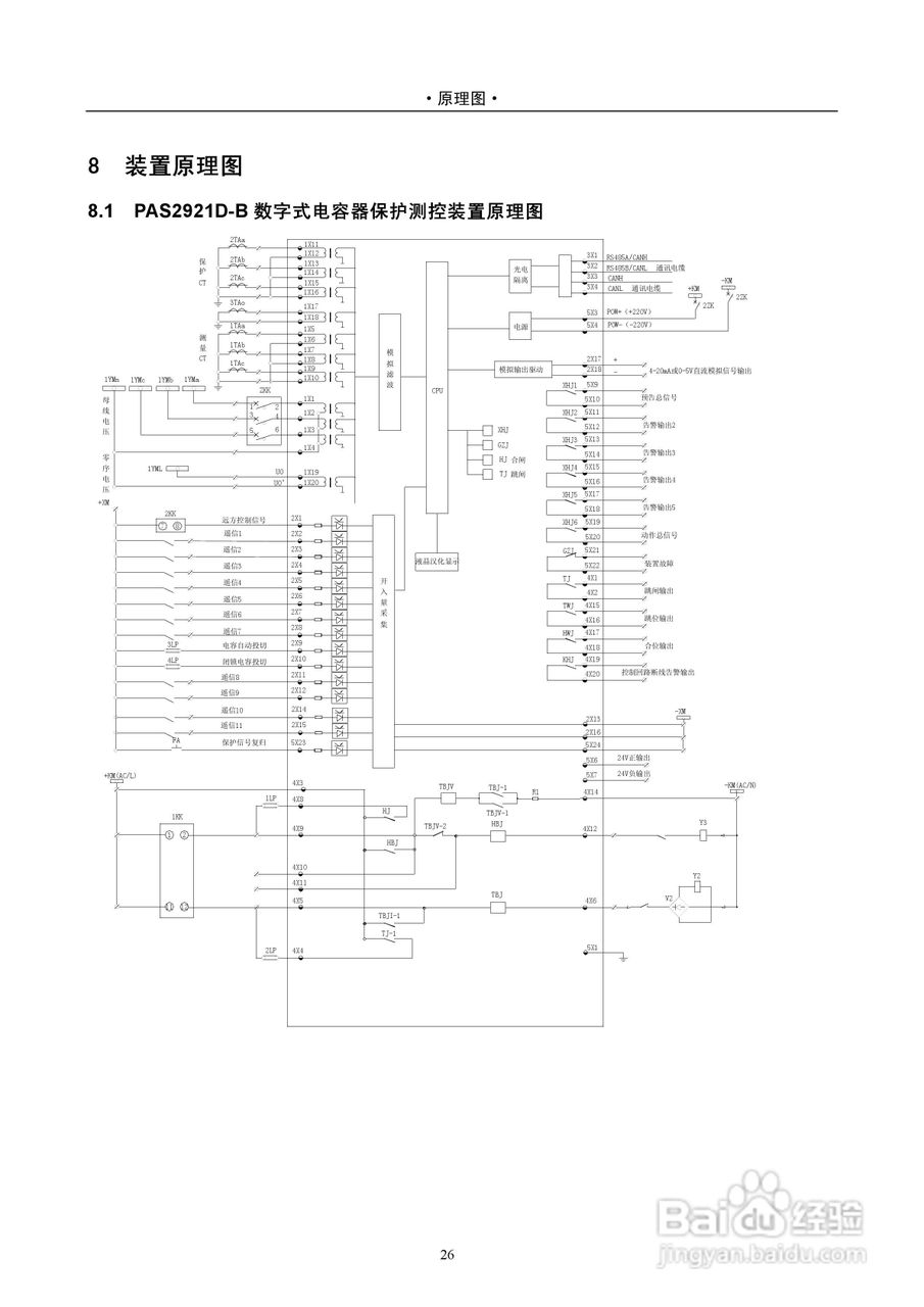
PAS2920D-B数字式电容器保护测控装置技术说明书:[3]
2026-05-11 00:34:05
本篇为《PAS2920D-B数字式电容器保护测控装置技术说明书》,主要介绍该产品的使用方法以及常见故障解决方案。
(共篇)
上一篇:
|
下一篇:
相关推荐
PAS2920D-B数字式电容器保护测控装置技术说明书:[2]
阅读量:130
安能PAS2920D数字式电容器保护测控装置使用说明书:[3]
阅读量:48
安能PAS2920D数字式电容器保护测控装置使用说明书:[2]
阅读量:145
安能PAS2920D数字式电容器保护测控装置使用说明书:[1]
阅读量:140
PSC646数字式电容器保护装置使用说明书:[8]
阅读量:92
猜你喜欢
factory是什么意思
霸气侧漏什么意思
中国是个什么样的国家
天道酬勤是什么意思
斡旋的意思
pictures是什么意思
妮子是什么意思
神气十足的意思
什么东西天气越热爬的越高
天高地阔的意思是什么
猜你喜欢
psd是什么意思
bod5是什么意思
zf是什么意思
筚路蓝缕的意思
工业4.0是什么意思
发福是什么意思
伊人是什么意思
共享航班是什么意思
小型犬养什么好
土地证有什么用