自在经验网
首页
美食营养
生活百科
知识问答
生活知识
返回
自在经验网
首页
美食营养
游戏数码
手工爱好
生活知识
生活百科
健康养生
运动户外
职场理财
情感交际
母婴教育
时尚美容
知识问答
更多知识
搜索
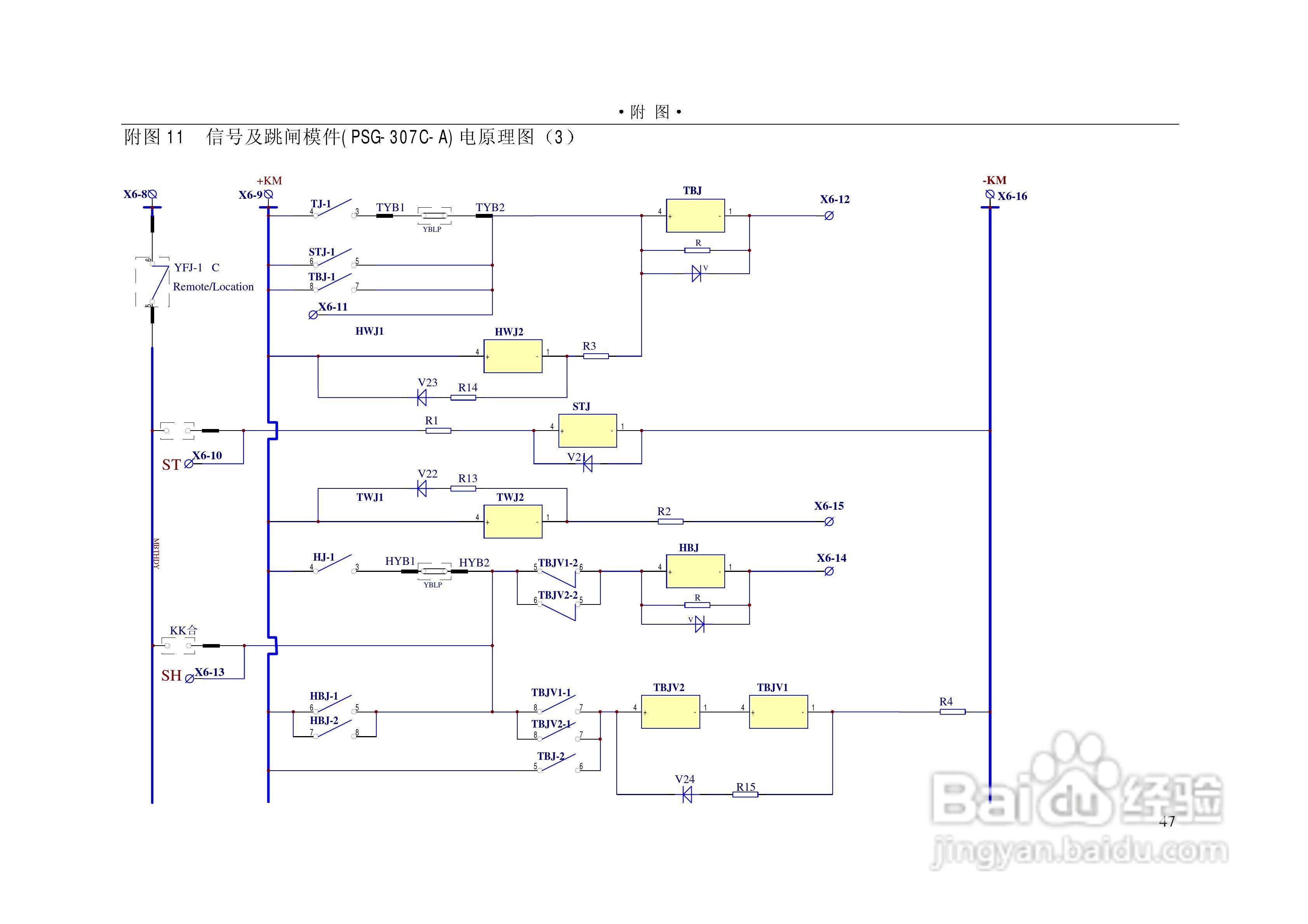
PSC646数字式电容器保护装置使用说明书:[8]
2026-04-29 19:12:19
本篇为《PSC646数字式电容器保护装置使用说明书》,主要介绍该产品的使用方法以及常见故障解决方案。
(共篇)
上一篇:
相关推荐
PSC646数字式电容器保护装置使用说明书:[6]
阅读量:143
PSC646数字式电容器保护装置使用说明书:[3]
阅读量:37
如何测试电容器
阅读量:130
使用说明书封面怎么做
阅读量:25
使用说明书wf2651使用指南
阅读量:164
猜你喜欢
贾平凹怎么读
怎么算排卵期
奥利司他胶囊减肥效果怎么样
头发硬怎么变软
你明白吗用英语怎么说
皮肤晒伤怎么办
沙宣洗发水怎么样
期颐怎么读
阴道松弛怎么办
螃蟹怎么做好吃
猜你喜欢
老鼠怎么画
怎么治疗早泄
隐形眼镜基弧怎么选
word怎么转pdf
怎么给视频配音
qq邮箱怎么写
阳痿怎么治疗
臭豆腐怎么做
增长率怎么算
腊排骨怎么做好吃