自在经验网
首页
美食营养
游戏数码
知识问答
生活知识
返回
自在经验网
首页
美食营养
游戏数码
手工爱好
生活知识
健康养生
运动户外
职场理财
情感交际
母婴教育
时尚美容
知识问答
搜索
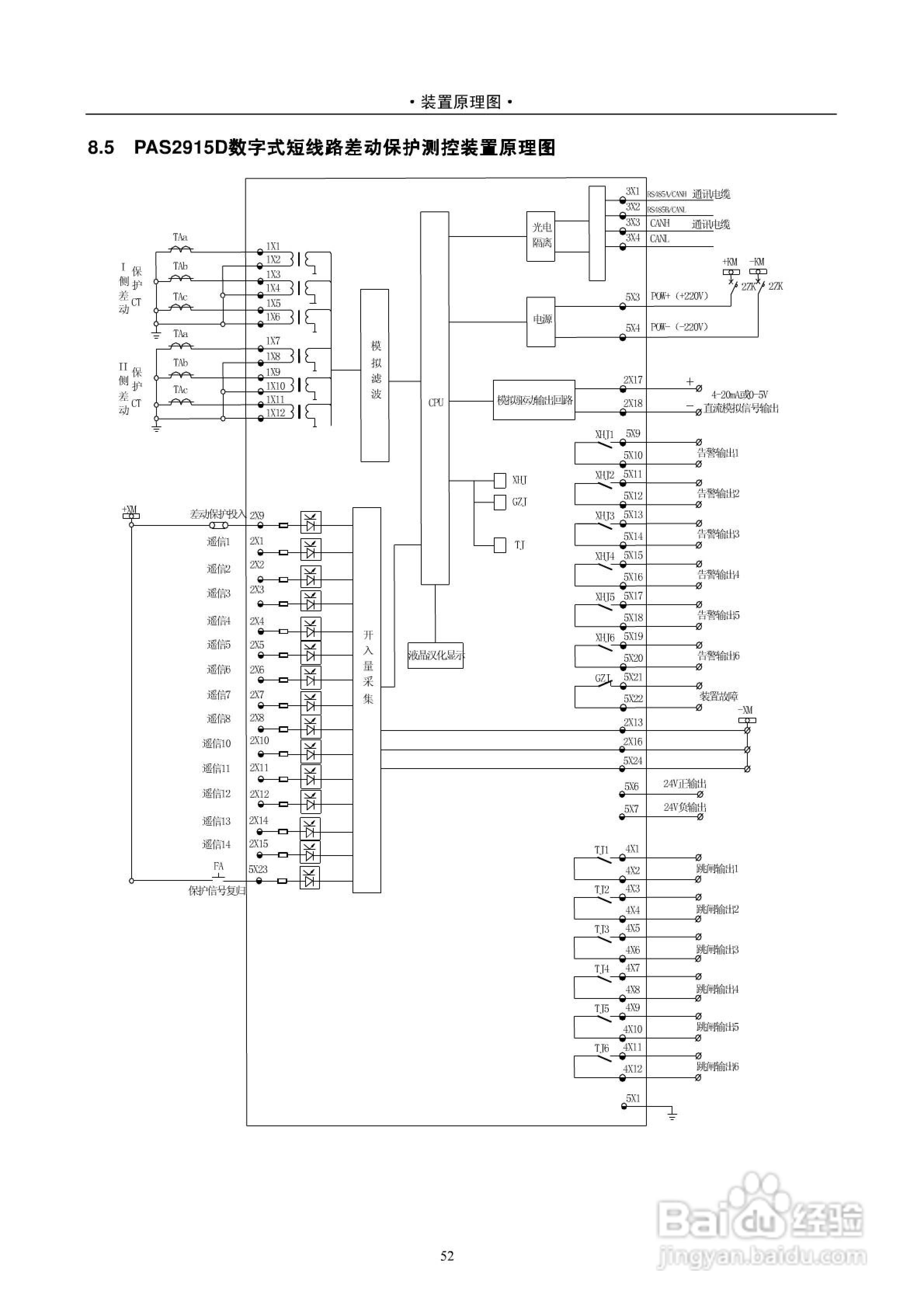
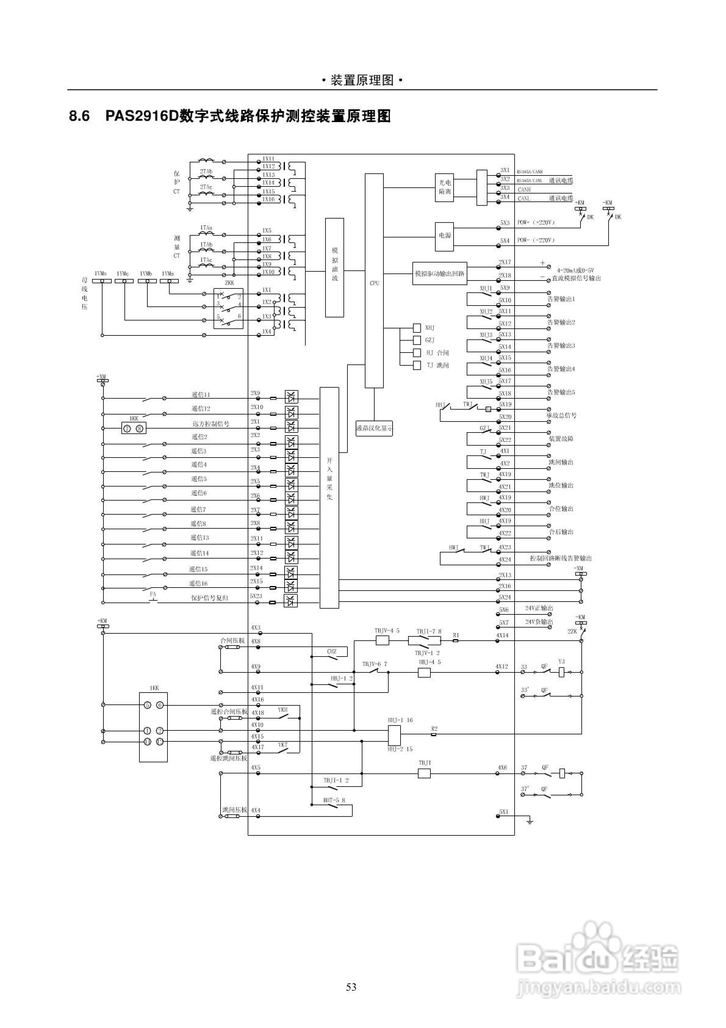
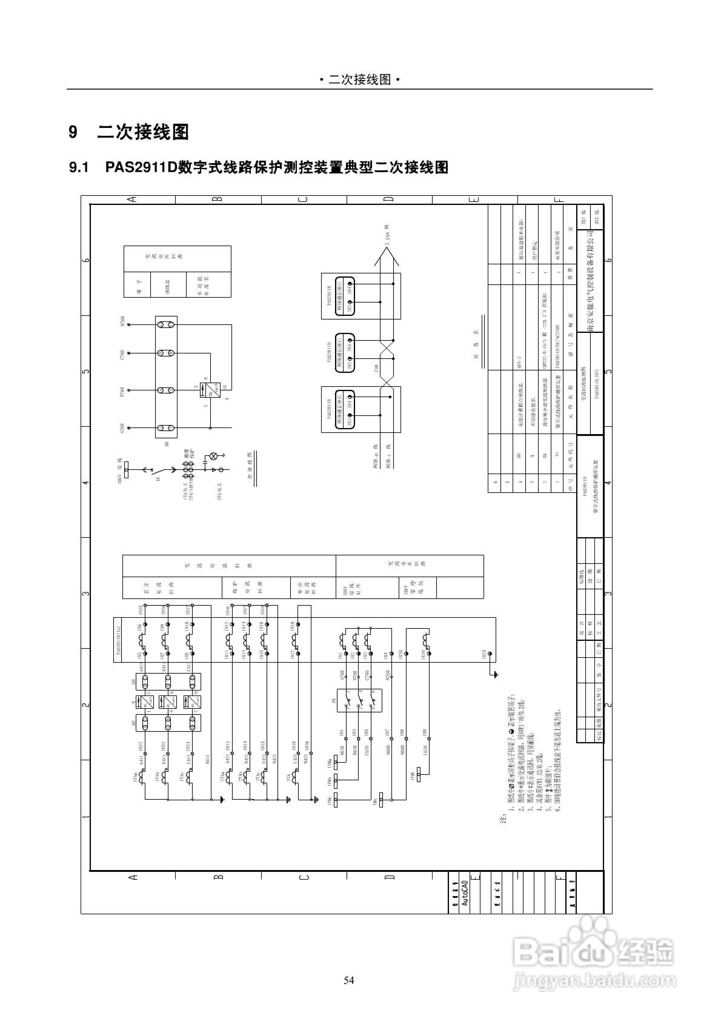
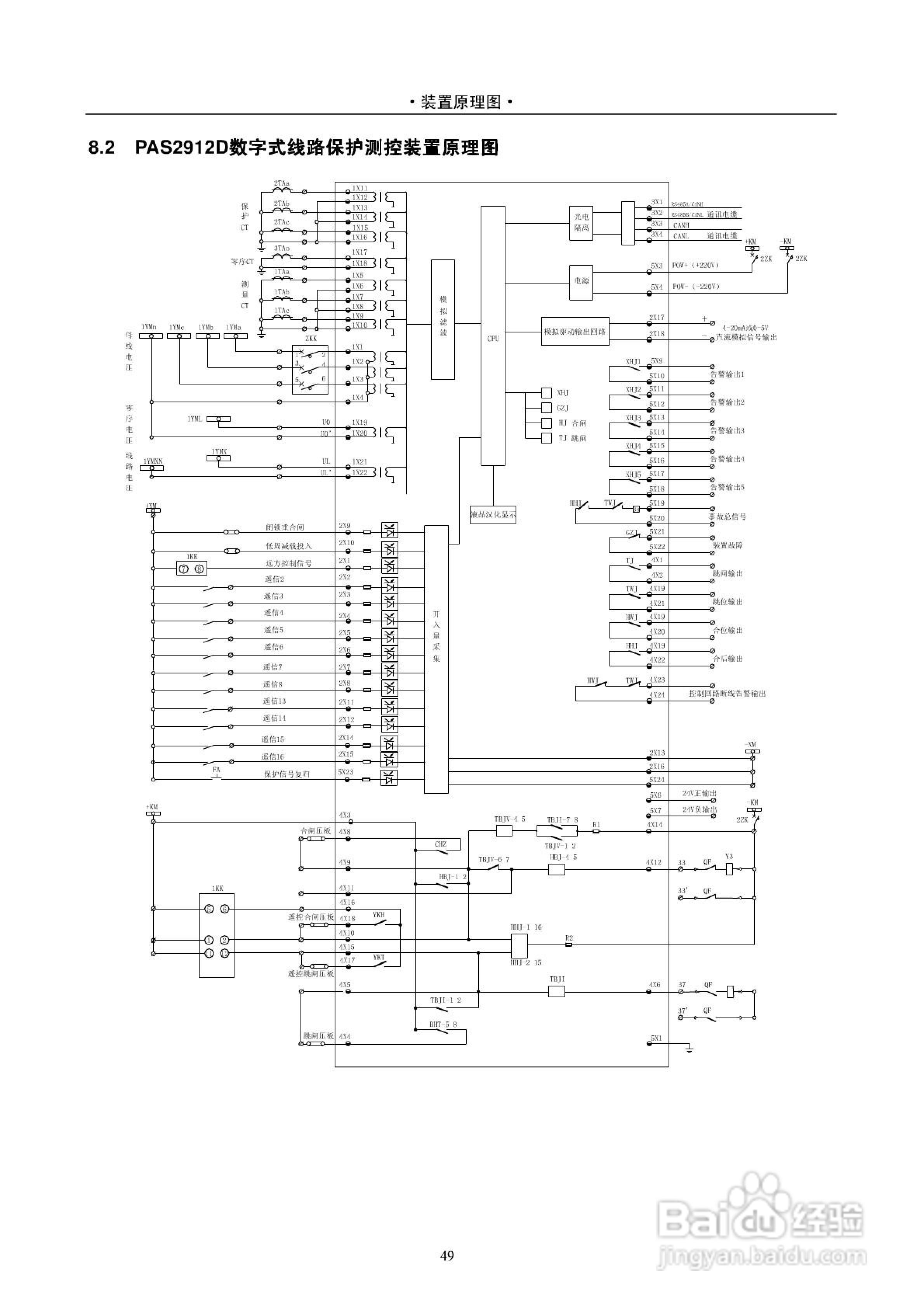
安能PAS2916D数字式线路保护测控装置技术说明书:[6]
2026-02-19 06:55:10
本篇为《安能PAS2916D数字式线路保护测控装置技术说明书》,主要介绍该产品的使用方法以及常见故障解决方案。
(共篇)
上一篇:
|
下一篇:
相关推荐
安能PAS2916D数字式线路保护测控装置技术说明书:[4]
阅读量:81
安能PAS2920D数字式电容器保护测控装置使用说明书:[3]
阅读量:186
安能PAS2916D数字式线路保护测控装置技术说明书:[1]
阅读量:52
安能PAS2916D数字式线路保护测控装置技术说明书:[5]
阅读量:37
安能PAS2916D数字式线路保护测控装置技术说明书:[7]
阅读量:98
猜你喜欢
醋吃多了有什么坏处
定增是什么意思
many是什么意思
精华霜什么时候用
做梦生孩子是什么意思
苹果12什么时候出
什么叫erp
神秘莫测的意思
电动轮椅什么牌子好
不忍卒读的意思
猜你喜欢
牛郎星是属于什么星座
什么季节怀孕最好
喜出望外是什么意思
黄大年什么病
随波逐流的意思
键盘锁定按什么键解锁
train是什么意思
tomorrow是什么意思
地域黑是什么意思
斑斑驳驳的意思