自在经验网
首页
美食营养
生活百科
知识问答
生活知识
返回
自在经验网
首页
美食营养
游戏数码
手工爱好
生活知识
生活百科
健康养生
运动户外
职场理财
情感交际
母婴教育
时尚美容
知识问答
更多知识
搜索
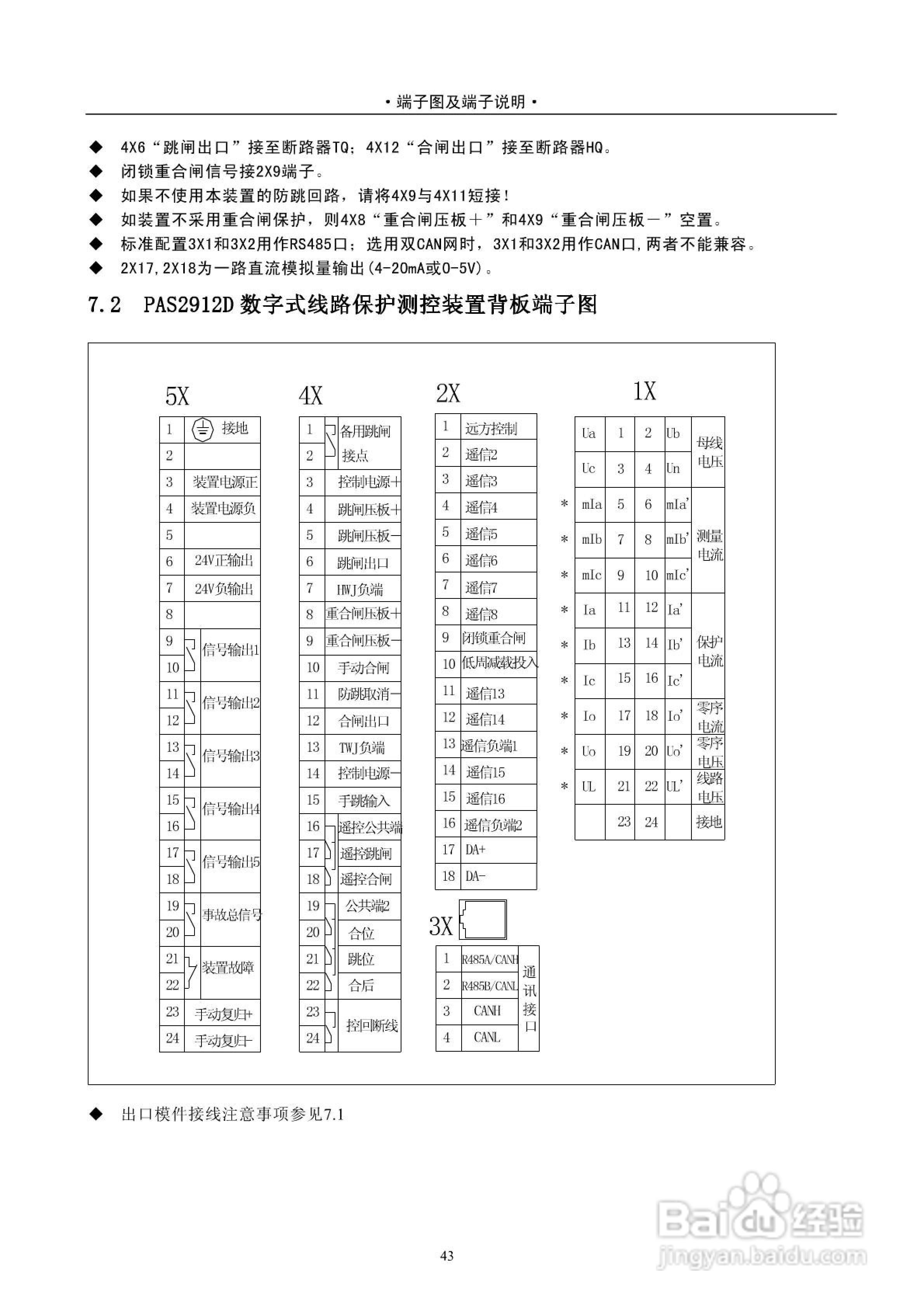
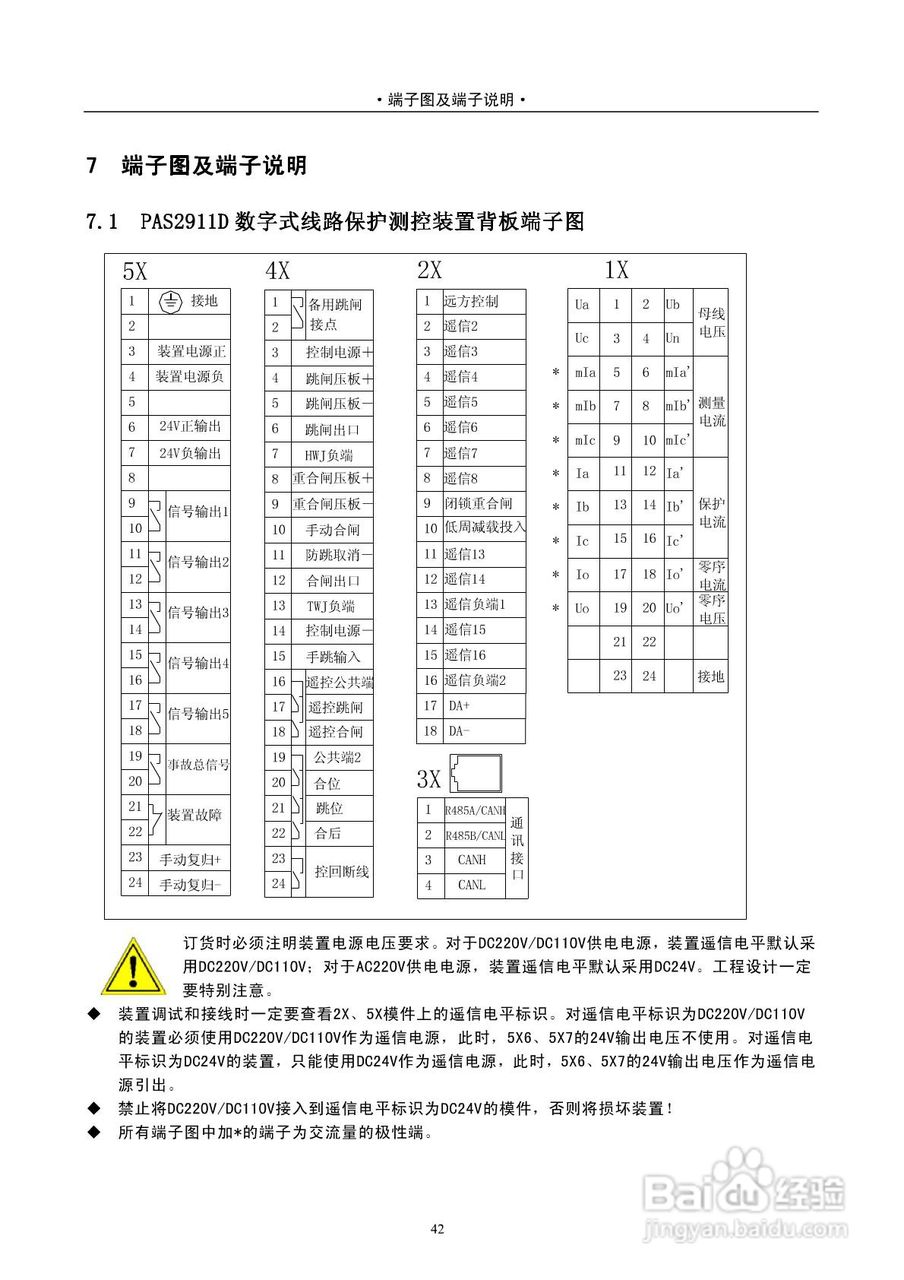
安能PAS2916D数字式线路保护测控装置技术说明书:[5]
2026-05-10 23:43:13
本篇为《安能PAS2916D数字式线路保护测控装置技术说明书》,主要介绍该产品的使用方法以及常见故障解决方案。
(共篇)
上一篇:
|
下一篇:
相关推荐
安能PAS2916D数字式线路保护测控装置技术说明书:[4]
阅读量:178
安能PAS2920D数字式电容器保护测控装置使用说明书:[3]
阅读量:150
安能PAS2916D数字式线路保护测控装置技术说明书:[7]
阅读量:36
安能PAS2916D数字式线路保护测控装置技术说明书:[3]
阅读量:109
安能PAS2916D数字式线路保护测控装置技术说明书:[1]
阅读量:189
猜你喜欢
二甲双胍的作用和功效
匹克运动鞋
葛根的作用与功效
lpl什么意思
mid什么意思
什么叫物流
玉米油的功效与作用
芹菜的功效与作用禁忌
玻尿酸作用
薏米的作用与功效
猜你喜欢
电蚊拍什么牌子好
蜜蜂的知识
gf什么意思
透骨草的功效与作用
亚洲运动会
习主席什么时候上任
什么是电汇
无什么可什么
蓝芩口服液的作用及功效
on the way什么意思