自在经验网
首页
美食营养
生活百科
知识问答
生活知识
返回
自在经验网
首页
美食营养
游戏数码
手工爱好
生活知识
生活百科
健康养生
运动户外
职场理财
情感交际
母婴教育
时尚美容
知识问答
更多知识
搜索
昌晖SWP-LK流量积算控制仪说明书:[2]
2026-04-22 11:42:37
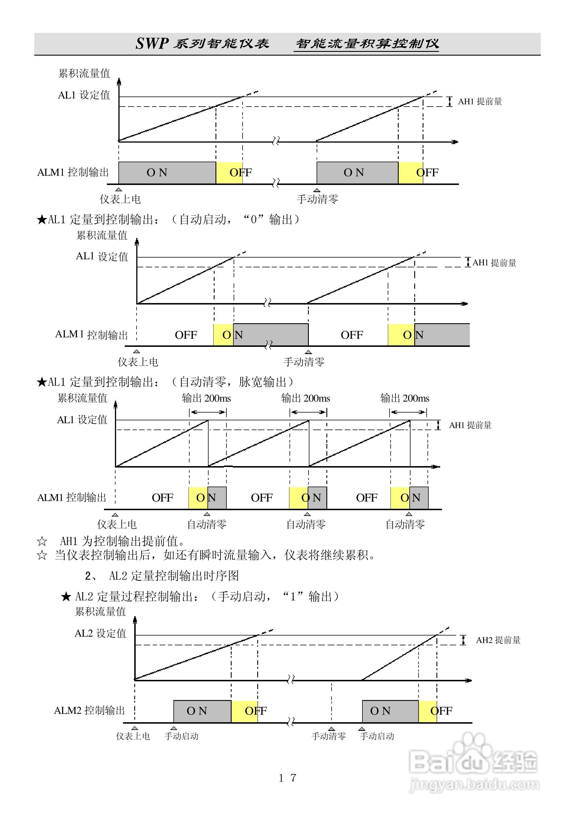
本篇为《昌晖SWP-LK流量积算控制仪说明书》,主要介绍该产品的使用方法以及常见故障解决方案。
(共篇)
上一篇:
|
下一篇:
相关推荐
昌晖CF-LK智能流量积算控制仪说明书:[2]
阅读量:192
昌晖SWP-LE流量积算仪说明书:[6]
阅读量:80
昌晖CF-LK智能流量积算控制仪说明书:[5]
阅读量:99
昌晖CF-LK智能流量积算控制仪说明书:[6]
阅读量:124
昌晖SWP-LCD-LTR智能防盗天然气流量积算控制仪说明书:[2]
阅读量:148
猜你喜欢
frm是什么
外阴痒有小疙瘩是什么病
鳗鱼养殖
什么是单向好友
活塞运动
酒酿蛋什么时候吃最好
tina是什么意思
什么是加息
矩形是什么
维生素e涂脸正确用法
猜你喜欢
communicate是什么意思
什么是创业板
cos2x等于什么
蜂疗能治什么病
一劳永逸是什么意思
ips屏幕是什么意思
什么是封建社会
玫瑰花语每朵代表什么
独特的近义词是什么
lift是什么意思