自在经验网
首页
美食营养
生活百科
知识问答
生活知识
返回
自在经验网
首页
美食营养
游戏数码
手工爱好
生活知识
生活百科
健康养生
运动户外
职场理财
情感交际
母婴教育
时尚美容
知识问答
更多知识
搜索
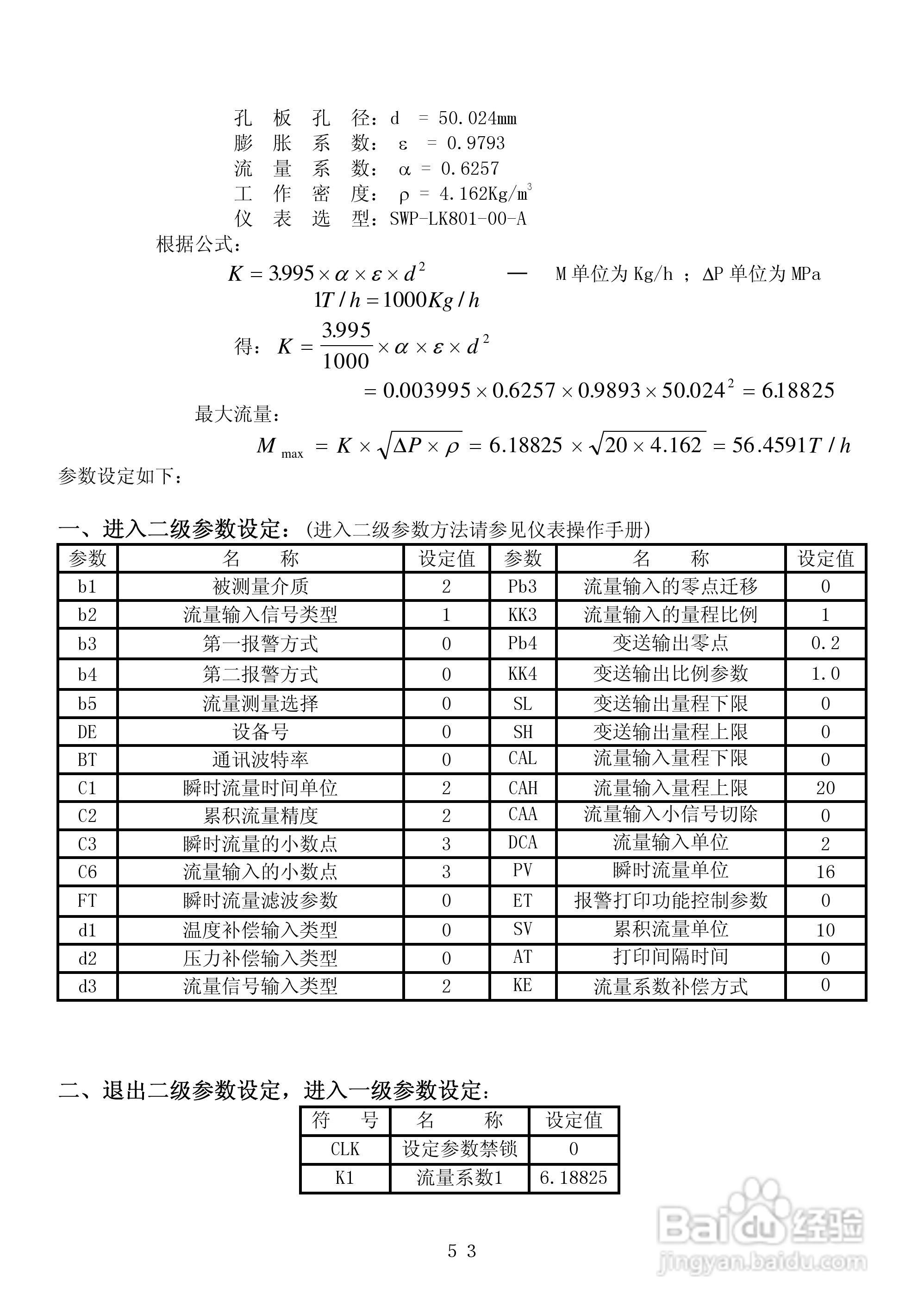
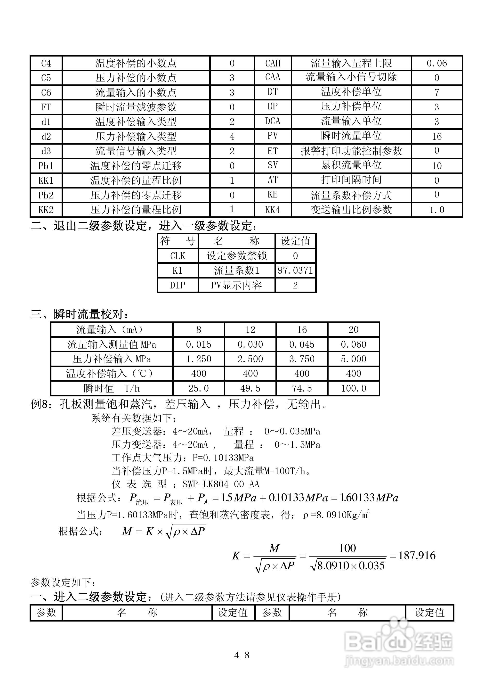
昌晖CF-LK智能流量积算控制仪说明书:[6]
2026-02-15 21:12:42
本篇为《昌晖CF-LK智能流量积算控制仪说明书》,主要介绍该产品的使用方法以及常见故障解决方案。
(共篇)
上一篇:
相关推荐
昌晖CF-LK智能流量积算控制仪说明书:[3]
阅读量:140
昌晖CF-LK智能流量积算控制仪说明书:[1]
阅读量:79
昌晖SWP-LE流量积算仪说明书:[6]
阅读量:48
昌晖SWP-LE流量积算仪说明书:[5]
阅读量:30
昌晖SWP-LE流量积算仪说明书:[4]
阅读量:137
猜你喜欢
电脑微信怎么看朋友圈
森林人怎么样
垂盆草哪里有卖
如何在家赚钱
哪里可以做亲子鉴定
朋友圈说说
eps怎么打开
水土不服长痘怎么办
春节去哪里旅游比较好
李世民是哪里人
猜你喜欢
陆金所怎么样
规费怎么计算
怎么网上创业
怎么用q币充话费
人民币符号怎么写
小米路由器3怎么样
电脑如何恢复出厂设置
图片如何转换成pdf
哈弗h6发动机怎么样
凭证式国债怎么买