自在经验网
首页
美食营养
生活百科
知识问答
生活知识
返回
自在经验网
首页
美食营养
游戏数码
手工爱好
生活知识
生活百科
健康养生
运动户外
职场理财
情感交际
母婴教育
时尚美容
知识问答
更多知识
搜索
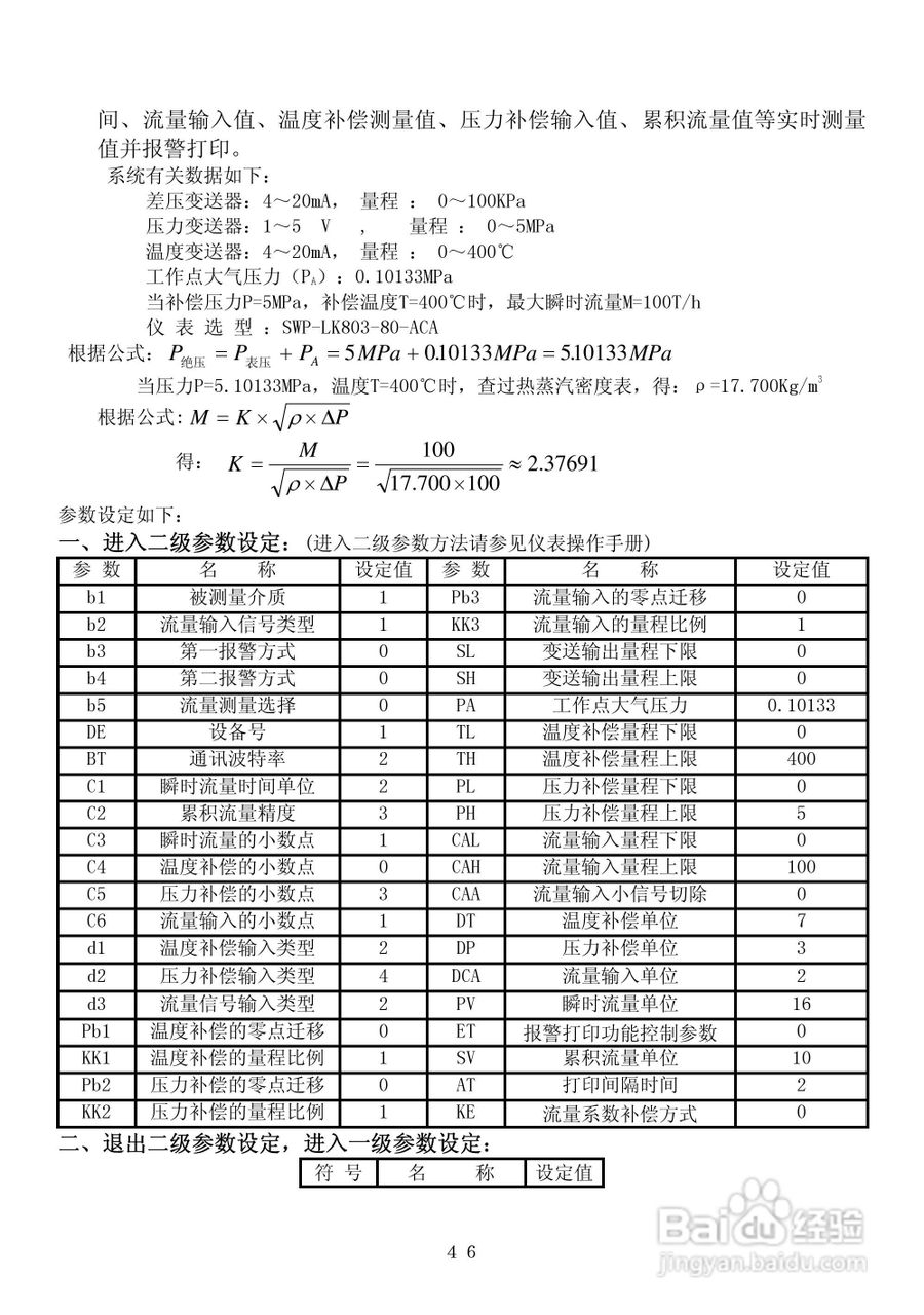
昌晖CF-LK智能流量积算控制仪说明书:[5]
2026-02-15 21:12:49
本篇为《昌晖CF-LK智能流量积算控制仪说明书》,主要介绍该产品的使用方法以及常见故障解决方案。
(共篇)
上一篇:
|
下一篇:
相关推荐
昌晖CF-LK智能流量积算控制仪说明书:[3]
阅读量:189
昌晖SWP-LE流量积算仪说明书:[5]
阅读量:144
昌晖SWP-LE流量积算仪说明书:[6]
阅读量:43
昌晖SWP-LE流量积算仪说明书:[4]
阅读量:119
昌晖SWP-LCD-LTR智能防盗天然气流量积算控制仪说明书:[1]
阅读量:134
猜你喜欢
ps怎么导入笔刷
小孩久咳不愈怎么办
结膜炎怎么办
性冷淡怎么回事
骨架大的人怎么减肥
主营业务成本怎么算
痛经怎么治疗
手脚麻木怎么办
钻戒怎么选
我的世界鱼怎么养
猜你喜欢
辣子鸡丁怎么做
口干舌燥怎么办
胃里反酸水怎么办
小便有异味是怎么回事
末影之眼怎么做
电脑怎么扫描二维码
男人小便有泡沫是怎么回事
被仓鼠咬出血怎么办
早早孕试纸怎么用
晚上好日语怎么说