自在经验网
首页
美食营养
生活百科
知识问答
生活知识
返回
自在经验网
首页
美食营养
游戏数码
手工爱好
生活知识
生活百科
健康养生
运动户外
职场理财
情感交际
母婴教育
时尚美容
知识问答
更多知识
搜索
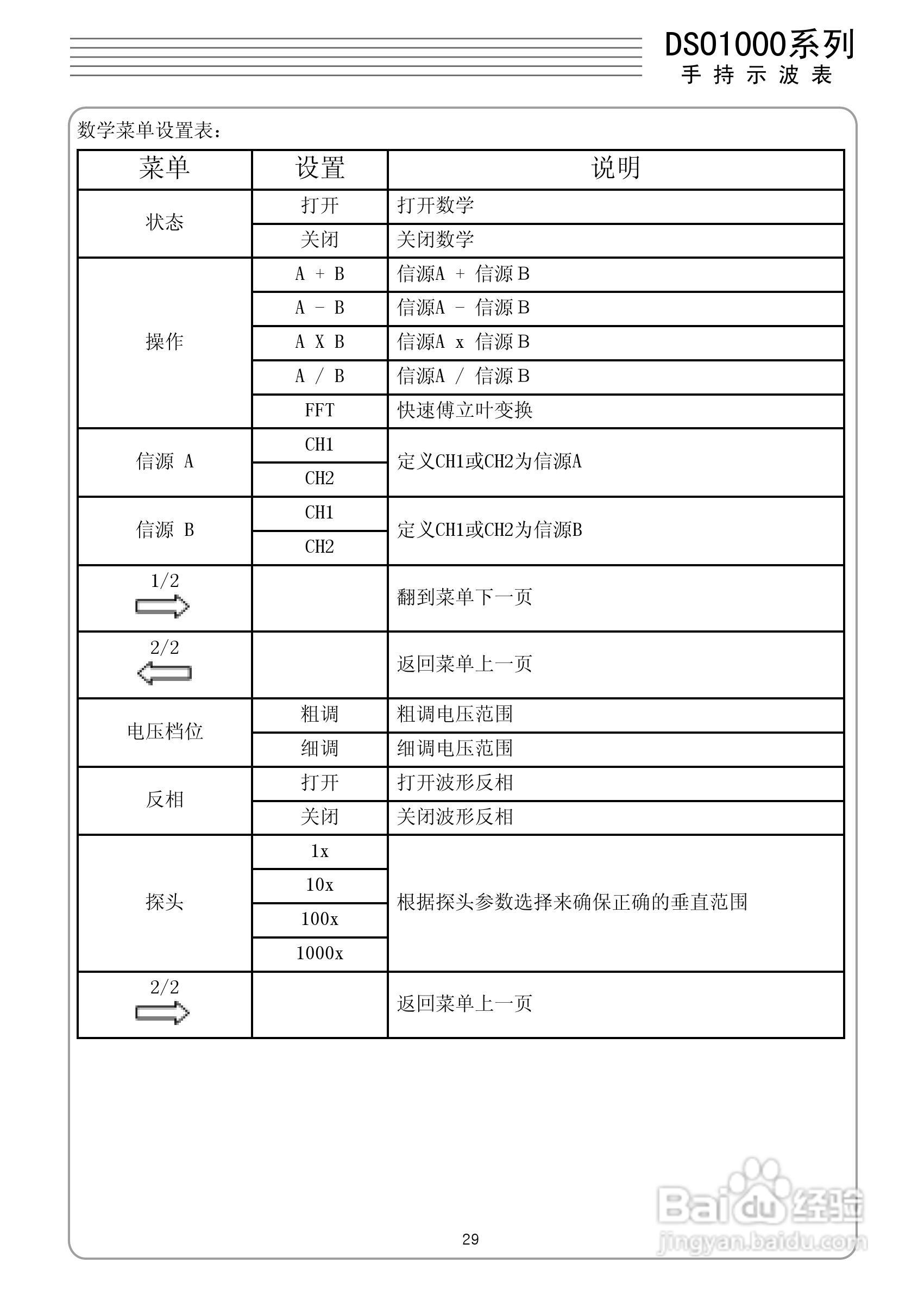
DSO1060手持示波表/数字存储示波器/万用表:[4]
2026-02-18 12:54:25
本篇为《DSO1060手持示波表/数字存储示波器/万用表》,主要介绍该产品的使用方法以及常见故障解决方案。
(共篇)
上一篇:
|
下一篇:
相关推荐
DSO1060手持示波表/数字存储示波器/万用表:[10]
阅读量:41
DSO1060手持示波表/数字存储示波器/万用表:[6]
阅读量:160
DSO1050型手持示波表/数字存储示波器/万用表使用说明:[4]
阅读量:141
DSO1050型手持示波表/数字存储示波器/万用表使用说明:[1]
阅读量:171
DSO1050型手持示波表/数字存储示波器/万用表使用说明:[2]
阅读量:25
猜你喜欢
审车需要带什么资料
give是什么意思
ctc是什么意思
12月17日是什么星座
什么头什么气
公馆是什么意思
伏特加兑什么好喝
awsl什么意思
抖m是什么意思
password什么意思
猜你喜欢
也字少一竖念什么
爱出汗是什么原因
19朵玫瑰代表什么意思
纳差是什么症状
116114是什么电话
雁门关是在什么地方啊
什么是常数
飞机选座位什么位置好
安床是什么意思
it是什么