自在经验网
首页
美食营养
生活百科
知识问答
生活知识
返回
自在经验网
首页
美食营养
游戏数码
手工爱好
生活知识
生活百科
健康养生
运动户外
职场理财
情感交际
母婴教育
时尚美容
知识问答
更多知识
搜索
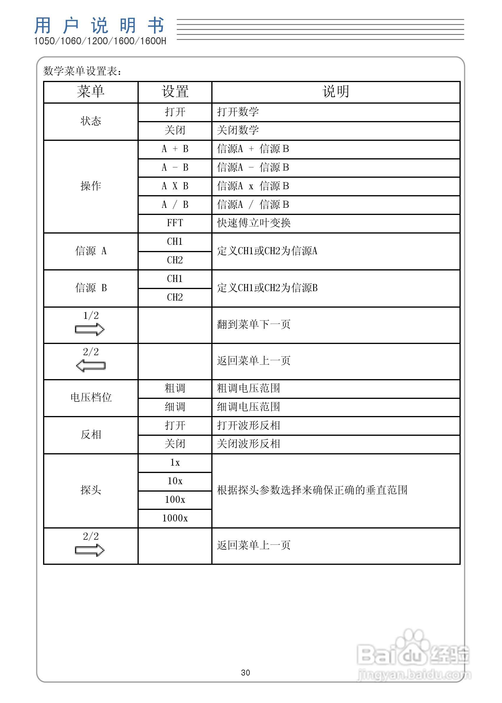
DSO1050型手持示波表/数字存储示波器/万用表使用说明:[4]
2026-02-18 11:24:23
本篇为《DSO1050型手持示波表/数字存储示波器/万用表使用说明》,主要介绍该产品的使用方法以及常见故障解决方案。
(共篇)
上一篇:
|
下一篇:
相关推荐
属性与生活3怎么推销
阅读量:104
如何有效避免遭受雷击?
阅读量:63
天涯明月刀手游雪莲炖甲鱼怎么获得
阅读量:62
奥拉星手游怎么获得四海求凰活动奖励
阅读量:31
原神2.4大伟丘在哪
阅读量:71
猜你喜欢
怎么进bios
毕业论文任务书怎么写
先科音响怎么样
怎么克服紧张
面膜怎么用效果最好
腋窝出汗怎么办
兰花怎么养才能开花
怎么切土豆丝
许攸怎么死的
喝水喝多了会怎么样
猜你喜欢
手麻木是怎么回事
我的世界狗怎么驯服
微信群里怎么拍一拍
怎么治白头发
驾照怎么考
胡萝卜怎么吃最有营养
炉甘石洗剂怎么用
怎么截音乐
移动硬盘怎么分区
酸辣汤怎么做