自在经验网
首页
美食营养
生活百科
知识问答
生活知识
返回
自在经验网
首页
美食营养
游戏数码
手工爱好
生活知识
生活百科
健康养生
运动户外
职场理财
情感交际
母婴教育
时尚美容
知识问答
更多知识
搜索
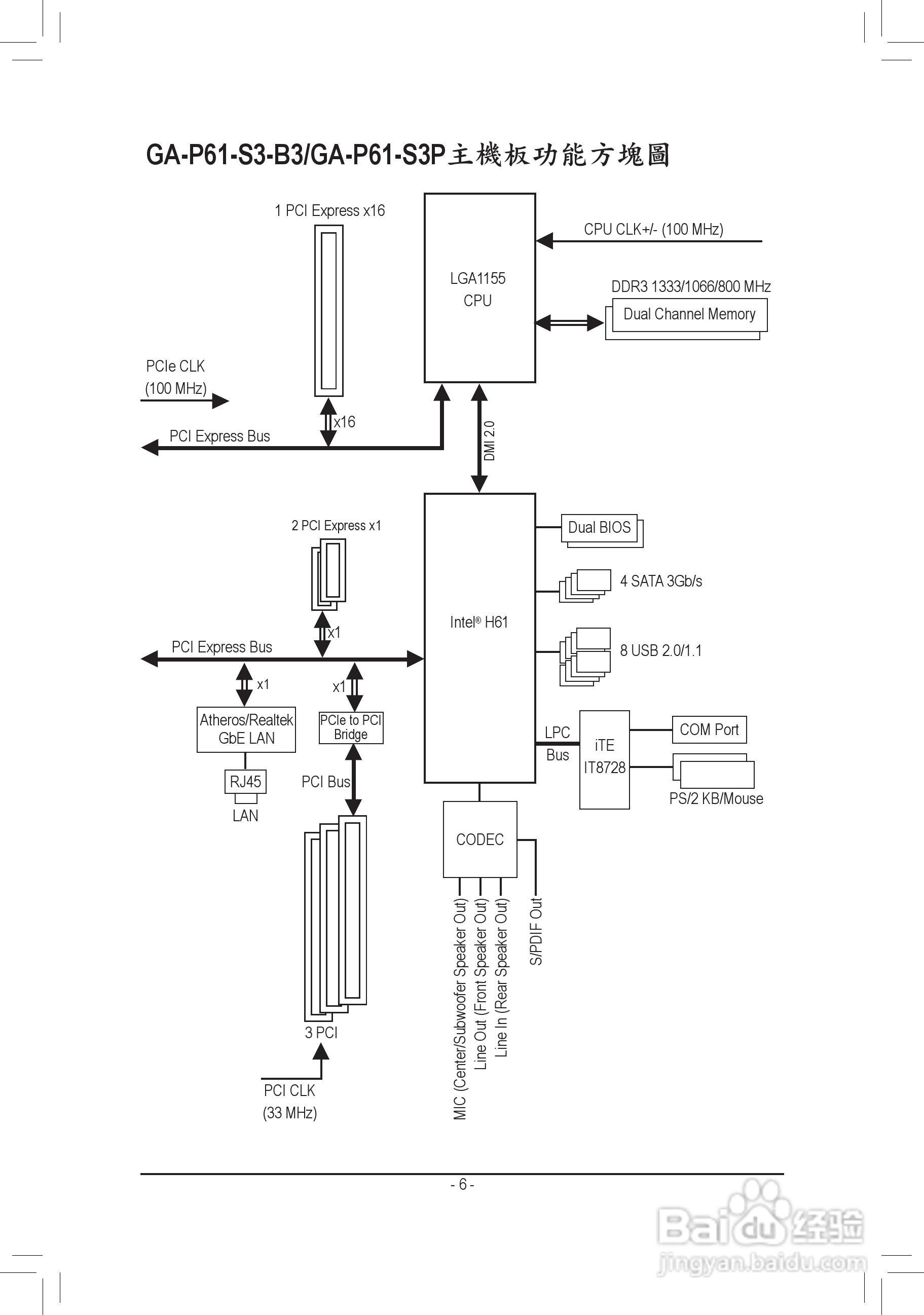
技嘉GA-P61-S3P主板使用手冊:[1]
2026-04-24 10:30:23
本篇为《技嘉GA-P61-S3P主板使用手冊》,主要介绍该产品的使用方法以及常见故障解决方案。
(共篇)
下一篇:
相关推荐
技嘉GA-H61M-S1主板使用手冊:[1]
阅读量:42
技嘉GA-P61-S3主板使用手册:[3]
阅读量:46
技嘉 GA-H61M-S2H主板使用手冊:[1]
阅读量:174
技嘉GA-P67-DS3-B3主板使用手冊:[1]
阅读量:33
技嘉GA-P67-DS3-B3主板使用手冊:[6]
阅读量:89
猜你喜欢
家常红烧肉的做法
鱼丸汤的做法
甲减是怎么引起的
俯卧撑的正确做法
梅子酒的做法
赘怎么读
鱼香茄子的做法视频
焱怎么读
花卷做法
羊肉冬瓜汤的做法
猜你喜欢
干锅排骨的做法
通心粉的做法
可乐鸡翅的做法步骤
流苏的做法
腰肌劳损怎么恢复
家常菜谱大全及做法
芹菜叶的做法
烤箱最简单的饼干做法
溜肉段的家常做法
桃胶雪燕皂角米的做法