自在经验网
首页
美食营养
生活百科
知识问答
生活知识
返回
自在经验网
首页
美食营养
游戏数码
手工爱好
生活知识
生活百科
健康养生
运动户外
职场理财
情感交际
母婴教育
时尚美容
知识问答
更多知识
搜索
技嘉 GA-H61M-S2H主板使用手冊:[1]
2026-04-25 12:27:50
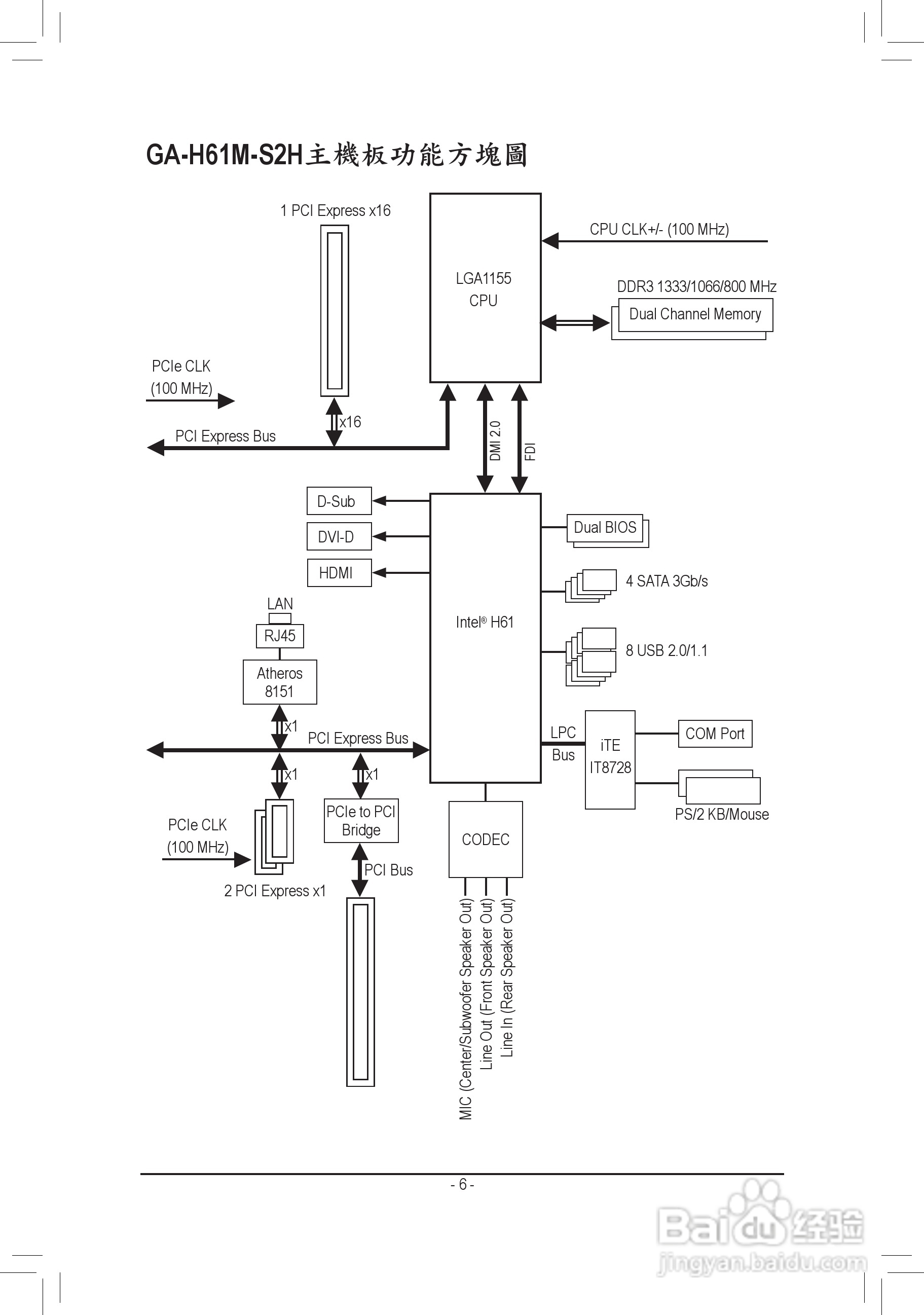
本篇为《技嘉 GA-H61M-S2H主板使用手冊》,主要介绍该产品的使用方法以及常见故障解决方案。
(共篇)
下一篇:
相关推荐
技嘉 GA-H61M-S2H主板使用手冊:[2]
阅读量:70
技嘉GA-H61M-S1主板使用手冊:[1]
阅读量:60
技嘉GA-H61M-S1主板使用手冊:[4]
阅读量:38
技嘉 GA-H61M-S2P-B3主板使用手册:[1]
阅读量:140
技嘉 GA-H61M-S2P-B3主板使用手册:[3]
阅读量:37
猜你喜欢
怎么判断家里有鬼
成都金沙遗址博物馆
铃木雨燕怎么样
安卓手机怎么root
黎明的近义词
淘宝评价怎么修改
经常感冒是什么原因
女性安全期怎么算
牛肚怎么洗
三通怎么穿
猜你喜欢
感冒吃什么水果
大脸适合什么发型
感冒吃什么药好得快
喧闹的近义词是什么
基金怎么买卖
尊重的近义词
风决定要走云怎么挽留是什么歌
婴儿腹胀怎么办
北京博物馆
职业装发型