自在经验网
首页
美食营养
生活百科
知识问答
生活知识
返回
自在经验网
首页
美食营养
游戏数码
手工爱好
生活知识
生活百科
健康养生
运动户外
职场理财
情感交际
母婴教育
时尚美容
知识问答
更多知识
搜索
一指禅指JZA3001纹门禁(考勤)多功能一体机说明书:[3]
2026-02-15 13:23:46
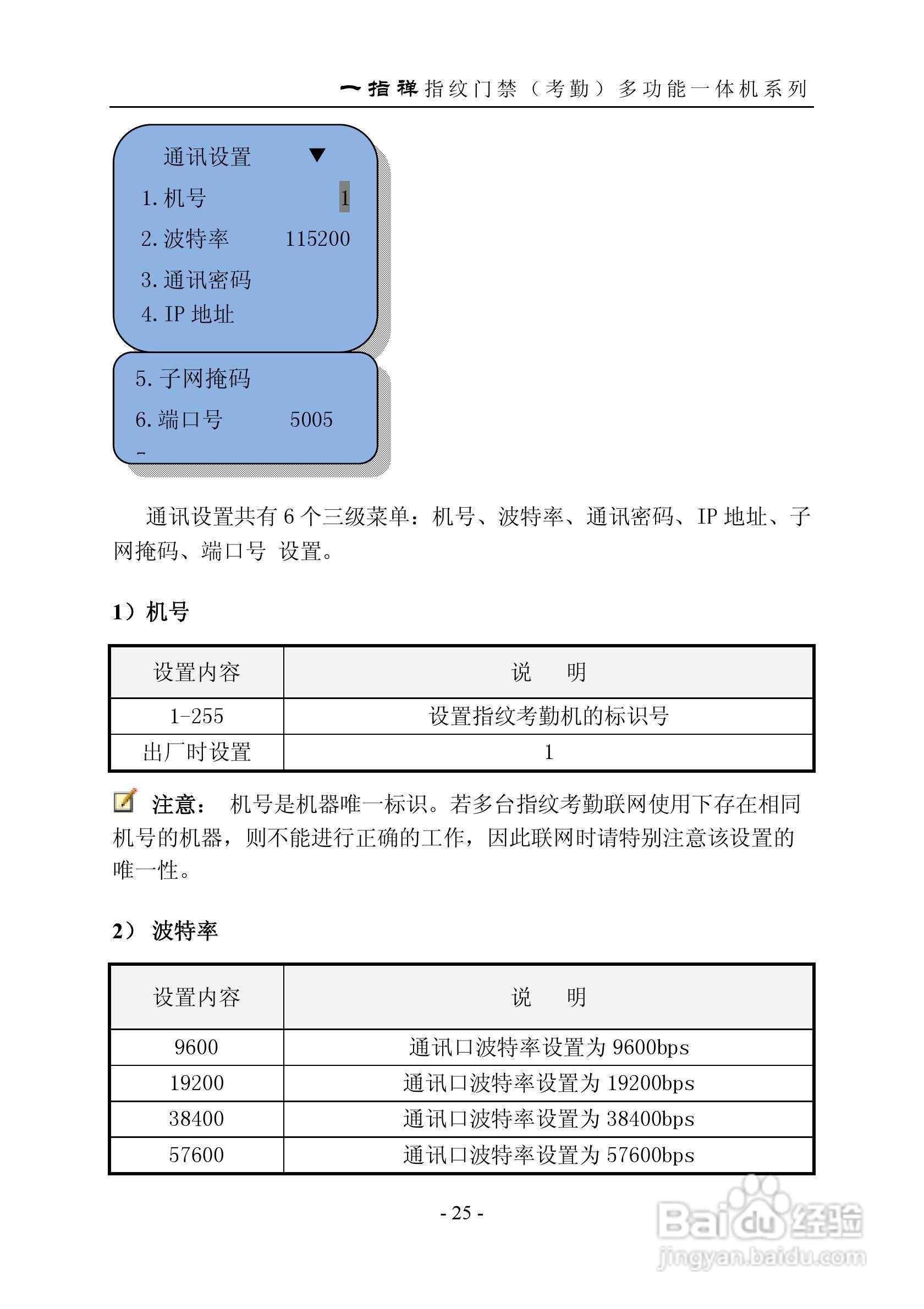
本篇为《一指禅指JZA3001纹门禁(考勤)多功能一体机说明书》,主要介绍该产品的使用方法以及常见故障解决方案。
(共篇)
上一篇:
|
下一篇:
相关推荐
一指禅指JZA3001纹门禁(考勤)多功能一体机说明书:[1]
阅读量:164
一指禅指JZA3001纹门禁(考勤)多功能一体机说明书:[5]
阅读量:38
一指禅指纹门禁考勤多功能一体机系列说明书:[3]
阅读量:87
一指禅指JZA1003A纹门禁(考勤)多功能一体机说明书:[6]
阅读量:145
一指禅指纹门禁考勤多功能一体机系列说明书:[1]
阅读量:72
猜你喜欢
计步器什么牌子好
中秋节祝福语
厦门有什么好玩的景点
rural是什么意思
非农数据是什么意思
小胸适合穿什么罩杯
message是什么意思
策马奔腾什么意思
xls文件用什么打开
昊是什么意思
猜你喜欢
chest是什么意思
背诵的意思
突如其来是什么意思
失而复得的意思
随风潜入夜润物细无声的意思
不耻下问是什么意思
编辑视频用什么软件好
61儿童节祝福语
skp文件用什么打开
什么是发物食品