自在经验网
首页
美食营养
游戏数码
知识问答
生活知识
返回
自在经验网
首页
美食营养
游戏数码
手工爱好
生活知识
健康养生
运动户外
职场理财
情感交际
母婴教育
时尚美容
知识问答
搜索
一指禅指纹门禁考勤多功能一体机系列说明书:[1]
2026-02-14 23:56:27
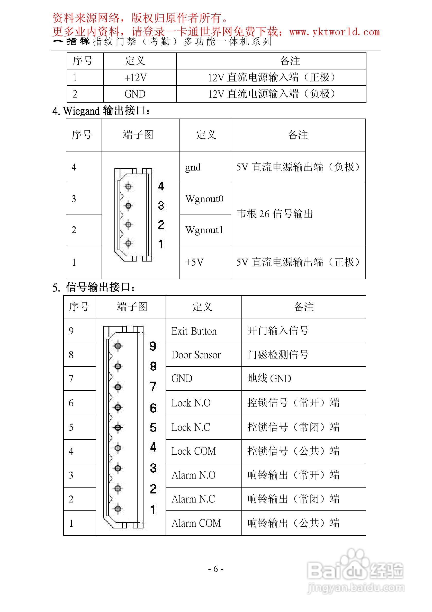
本篇为《一指禅指纹门禁考勤多功能一体机系列说明书》,主要介绍该产品的使用方法以及常见故障解决方案。
(共篇)
下一篇:
相关推荐
皮肤病怎么办?
阅读量:125
女人变老四部曲: 黄、干、累、冷!如何缓解?
阅读量:178
淘宝双12欢乐造红包浏览拍卖低价领奖励怎么领取
阅读量:124
面等主食中含量较高
阅读量:159
会动的鱼儿【简单】
阅读量:22
猜你喜欢
wifi是什么
vcf是什么文件
b2可以开什么车
display是什么意思
自在飞花轻似梦的下一句是什么
927事件是什么
什么叫增值税
cts是什么意思
八月初八是什么星座
meeting是什么意思
猜你喜欢
partner是什么意思
拮据是什么意思
新生儿黄疸是什么
rh血型阳性什么意思
bbq是什么
hero什么意思
大陆架是什么
平安树的养殖方法和注意事项
养生堂天然维生素e
口腔出血是什么原因