自在经验网
首页
美食营养
游戏数码
知识问答
生活家居
返回
自在经验网
首页
美食营养
游戏数码
手工爱好
生活家居
健康养生
运动户外
职场理财
情感交际
母婴教育
时尚美容
知识问答
搜索
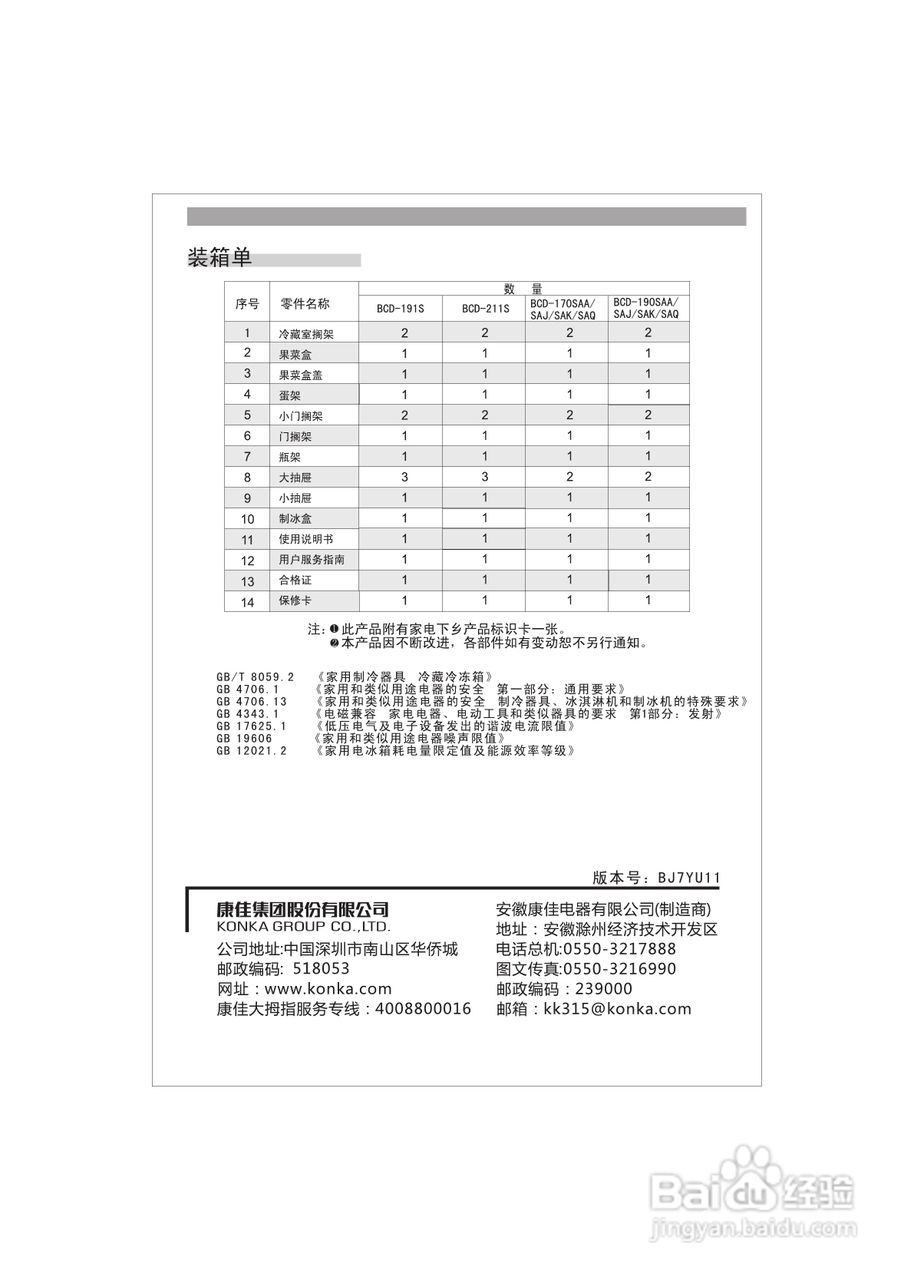
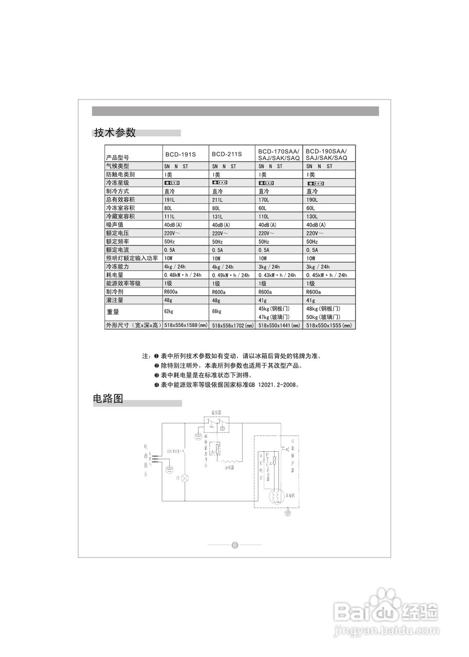
康佳BCD-170SAQ电冰箱使用说明书
2024-11-04 21:08:13
相关推荐
苦瓜炒鱿鱼的做法
酷狗铃声在哪里关闭广告推荐
抖音动态锁屏如何设置
TPO防水卷材怎么使用
宝骏510用5w40会对发动机有损害吗
猜你喜欢
乳腺结节是怎么回事
苹果手机卡怎么办
怎么查询社保缴费记录
企业邮箱怎么申请
购房合同丢了怎么办
眼保健操怎么做
海尔冰箱质量怎么样
王老吉和加多宝是怎么回事
乙五笔怎么打
怎么把图片变小
猜你喜欢
宫寒怎么调理
一般疑问句怎么改
荔枝吃多了会怎么样
化妆刷怎么清洗
笔记本内存条怎么装
胎盘怎么吃
喝咖啡睡不着怎么办
怎么看电脑显卡
拉肚子怎么办最快的方法
狗狗不吃狗粮怎么办