自在经验网
首页
美食营养
生活百科
知识问答
生活知识
返回
自在经验网
首页
美食营养
游戏数码
手工爱好
生活知识
生活百科
健康养生
运动户外
职场理财
情感交际
母婴教育
时尚美容
知识问答
更多知识
搜索
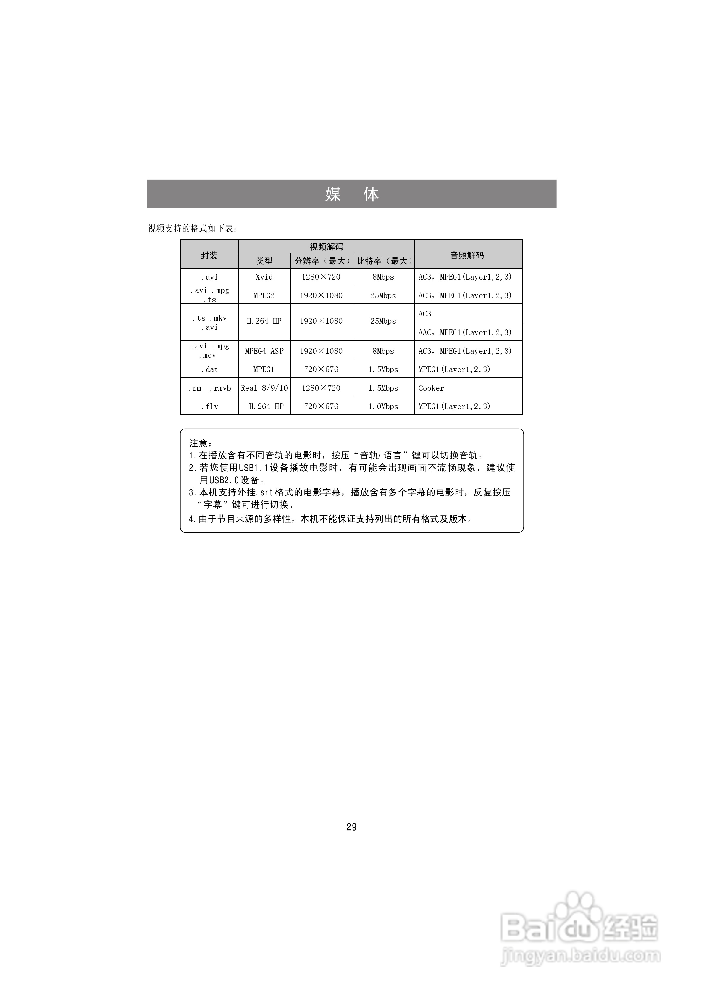
海信LED50K320DX3D液晶彩电使用说明书:[3]
2026-02-12 18:26:07
(共篇)
上一篇:
|
下一篇:
相关推荐
如何卡刷 网络机顶盒
阅读量:56
如何给机顶盒加内存
阅读量:78
如何扩展智能电视内存?这些小方法新手须知
阅读量:23
教你一招替换智能电视&机顶盒系统桌面
阅读量:59
猜你喜欢
眼睛痒怎么办
大便不成形是怎么回事
星座是怎么算的
peugeot怎么读
飞机杯怎么清洗
宝宝肚子胀气怎么办
玉米怎么炒好吃
脚脱皮是怎么回事
画架怎么安装
excel怎么做柱状图
猜你喜欢
电脑注册表怎么打开
视频格式怎么转换
黑眼圈是怎么回事
怎么交电费
少儿医保怎么办理
怎么卤牛肉
珑骧怎么读
正方体的表面积怎么求
自动取款机怎么取钱
谢谢用日语怎么说