自在经验网
首页
美食营养
生活百科
知识问答
生活知识
返回
自在经验网
首页
美食营养
游戏数码
手工爱好
生活知识
生活百科
健康养生
运动户外
职场理财
情感交际
母婴教育
时尚美容
知识问答
更多知识
搜索
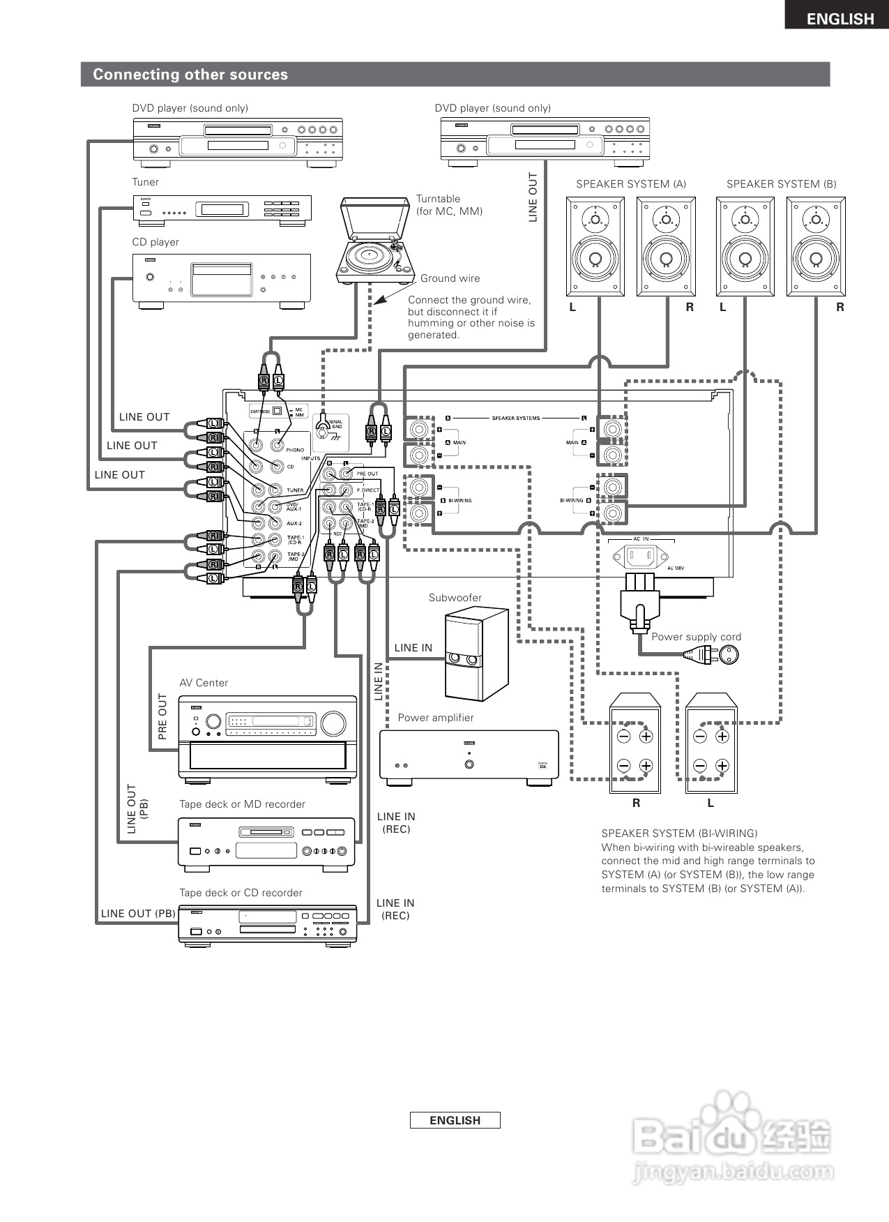
天龙PMA-2000AE型音响说明书:[1]
2026-02-15 21:05:35
(共篇)
下一篇:
相关推荐
免维护蓄电池鼓胀分析
阅读量:46
什么是HMS Core看完你就懂了
阅读量:37
华为p20怎么用北斗导航
阅读量:188
华为HMS如何了解作用
阅读量:161
能率热水器显示90怎么办
阅读量:161
猜你喜欢
背带裤的扣子怎么装
孩子成绩差怎么办
骨质增生怎么治疗呀
狗狗鼻子干怎么回事
为什么是他
我为什么没有男朋友
男人为什么
卵巢囊肿是怎么来的
干粽叶怎么处理才能包粽子
椰子肉怎么吃
猜你喜欢
宽带密码忘记了怎么办
tastes怎么读
硕怎么读
你别问这是为什么
行李箱怎么改密码
鸭肫怎么读
脚上起小水泡很痒是怎么回事
怎么坐地铁
电脑为什么没声音
鸡蛋怎么做好吃