revit如何进入3D模式
1、revit是一款在建筑方面用途非常广泛的软件,现在越来越多的人开始了解revit。接下里就与小编一起来看看revit如何进入3D模式观察图形。

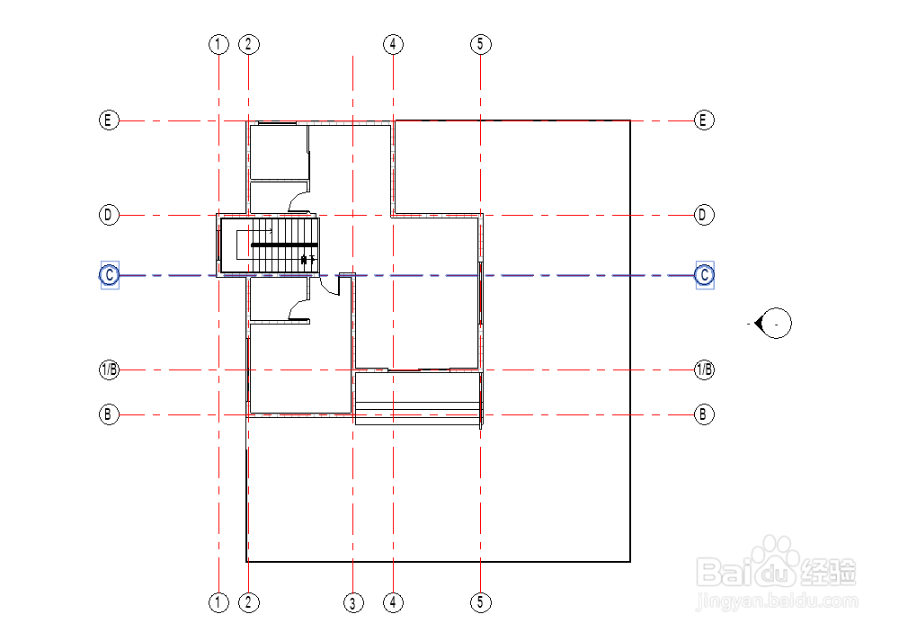
2、首先我们打开revit,然后打开自己的图形,如图一般打开后都是这样的片面图。

3、revit强大的地方就在于,你在平面上画的每一个东西都是有3D属性的,所以我们可以随时观察3D图形,来查看我们是否有错误。

4、当我们打开了一张图纸后,我们想要观察这张图纸3D的样子,我们可以直接点击revit最上面的菜单栏。

5、我们看向revit主界面最上面菜单栏里面有一个小房子一样的图标,这个就是3D视图的选项!

6、我们直接点击,如果你已经在图纸上画了一些东西,你就会发现原本的二维平面线条,已经全部变为3D图了。这样会更加方便我们观察!

阅读量:55
阅读量:79
阅读量:172
阅读量:23
阅读量:161