电源开关常见故障诊断过程
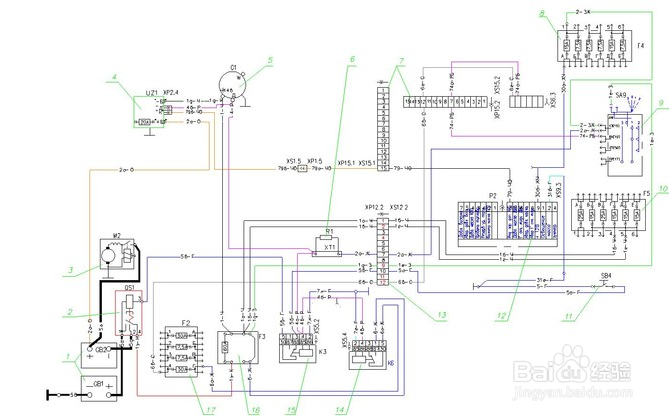
1、供电系统图


2、故障1:开关岳蘖氽颐按钮不起作用,电源无法打开,全车没电现象:按电源按钮时,电源开关没有反应原因:a.电瓶电压过低,用万用表如图检测

3、b.电瓶各接线柱松动、搭铁松动或者有油漆,用手检查

4、c.电源开关1、2接线柱接反,用万用表检查是否通路

5、d.线束插头松动,接触不良

6、e.电源开关按钮触点接触不良,用万用表检测

7、f.电源开关损坏,用万用表检测

8、故障2:按开关按钮,电源无法关闭。现象:电源开关无反应原因:a.电源开关不回位,用手按电源开关

9、b.发电机线圈不绝缘,用万用表检测

10、c.电源开关控制接线柱搭铁
