自在经验网
首页
美食营养
游戏数码
手工爱好
生活家居
返回
自在经验网
首页
美食营养
游戏数码
手工爱好
生活家居
健康养生
运动户外
职场理财
情感交际
母婴教育
时尚美容
搜索
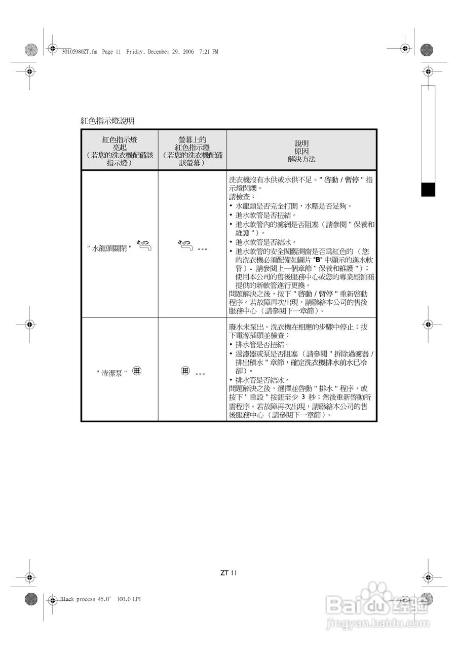
惠而浦AWO/D41410型洗衣机说明书:[2]
2024-12-03 05:49:14
/>
/>
/>
相关推荐
惠而浦AWO/D41410型洗衣机说明书:[3]
洗衣机如何安装进水管
惠而浦AWO/D41410型洗衣机说明书:[1]
惠而浦AWO/D43420前置式洗衣机说明书:[2]
猜你喜欢
打胎药哪里有卖
增值电信业务经营许可证怎么办理
如何戒烟小妙招
乌鲁木齐旅游团
喝什么泡水降血压最好
贵州旅游注意事项
word分数怎么打
基金如何赚钱
白城旅游
睡不着怎么办小妙招
猜你喜欢
如何催尿
南宁旅游景点大全
如何鉴别被蜱虫咬了
如何追女孩子
怎么设置电脑不待机
如何申请微信公众号
梵净山在贵州哪里
怎么关闭qq设备锁
如何保持心理健康
如何制作标书