自在经验网
首页
美食营养
生活百科
知识问答
生活知识
返回
自在经验网
首页
美食营养
游戏数码
手工爱好
生活知识
生活百科
健康养生
运动户外
职场理财
情感交际
母婴教育
时尚美容
知识问答
更多知识
搜索
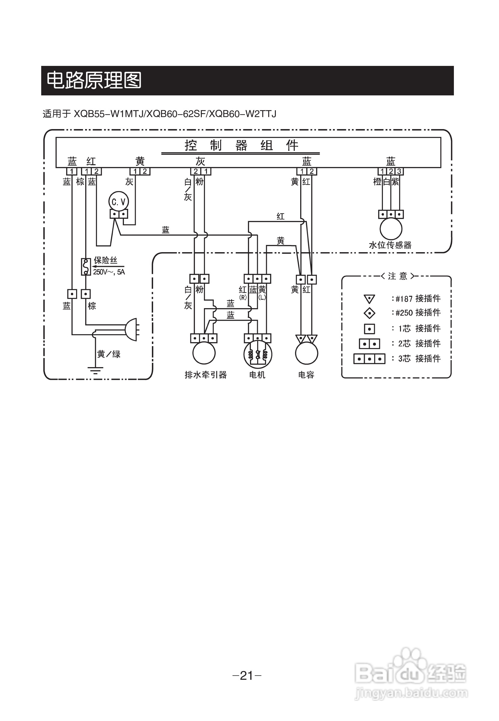
LG XQB55-W1MTJ洗衣机使用说明书:[3]
2026-02-16 21:00:39
(共篇)
上一篇:
相关推荐
LG XQB55-W1MTJ洗衣机使用说明书:[3]
阅读量:37
LG XQB55-178F洗衣机使用说明书:[3]
阅读量:20
LG XQB55-118F洗衣机使用说明书:[3]
阅读量:29
LG XQB55-118F洗衣机使用说明书:[1]
阅读量:60
日立XQB55-JXN洗衣机使用说明书:[3]
阅读量:179
猜你喜欢
怎么设置密码
着火了怎么办ppt
小孩消化不良怎么办
科幻画怎么画
嘉实多机油怎么样
双通道内存怎么安装
左胸痛是怎么回事
尿道炎怎么治
word怎么删除表格
陌陌怎么约炮
猜你喜欢
工作性质怎么填
电脑太卡怎么办
脸上有黄褐斑怎么办
拭怎么组词
拉面怎么和面
有黑头怎么办
增值税怎么计算
脸上有红血丝怎么办
产品定位怎么写
烤生蚝的蒜蓉怎么做