自在经验网
首页
美食营养
生活百科
知识问答
生活知识
返回
自在经验网
首页
美食营养
游戏数码
手工爱好
生活知识
生活百科
健康养生
运动户外
职场理财
情感交际
母婴教育
时尚美容
知识问答
更多知识
搜索
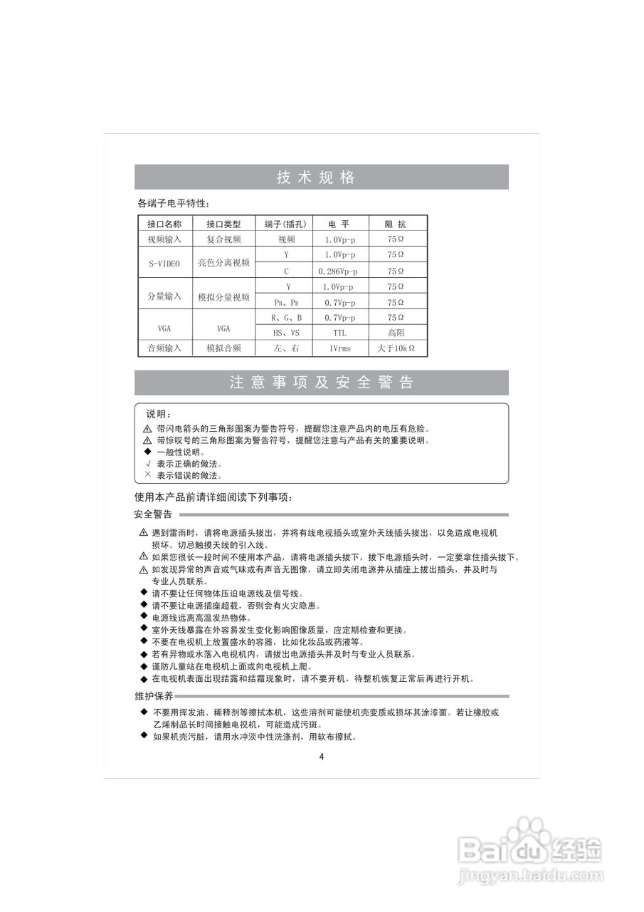
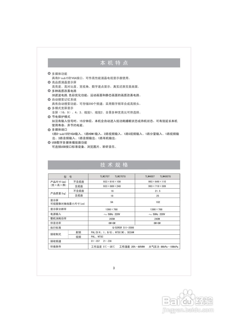
海信TLM3707U液晶彩电使用说明书:[1]
2026-02-14 08:45:07
(共篇)
下一篇:
相关推荐
海信LED42K300液晶彩电使用说明书:[1]
阅读量:50
长虹43A1智能电视第三方应用安装教程
阅读量:137
海尔L42A11-AK液晶彩电使用说明书:[5]
阅读量:87
如何将电视机遥控器和机顶盒遥控器合二为一?
阅读量:128
海尔LE42A300液晶彩电使用说明书
阅读量:176
猜你喜欢
猩红热是什么病
1978年属什么
路上行人欲断魂的欲是什么意思
东京热是什么
权责发生制是什么意思
buff什么意思
非典是什么
晟读什么
讨厌的近义词是什么
一元复始 万象更新是什么意思
猜你喜欢
论语是一部什么著作
冬虫夏草是什么
肝钙化是什么意思
阿弥陀佛是什么佛
商业保险是什么
will什么意思
母爱像什么
物是人非什么意思
source是什么意思
坐飞机不能带什么