自在经验网
首页
美食营养
生活百科
知识问答
生活知识
返回
自在经验网
首页
美食营养
游戏数码
手工爱好
生活知识
生活百科
健康养生
运动户外
职场理财
情感交际
母婴教育
时尚美容
知识问答
更多知识
搜索
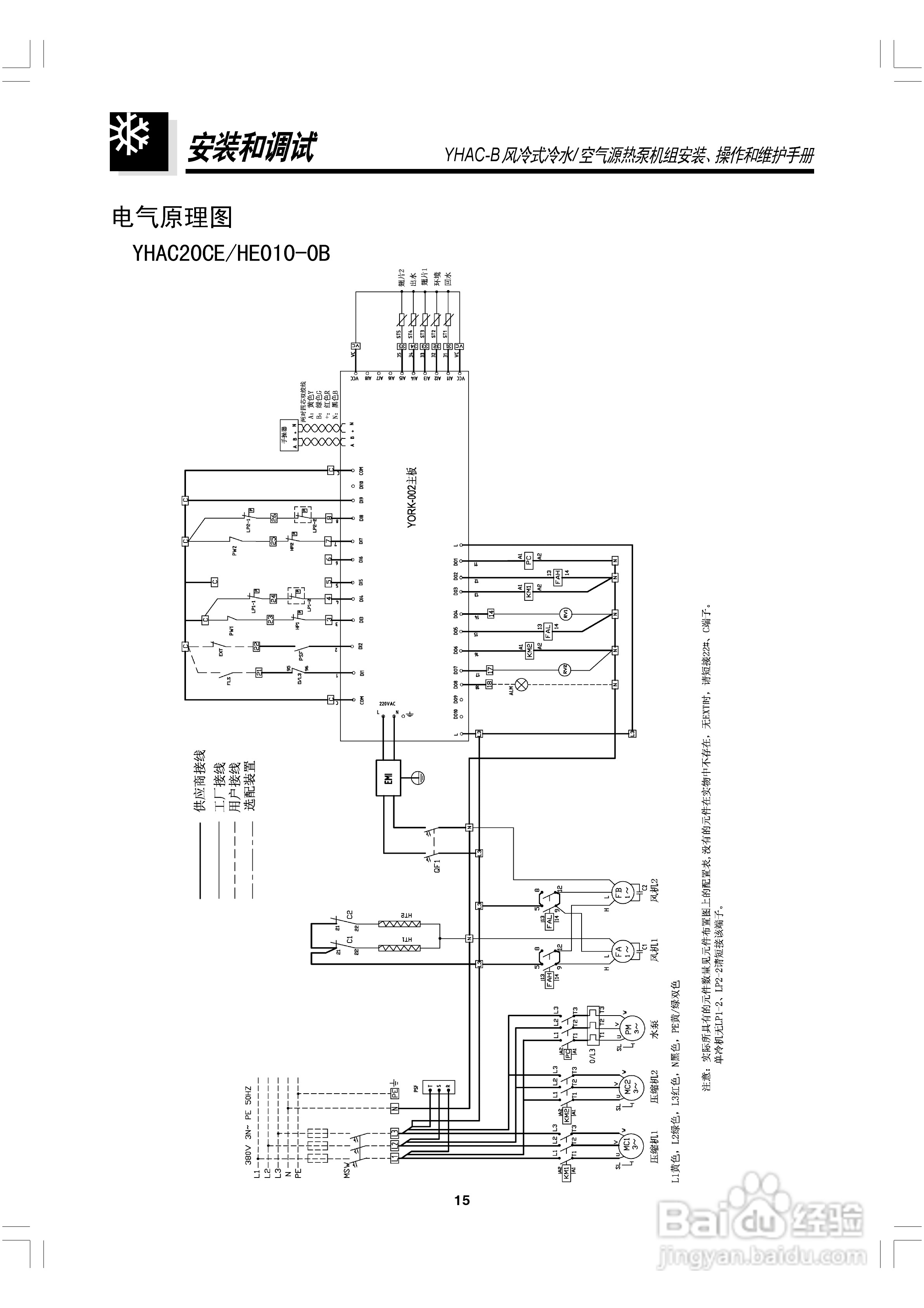
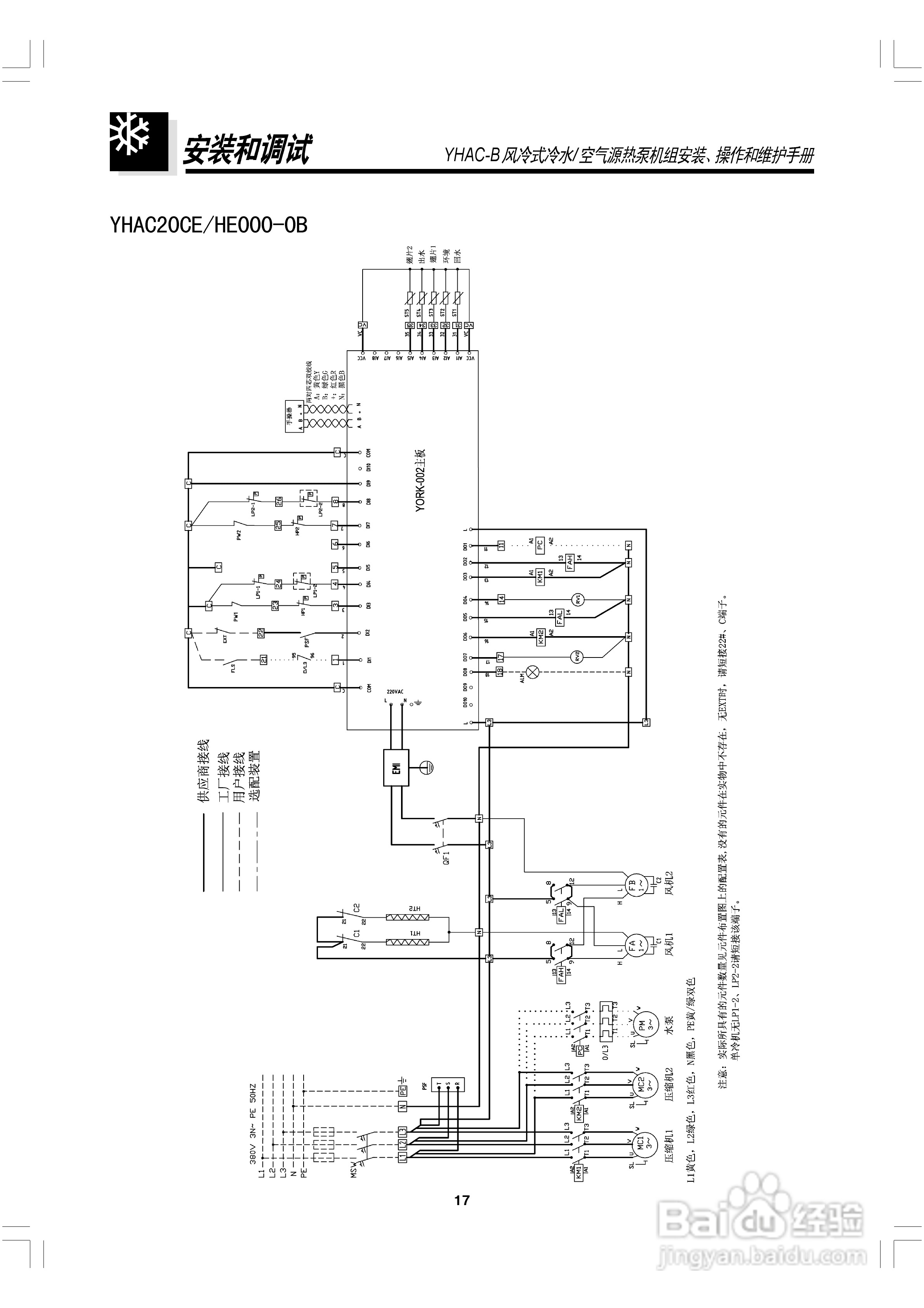
约克YHAC60-B空调安装、操作和维护手册:[2]
2026-02-14 14:32:02
(共篇)
上一篇:
|
下一篇:
相关推荐
约克YHAC60-B空调安装、操作和维护手册:[1]
阅读量:115
空调安装流程
阅读量:163
空调安装及使用注意事项有哪些呢
阅读量:187
冰机的开关机 约克
阅读量:114
碧蓝航线约克 约克改
阅读量:25
猜你喜欢
咬肌大怎么办
耳朵流水是怎么回事
婚姻不顺怎么办
jay怎么读
真人密室逃脱怎么玩
超速10%不到20%怎么处罚
东阿阿胶怎么吃
固铂轮胎怎么样
三方协议丢了怎么办
水泥地面起砂怎么办
猜你喜欢
怎么样打字速度快
怎么设置浏览器主页
笔记本怎么开热点
怎么用word画图
天津中医药大学怎么样
毓婷怎么吃
烧纸钱怎么写
怎么报复一个人
白带增多是怎么回事
热水器泄压阀怎么调节