自在经验网
首页
美食营养
生活百科
知识问答
生活知识
返回
自在经验网
首页
美食营养
游戏数码
手工爱好
生活知识
生活百科
健康养生
运动户外
职场理财
情感交际
母婴教育
时尚美容
知识问答
更多知识
搜索
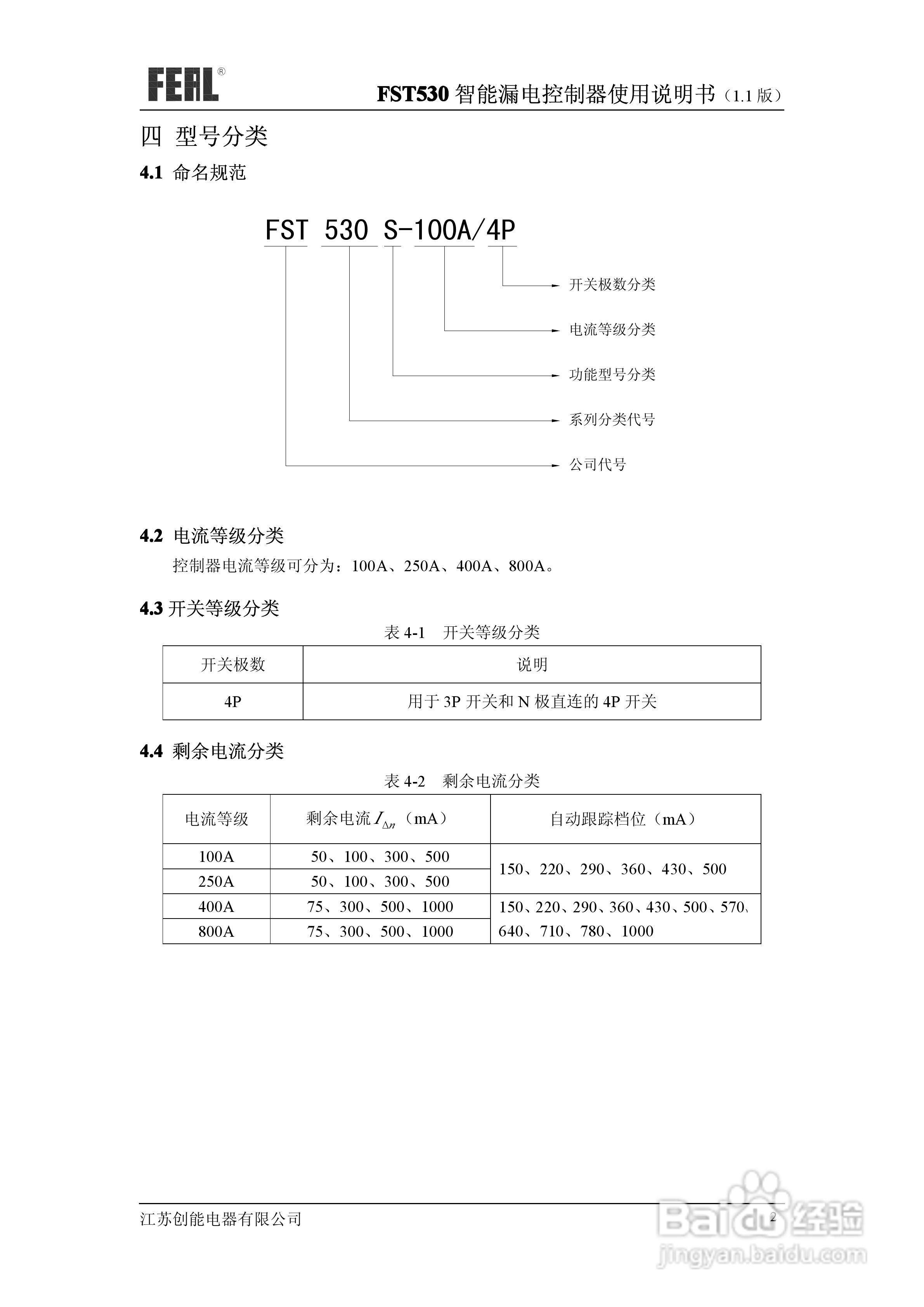
FST530智能漏电控制器使用说明书1.1:[1]
2026-02-16 02:08:55
本篇为《FST530智能漏电控制器使用说明书1.1》,主要介绍该产品的使用方法以及常见故障解决方案。
(共篇)
下一篇:
相关推荐
FST530智能漏电控制器使用说明书1.1:[2]
阅读量:22
FST520智能漏电控制器使用说明书1.0:[1]
阅读量:165
FST520智能漏电控制器使用说明书1.0:[2]
阅读量:175
FST200系列控制器使用说明书1.1:[1]
阅读量:193
FST200系列控制器使用说明书1.1:[2]
阅读量:72
猜你喜欢
新闻评论怎么写
偏头痛怎么缓解
翻糖蛋糕的做法
冢怎么读音是什么
怎么回事
鲜海参的做法
手机怎么格式化
得了艾滋病怎么办
moon怎么读
生菜怎么做好吃又简单
猜你喜欢
牛排怎么煎好吃又简单
菠萝为什么要用盐水泡
跖怎么读
谁是卧底怎么玩
100种水晶泥的做法大全
怎么看手相
七巧板怎么拼
恭城油茶的做法
clothes怎么读
为什么要端正入党动机