自在经验网
首页
美食营养
生活百科
知识问答
生活知识
返回
自在经验网
首页
美食营养
游戏数码
手工爱好
生活知识
生活百科
健康养生
运动户外
职场理财
情感交际
母婴教育
时尚美容
知识问答
更多知识
搜索
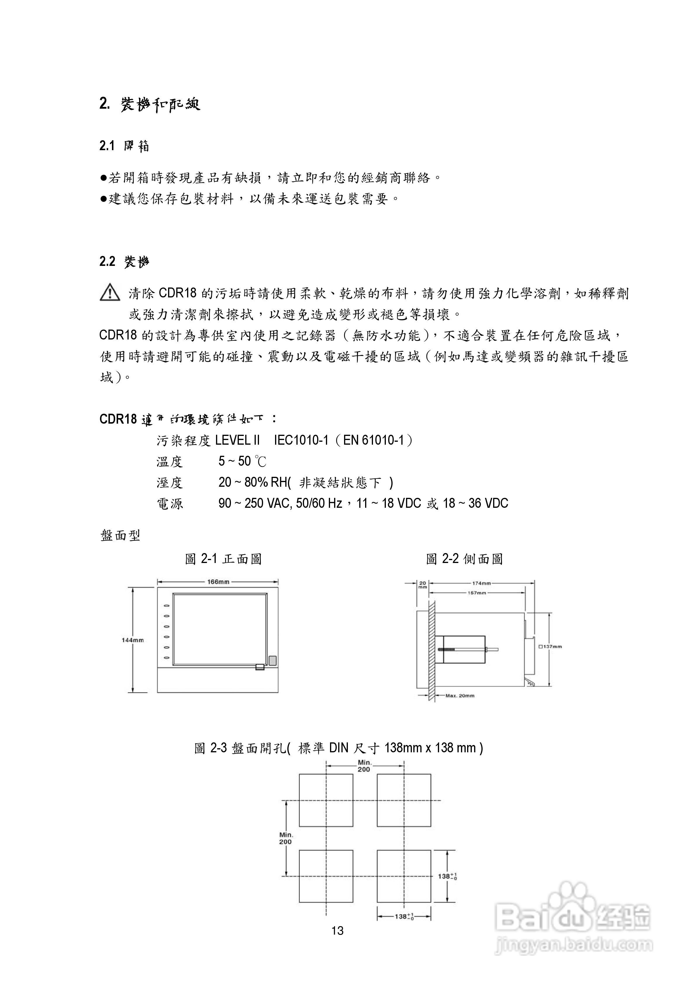
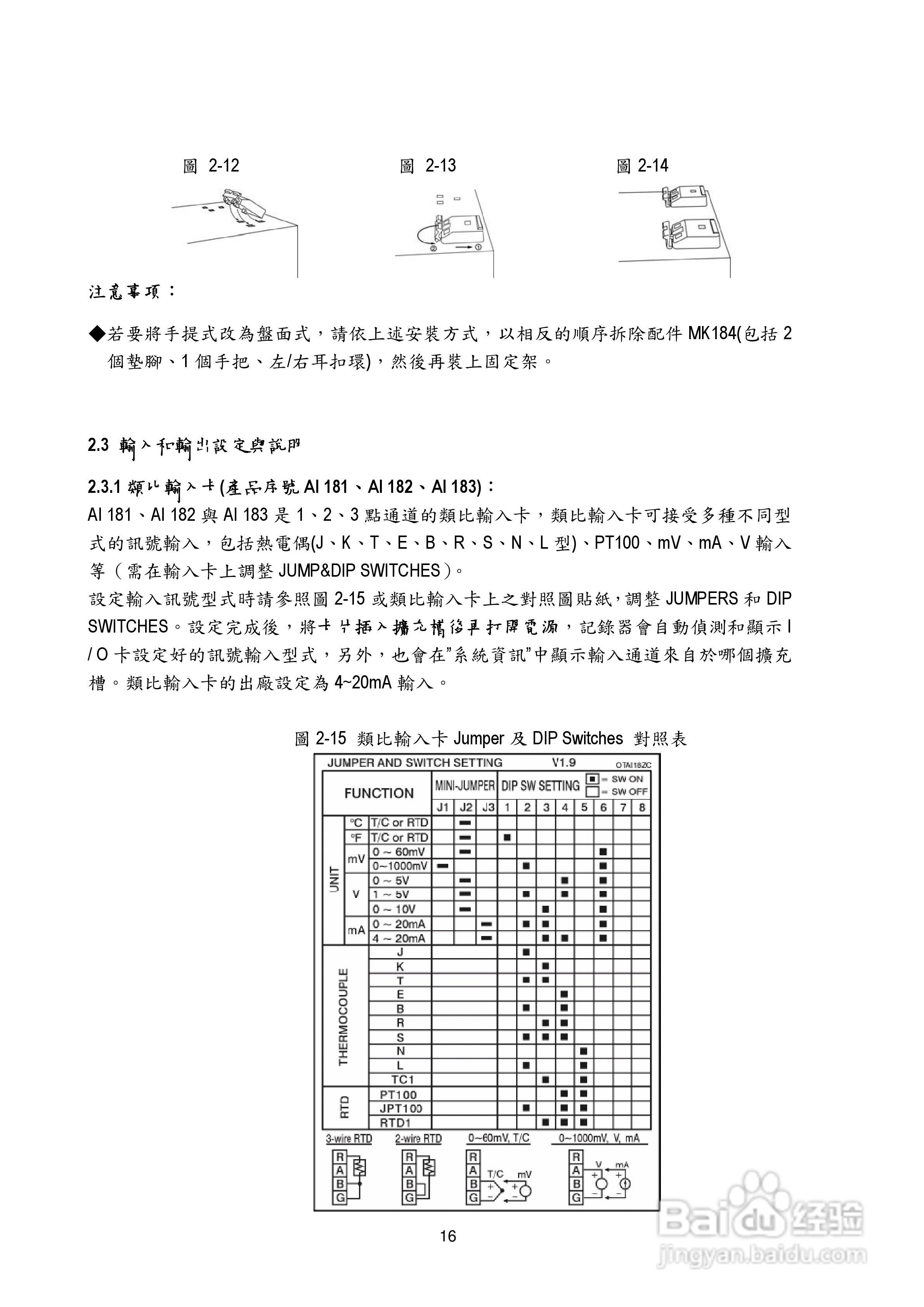
CDR18无纸记录器操作手册:[2]
2026-04-02 06:00:16
本篇为《CDR18无纸记录器操作手册》,主要介绍该产品的使用方法以及常见故障解决方案。
(共篇)
上一篇:
|
下一篇:
相关推荐
CDR18无纸记录器操作手册:[3]
阅读量:75
CDR18无纸记录器操作手册:[6]
阅读量:145
如何使用步骤记录器记录操作?
阅读量:58
如何打开步骤记录器
阅读量:128
CDR18无纸记录器操作手册:[7]
阅读量:76
猜你喜欢
鞍山旅游
热血物语攻略
牛油果怎么吃图解
电脑自动关机怎么办
散客旅游
芜湖旅游
黄山宏村旅游攻略
龙虎山旅游
冬天旅游
佛山旅游景点大全
猜你喜欢
感冒可以吃鸡肉吗
怎么写策划书
cs1.6怎么加电脑人
淘宝网怎么开店步骤
怎么表白不会被拒绝
熊猫的特点
皮蛋豆腐凉拌的做法
排球可以用脚踢吗
怎么祛除鱼尾纹
krc文件怎么打开