自在经验网
首页
美食营养
游戏数码
知识问答
生活知识
返回
自在经验网
首页
美食营养
游戏数码
手工爱好
生活知识
健康养生
运动户外
职场理财
情感交际
母婴教育
时尚美容
知识问答
搜索
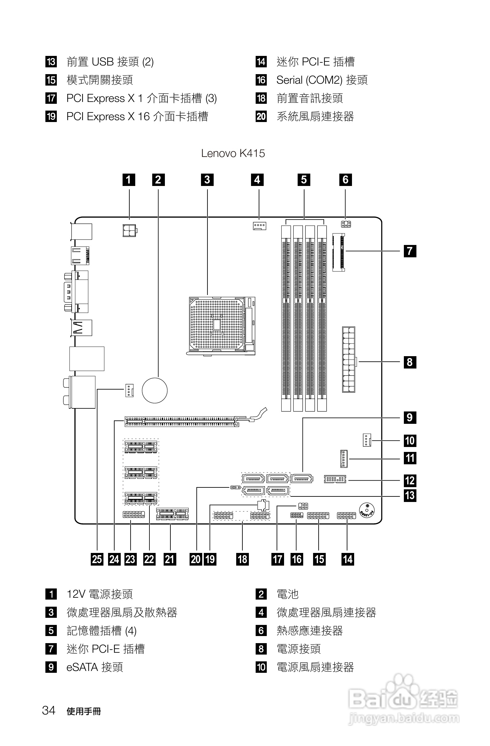
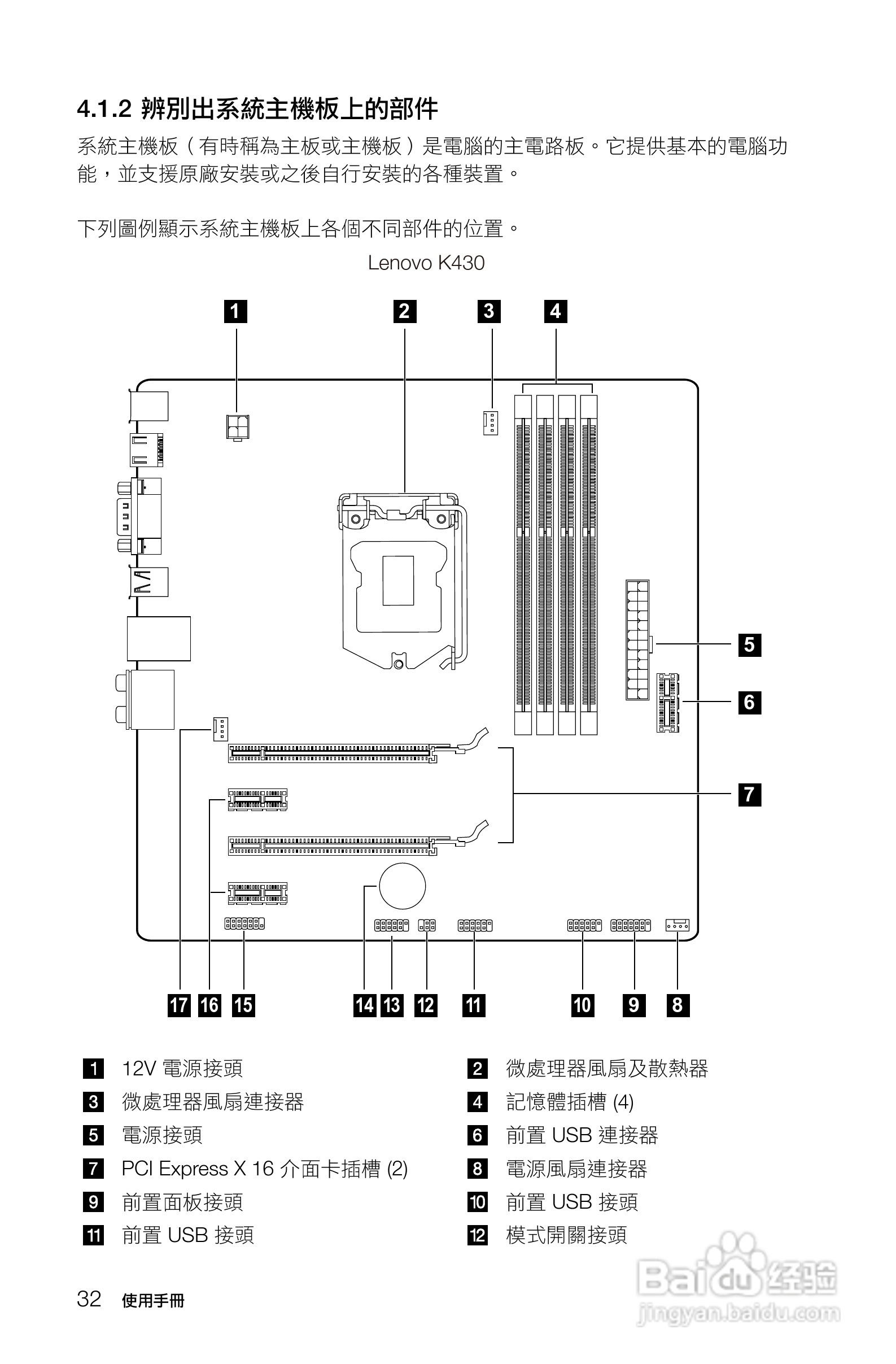
联想Lenovo Ideacentre K430笔记本电脑说明书:[4]
2026-02-22 21:23:27
本篇为《联想Lenovo Ideacentre K430笔记本电脑说明书》,主要介绍该产品的使用方法以及常见故障解决方案。
(共篇)
上一篇:
|
下一篇:
相关推荐
联想Lenovo Ideacentre K430笔记本电脑说明书:[3]
阅读量:168
Lenovo联想IdeaCentreHorizon 27系列笔记本说明书:[3]
阅读量:77
Lenovo联想IdeaCentreHorizon 27系列笔记本说明书:[1]
阅读量:101
Lenovo联想IdeaCentreHorizon 27系列笔记本说明书:[2]
阅读量:122
笔记本电脑如何连接wifi
阅读量:145
猜你喜欢
学生评语大全
昙花的功效和吃法大全
铃木雨燕怎么样
严重感冒怎么办
所有奥特曼大全
工行信用卡怎么样
幼儿科幻画图片大全
曹文轩简介
事实论据大全
简笔画人物图片大全
猜你喜欢
黄晓明个人资料简介
卡其色风衣怎么搭配
小米手机怎么投屏到电视
手指被门夹了怎么办
芒果tv怎么下载视频
qq被盗了怎么找回来
四川方言电视剧大全
迷你激活码大全未使用
王珞丹个人资料简介
三国战纪怎么爆气