车充5V/2.1A制作
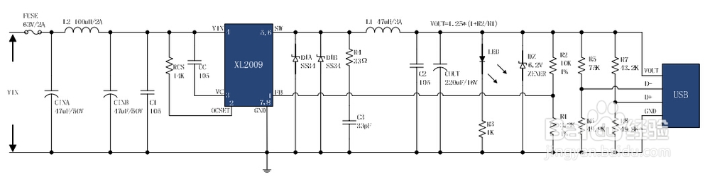
1、参考XL2009原理图,并熟悉运用它


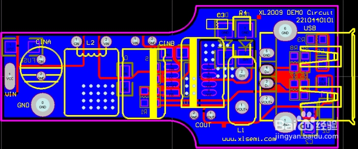
2、将根据XL2009原理洗回来的PCB,进行焊接;必须按照XL2009的原理图,将所有器件注意焊接在PCB班上


3、电解电容、电感、肖特基、电阻、USB母座焊接在PCB板上,注意极性不能弄错,否则造成短路或者工作不正常;


4、检查做好的车充电路板后,接上电源DC12V或者24V,用万用表测量输出是否正常;如果正常颗带载测试;

5、最后加上外壳就是成品了。

1、参考XL2009原理图,并熟悉运用它


2、将根据XL2009原理洗回来的PCB,进行焊接;必须按照XL2009的原理图,将所有器件注意焊接在PCB班上


3、电解电容、电感、肖特基、电阻、USB母座焊接在PCB板上,注意极性不能弄错,否则造成短路或者工作不正常;


4、检查做好的车充电路板后,接上电源DC12V或者24V,用万用表测量输出是否正常;如果正常颗带载测试;

5、最后加上外壳就是成品了。
