自在经验网
首页
美食营养
生活百科
知识问答
生活知识
返回
自在经验网
首页
美食营养
游戏数码
手工爱好
生活知识
生活百科
健康养生
运动户外
职场理财
情感交际
母婴教育
时尚美容
知识问答
更多知识
搜索
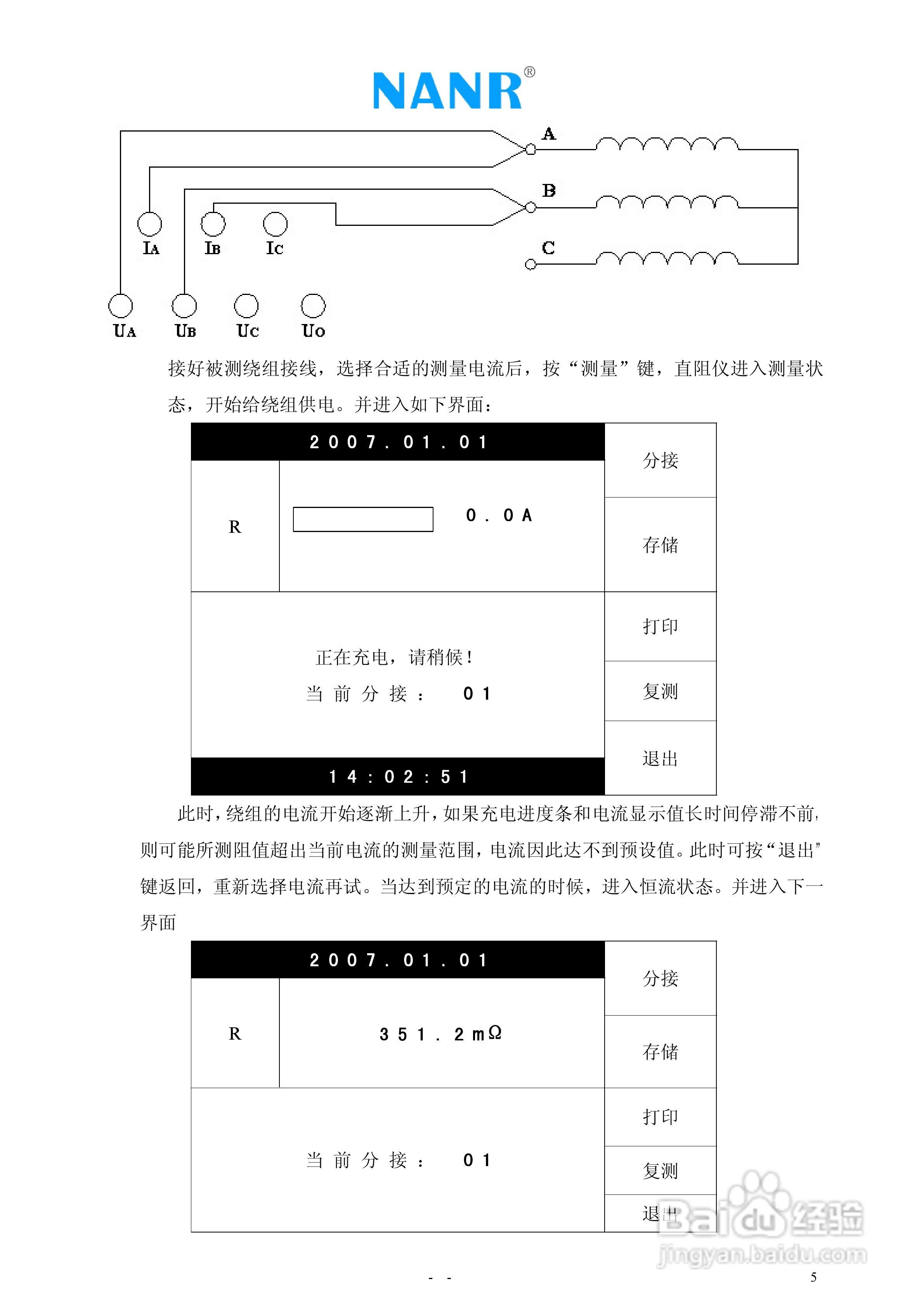
南瑞电气NRZDC-10A 直流电阻快速测试仪说明书
2026-02-12 21:56:55
相关推荐
优秀的孩子该如何培养?
阅读量:29
毛孔粗大怎么办 夏季孔慌不再有 美肌粉嫩找回来
阅读量:89
分娩前的活动要注意什么?
阅读量:106
红糖黑麦碱水面包的做法
阅读量:118
怎样预防干燥性鼻炎
阅读量:172
猜你喜欢
历史是什么
我跌跌撞撞奔向你是什么歌
脍炙人口是什么意思
小便黄是什么原因
9月30日是什么纪念日
什么是住房公积金
断章取义是什么意思
欧派是什么意思
人为什么会生病
孕前检查挂什么科
猜你喜欢
voice是什么意思
阿华田是什么
9月28日是什么星座
云母是什么
卷边是什么意思
字符是什么意思
左眼跳什么
什么发型好看
股市pe是什么意思
红酒什么时候喝最好