自在经验网
首页
美食营养
游戏数码
知识问答
生活知识
返回
自在经验网
首页
美食营养
游戏数码
手工爱好
生活知识
健康养生
运动户外
职场理财
情感交际
母婴教育
时尚美容
知识问答
搜索
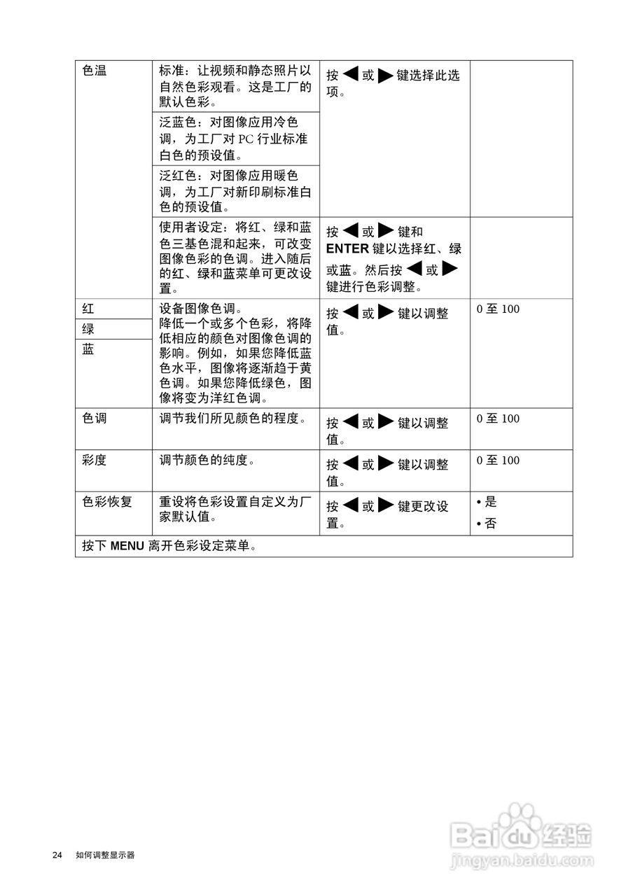
明基BL902M液晶显示器说明书:[3]
2024-10-27 05:45:59
相关推荐
明基BL902M液晶显示器说明书:[1]
液晶显示器如何消磁
明基BL902M液晶显示器说明书:[4]
明基BL902M液晶显示器说明书:[2]
三星S24C200BL液晶显示器使用说明书:[3]
猜你喜欢
佛歌大全
数学知识树怎么画
小孩流清鼻涕怎么办
怎么绑鱼线
成年美女黄网站色奶头大全
早会游戏大全
胸部太小怎么办
手工大全简单又漂亮
感恩父母手抄报大全
腰不好怎么锻炼
猜你喜欢
万家乐燃气灶怎么样
手脚麻木怎么回事
12种花样馒头做法大全
男孩子名字大全
魔法咒语大全
淞沪会战简介
少数民族节日大全
怎么快速记忆
电视大全下载
古文字大全