自在经验网
首页
美食营养
生活百科
知识问答
生活知识
返回
自在经验网
首页
美食营养
游戏数码
手工爱好
生活知识
生活百科
健康养生
运动户外
职场理财
情感交际
母婴教育
时尚美容
知识问答
更多知识
搜索
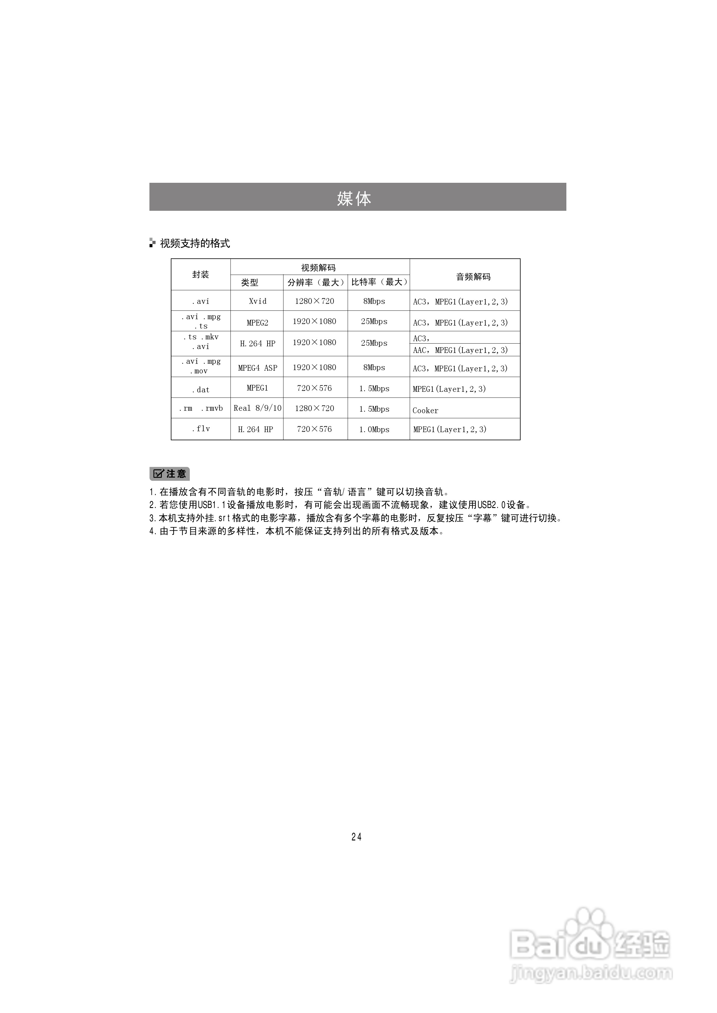
海信LED46K300液晶彩电使用说明书:[3]
2026-02-14 00:18:49
(共篇)
上一篇:
|
下一篇:
相关推荐
儿子生日妈妈怎么发朋友圈
阅读量:94
离合器对电池短路怎么弄
阅读量:165
Mark怎么开启通知栏快捷入口
阅读量:91
公司给你按照最低缴纳社保,到底是赚了还是赔了?
阅读量:148
深入了解变频空压机的工作原理
阅读量:134
猜你喜欢
杨光的快乐生活第二部
老板整体厨房怎么样
生活中的化学
图片损坏怎么修复
如何改运
感谢生活作文400字
最低生活保障
职业发展方向怎么写
兰花怎么养最好
如何让自己变得幽默
猜你喜欢
如何去英国留学
etf基金是什么
广州科技职业技术学院怎么样
鸡汤怎么做有营养
夏天如何防晒
如何做酱牛肉
连云港生活百事通
传祺车质量怎么样
飒是什么意思
马甲线怎么练图解