自在经验网
首页
美食营养
游戏数码
知识问答
生活知识
返回
自在经验网
首页
美食营养
游戏数码
手工爱好
生活知识
健康养生
运动户外
职场理财
情感交际
母婴教育
时尚美容
知识问答
搜索
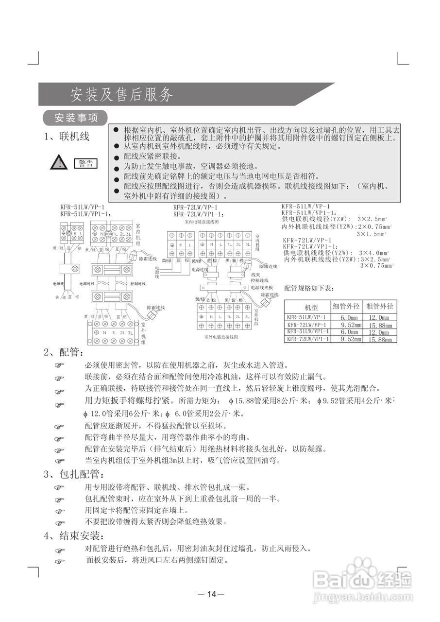
科龙KFR-72LW/VP1-1空调使用说明书:[2]
2026-02-14 12:03:08
(共篇)
上一篇:
|
下一篇:
相关推荐
橡胶制品如何正确选择增白剂?
阅读量:113
白糖红糖冰糖有什么不同?
阅读量:109
炖三文鱼头的做法
阅读量:168
椒盐鱼鳞,从此鱼鳞不再浪费!
阅读量:84
健康养生佳品『西兰花胡萝卜紫薯泥』的做法
阅读量:111
猜你喜欢
编制是什么意思
苏州工业职业技术学院怎么样
亲爱的生活
lp是什么意思
芜湖生活传真
迅捷路由器怎么安装
原始生活21天
时间不长怎么办
瘦马是什么意思
怎么打开pdf文件
猜你喜欢
金陵女人的另类生活
沙漠皇帝怎么玩
set是什么意思
如何设置vpn
垂钓翁声望怎么开启
缝针后如何不留疤痕
nc是什么意思
如何折纸花
染发膏弄到脸上怎么洗
如何提高逻辑思维能力