自在经验网
首页
美食营养
生活百科
知识问答
生活知识
返回
自在经验网
首页
美食营养
游戏数码
手工爱好
生活知识
生活百科
健康养生
运动户外
职场理财
情感交际
母婴教育
时尚美容
知识问答
更多知识
搜索
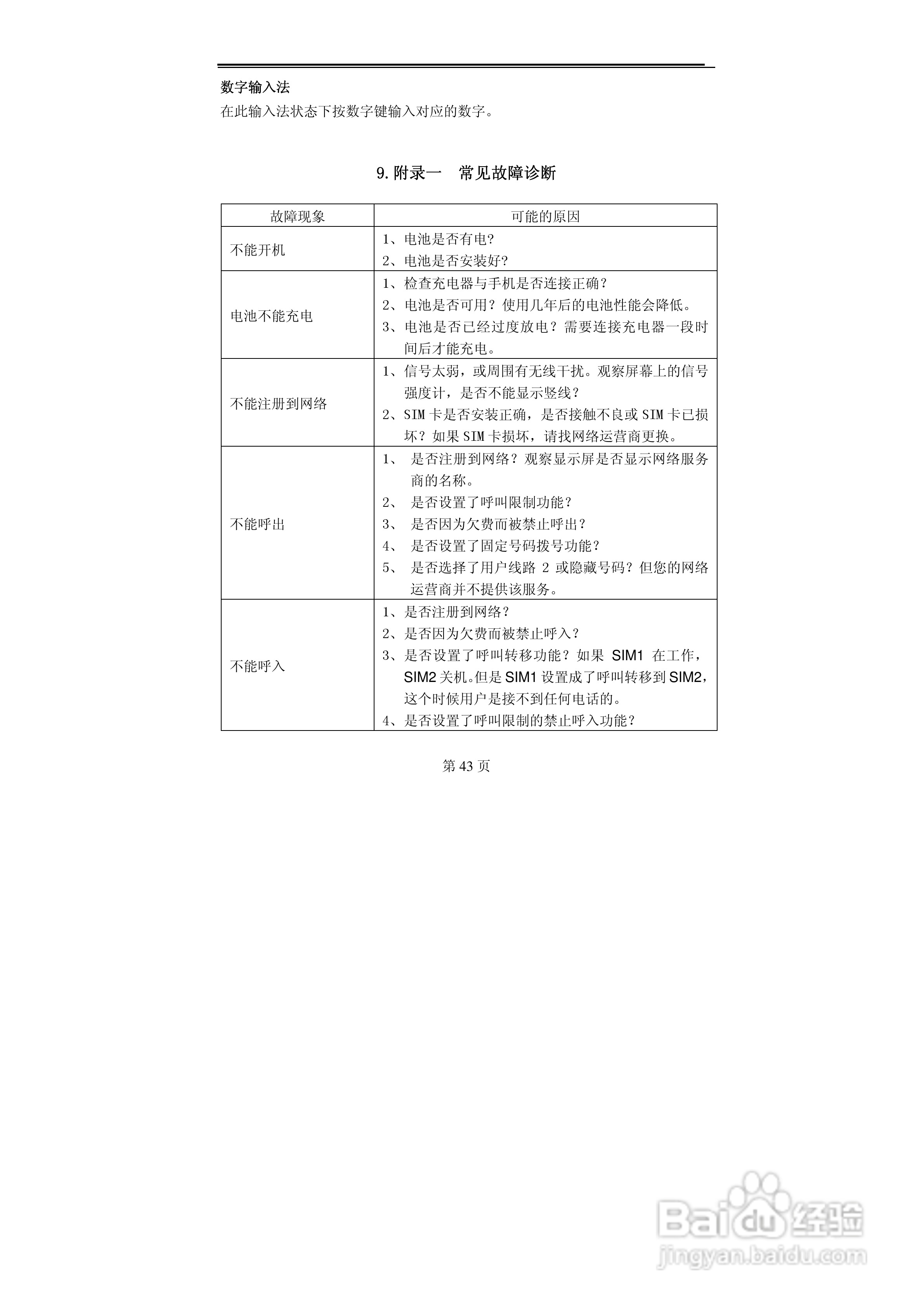
TCL MBO398手机使用说明书:[5]
2026-05-02 06:47:13
(共篇)
上一篇:
相关推荐
TCL MBO398手机使用说明书:[1]
阅读量:185
TCL MBO368手机使用说明书:[5]
阅读量:176
TCL MBO358手机使用说明书:[4]
阅读量:152
TCL MBO358手机使用说明书:[2]
阅读量:42
使用说明书封面怎么做
阅读量:161
猜你喜欢
新闻又称什么
什么取暖器效果好
脸圆适合什么发型
祺是什么意思
参片泡水有什么作用
澳门什么时候回归中国
做梦梦到猫什么意思
媛交是什么意思
什么启发了我作文
洗车店需要什么手续
猜你喜欢
铩羽而归的意思
着相了是什么意思
212是什么意思
岗位排名是什么意思
拟定的意思
至关重要的意思
tonight是什么意思
大盘缩量下跌意味什么
睥睨是什么意思
女鞋什么牌子好