如何在Origin中使用Excel
作为优势互补,Origin提供Excel的一种集成入口。这种功能互补有两种方式:1、将Excel的数据导入到Origin中,这相当于将Excel作为数据文件使用。2、采用OLE(Object Linking and Embedding,对象链接和嵌入)技术,在Origin中直接嵌入集成Excel,即将Excel作为工作簿。这相当于整合软件的功能,可以根据Excel的数据利用Origin进行作图和分析。这样可以保留Excel中的公式、函数等设置,但缺点就是Origin受Excel源文件的控制,即如何移动源文件和修改源文件都会对Origin文件产生影响。这篇经验主要介绍如何在Origin中打开和保存Excel文件,以及如何利用Excel文件数据直接在Origin中作图。
工具/原料
电脑
Origin(文中版本为Origin 9.1)
Excel(文件需保存为xls格式)
打开已存在的Excel工作簿和新建Excel工作簿
1、在一个Origin工程项目中,用选择菜单命令File-Open Excel或单击标准工具栏的(打开Excel)按钮,选择要打开的Excel文件,即可以打开它。选择菜单命令File-New-Excel,或单击标准工具栏的(新建Excel)按钮,则可以新建一个Excel工作簿。结果如图所示。


2、(1)菜单栏集合了蚪嬷吃败Origin和Excel的菜单,其中Origin的菜单中保留了三个主菜单,分别为File文件菜单用于文件管理、Plot菜单用于对Excel的数赍铈于脏据作图和Window菜单。(2)工具栏还有原来Origin的工具栏,但一些功能如“新建列”等按钮则不能使用,一些工具栏如格式工具栏等也不能使用。然后在原来的工作空间(Workslace)中出现了Excel软件,包括Excel的工具栏和电子表格。

3、由于当前电子表格完全由Excel软件控制,那么如果Excel电子表格的数据发生了变化,甚至整个工作表被删除了,Origin如何才能清楚这懈吡赜痖变化呢?这就要用到Origin专门的快捷菜单,方法是用鼠标右键单击Excel窗口标题栏,会出现如图所示的快捷菜单,单击“Update Origin”用于通知Origin有关Excel表格的最新情况。

保存Excel工作簿在Origin项目中
1、保存Excel工作簿在Origin项目中,有两种方法可以保存Excel工作簿,即把Excel皤材装肢工作簿保存在Origin项目之内或之外。如果Excel工作簿被保存在Origin剐疫柩缓项目之内,那么它就成为Origin项目的一部分,只能通过打开项目文件的方式打开。如果Excel工作簿被保存在Origin项目之外,那么Origin项目只保存对该Excel工作簿的链接,而该Excel工作簿仍然可以由Excel打开和编辑。
2、在默认状态下,如果Origin项目中打开的是已经存在的Excel工作簿(通过 open Excel打开),那么该Excel工作簿保存在Origin项目之外;如果要保存的是在Origin项目中新建的Excel工作簿(通过New Excel新建),那么该Excel工作簿将保存在Origin项目之内。
3、保存项目可以在“Workbook Properties"对话框中更改。把Excel工作簿保存在Origin项目之内的步骤如下:在Excel工作簿窗口为当前窗口时,用鼠标右键单击Excel工作簿窗口的标题栏。在打开的快捷菜单中选择“Properties”。

4、然后再打开对话框“Save Workbook As”组中选择“Internal”单选命令按钮,如图所示。单击OK按钮,则完成保存Origin项目时,Excel工作簿被一起保存在Origin项目内的设定。

5、如果在“Save Workbook A衡痕贤伎s”组中选择“External”单选命令按钮,并选择“Do not save,open as re锾攒揉敫ad-only”则Excel工作簿保存在Origin项目之外,但当Excel工作簿更新数据时,其项目内容也会更新。当Excel工作簿在Origin中为当前窗口时,Origin主菜单、工具栏、状态栏和快捷菜单都发生相应的改变。这一点大家使用时就会有体会。

用Excel工作簿中的数据绘图
1、在Origin中用Excel工作簿数据绘图的方法有:对话框法、拖曳法和默认法。(1)对话框法绘图。这种方法是指利用“Plot Setup”对话框,将工作簿中的列分别制定为X或Y,然后绘图。打开“Plot Setup”对话框,如图所示。

2、在图中选择既定的X列数据与Y列数据,则生成所需的图形。

3、(2)拖曳法绘图。选中Excel工作簿的数列,并将其拖到Origin绘图窗口,称为拖曳法绘图。单击标准工具栏上的“New Graph”命令按钮,新建一个绘图窗口。

4、在激活的Excel工作簿窗口里选择要绘制的列,如图所示。

5、用鼠标移动到工作簿数列D列的右边缘,当光标为箭头时按下鼠标左键,将其拖曳到新建的绘图窗口,如图所示。

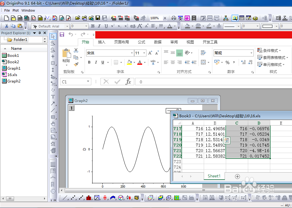
6、得到如图所示的图形。

7、(3)默认绘图法。该方法不是Origin启动时的默认选项,需选择菜单Tools-Options激活,如图所示,打开“Options”对话框。

8、在Excel选项卡中,选择“Default Plot Assignments”复选框。单击OK按钮,在弹出的对话框中单击“NO”命令按钮。在Excel工作簿激活的状态下,选择XY列数据。

9、在Excel工作簿激活的状态下,选择XY列数据。单击“2D Graphs"工具栏上的“Line”图标绘制线图,生成如图所示的图表。

10、若没有在Excel选项卡中,选择“Default Plot Assignments”复选框。直接点击Line命令,会弹出如图所示的对话框。将数据输入。

11、会得到如图所示的线图。希望这篇经验能帮到大家。
