自在经验网
首页
美食营养
生活百科
知识问答
生活知识
返回
自在经验网
首页
美食营养
游戏数码
手工爱好
生活知识
生活百科
健康养生
运动户外
职场理财
情感交际
母婴教育
时尚美容
知识问答
更多知识
搜索
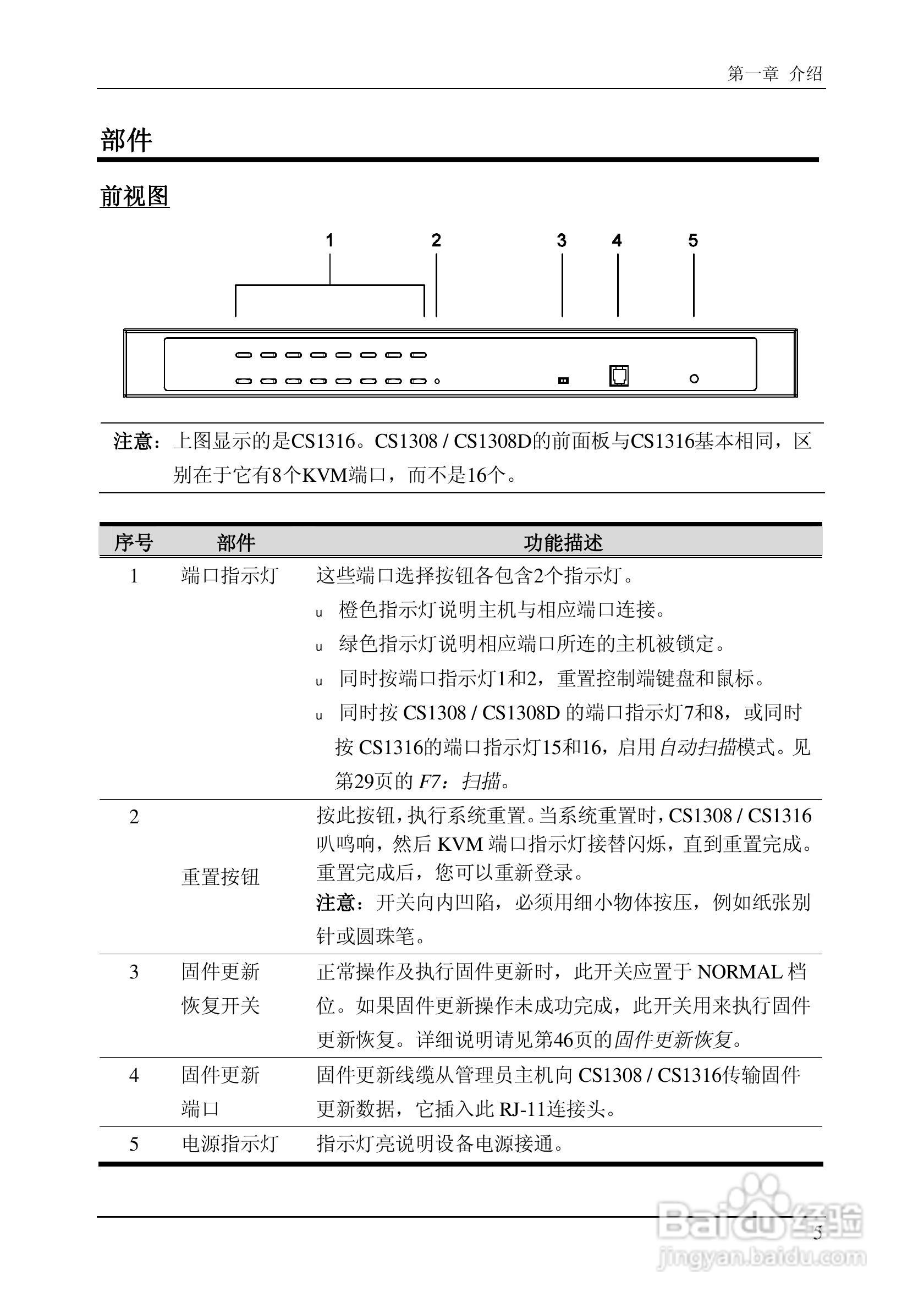
CS1308/CS1316 KVM切换器用户手册:[2]
2026-02-15 12:06:42
本篇为《CS1308/CS1316 KVM切换器用户手册》,主要介绍该产品的使用方法以及常见故障解决方案。
(共篇)
上一篇:
|
下一篇:
相关推荐
aten CS-228 KVM切换器用户手册:[1]
阅读量:68
aten CS-228 KVM切换器用户手册:[3]
阅读量:46
aten CS-228 KVM切换器用户手册:[2]
阅读量:193
aten CS-228 KVM切换器用户手册:[4]
阅读量:171
CS1308 8端口PS/2 - USB KVM多电脑切换器
阅读量:81
猜你喜欢
单位请假条怎么写
旅游攻略怎么写
怎么改ip
写小说怎么赚钱
yy怎么直播
夯实怎么读
怎么用纸折花
怎么给狗狗剪指甲
肌肉萎缩怎么办
拉屎拉出血怎么回事无疼痛鲜红色
猜你喜欢
傍怎么组词
狗狗吐黄水怎么回事
可行性分析怎么写
婴儿贫血怎么办
怎么写好小说
梅花手表怎么样
word水印怎么去掉
微信账号怎么改
孕妇羊水多怎么办
视频怎么下载