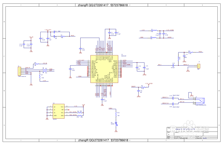
SSS1629|中文设计方案|USB音频解码方案
SSS1629是3S高度集成的单芯片USB音频控制器芯片,振荡器节省外部晶振在耳机中的应用。SSS1629功能立体声16位ADC,16位DAC的音响,耳机驱动,五波段硬件均蒗男鹉区衡器,音频锁相环时钟振荡器,USB,USB控制器和PHY FS。外部EEPROM 24C02-24C16连接提供了对USB VID/PID /产品线的灵活性,默认增益设置,和其他定制需求。
SSS1629提供USB音频解决方案具有最小的BOM的解决方案。
2. SSS1629A5产品特点(SSS1629部分主要特点)
SSS1629符合USB规范v2.0
SSS1629符合USB音频设备类规范V1.1
SSS1629内置晶振无需外部晶振
嵌入式5V到3.3V和1.8V输出调节器从单一的外部5V的USB总线供电
嵌入式16位ADC和DA
支持采样率为8kHz,11.025kHz,12、16KHz,22.05kHz,24kHz,32kHz,
44.1kHz和48kHz(默认)。
嵌入式I2S(主模式)/数模/模数转换器SPDIF接口
嵌入式旋转编码器接口的音量控制
可变增益调节耳机放大器
内置有五个带段设置在播放频道的声音均衡器
音量,音量下降,播放静音,录音静音,下一曲,上一曲,停止,播放/暂停和EQ的用户控制
音量,音量下降,播放静音,下一曲,上一曲,停止和播放/暂停是专为微软多媒体
嵌入式呼吸灯模式和音频梯度模式
与外部24bit解码I2C接口的初始设定(如WM8988)
USB VID/PID,产品制造商字符串,字符串支持EEPROM的编程接口,记录AGC功能,健全的EQ,Lync的描述,多功能按键,3D效果,进/出接口,SPDIF的I2S进/出接口、LED闪光灯、红外遥控(NEC IR)等。
可选的外部EEPROM寄存器访问单片机(I2C接口)或USB HID接口
提供从主机端应用程序的EEPROM的代码生成器和燃烧器
功能选择嵌入式8x8的保险丝
为个性化需求提供支持服务
Win XP/Vista/7/8/8.1/10和Mac system系统的USB音频驱动程序兼容
1.8 V电源的数字核心,POR和音频锁相环操作
3.3 V电源为IO,振荡器,锁相环,USB,ADC / DAC操作
高度集成,48引脚LQFP,或64 LQFP封装.