自在经验网
首页
美食营养
生活百科
知识问答
生活知识
返回
自在经验网
首页
美食营养
游戏数码
手工爱好
生活知识
生活百科
健康养生
运动户外
职场理财
情感交际
母婴教育
时尚美容
知识问答
更多知识
搜索
通视数据数据广播转发器TS3110使用说明书:[3]
2026-02-14 15:52:50
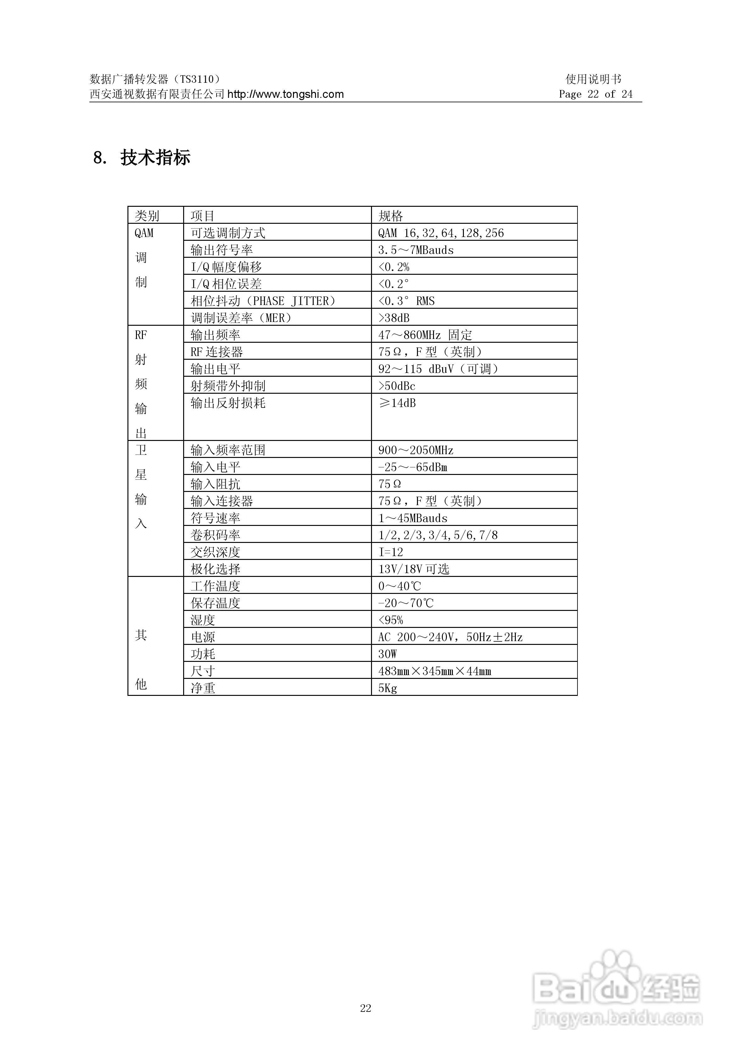
本篇为《通视数据数据广播转发器TS3110使用说明书》,主要介绍该产品的使用方法以及常见故障解决方案。
(共篇)
上一篇:
相关推荐
Windows图片查看器不能预览及打印解决办法
阅读量:79
中国棋牌网访问异常的解决办法
阅读量:134
更换爱普生打印机驱动详细步骤
阅读量:138
外来户遇拆迁怎么补偿
阅读量:175
2.4G芯片如何调试?
阅读量:64
猜你喜欢
镰鼬哪里多
路由器上不了网
怎么变瓜子脸
声卡怎么设置
肉苁蓉泡水喝的功效
网上怎么转账
电信路由器
广西龙脊梯田旅游攻略
淘宝积分在哪里看
如何将u盘格式化
猜你喜欢
买车交税怎么算
错误691怎么解决
乐途旅游
金针菜怎么吃
变速齿轮怎么用
黄果树瀑布旅游攻略
郭亮村在哪里
高速违章怎么处理
如何销售
怎么传真文件