自在经验网
首页
美食营养
游戏数码
手工爱好
生活家居
返回
自在经验网
首页
美食营养
游戏数码
手工爱好
生活家居
健康养生
运动户外
职场理财
情感交际
母婴教育
时尚美容
搜索
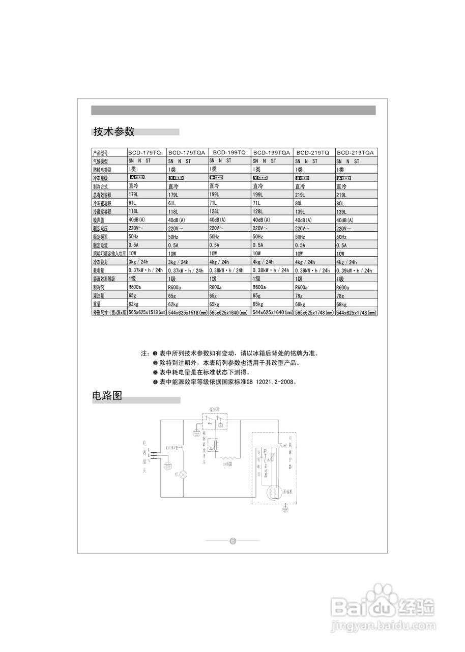
康佳BCD-179TQ冰箱使用说明书
2024-10-23 13:59:20
相关推荐
容声冰箱BCD-179S/ET型使用说明书
容声冰箱BCD-179S/EA型使用说明书
海信冰箱BCD-179GU/X1型使用说明书
容声冰箱BCD-179S/V型使用说明书
容声冰箱BCD-179S/LX1型使用说明书
猜你喜欢
尴尬的意思是什么
18万左右买什么车好
游刃有余是什么意思
欲罢不能什么意思
尿潜血是什么原因
数见不鲜什么意思
联考是什么
小卡是什么
苹果有什么营养
ordinary是什么意思
猜你喜欢
tooth是什么意思
摆地摊卖什么利润大
睡前运动
什么是供给侧
什么动画片好看
hdmi是什么
lof基金是什么意思
三维彩超什么时候做
凝视是什么意思
notice是什么意思