3.7V转3V,5V转3V降压芯片和3A电流LDO
3.7V大家都知道是锂电池多,确实是3.7V锂电池的话,锂电池的充满电和放电后的电压变化是在:3V-4.2V之间,带保护板的锂电池。3V输入转3V的话,降压芯片的占空比都是95%以上,输出电压能在2.8V左右。一般都可以接受就不用到升降压芯片PW2228A了.3.7V转3V,5V转3V的电路和芯片解决方案有2种:1,降压芯片,2,LDO芯片。
DC-DC降压电路
1、7V的话可以跟5V输入基本上都是同款电路了,5V输入分2种情况,1是稳定的5V电源,适合的芯片也有很多了。PW2051/2/3/8/7 内置功率 MOSFET, 集成了过压、过流、过热、短路等诸多保护电路,在超过控制值时会自动断开,以保护芯片。产品结合了微型封装和低消耗电流等特点,最适合在移动设备的电源内部使用。PW2057是不同的PIN脚,脚位,PW2058/1/2/3都是相同的PCB布局和电路。


2、还有就是不稳定的5V电源,有时电压会高于5V,或者经常拔插尖峰电压高于6V等。就需要更高输入的降压芯片来完成工作。可以选择PW2162,PW2312,PW2205等,虽然输入电压是宽些,但是这个不是重点,注意是看输出电流来选择合适的芯片了。如PW2162这款看起来合适了

LDO电路,极简外围
1、LDO由于是线性降压,所以外围少,静态功耗低,但是就是工作功耗高,效率不高,这点也是常识了。LDO输入稳定的5V的话,就是PW6566了,输出固定3V,外围就是2个电容,SOT23-3三极管封装。

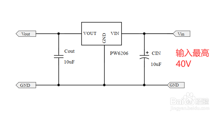
2、其他都是更高输入电压范围,用来做5V也是可以的。LDO产品 输入电压 输出电压 输出电流 静态功耗 封散艉九慊装PW6566 1.8V~5.5V 1.2V~5V多 250mA 2uA SOT23-3PW6218 4V~18V 3V,3.3V,5V 100MA 3uA Sot23-3PW6206 4.5V~40V 3V,3.3V,5V 150MA 4.2uA Sot23/89PW8600 4.5V~80V 3V,3.3V,5V 150MA 2 uA Sot23-3
