自在经验网
首页
美食营养
生活百科
知识问答
生活知识
返回
自在经验网
首页
美食营养
游戏数码
手工爱好
生活知识
生活百科
健康养生
运动户外
职场理财
情感交际
母婴教育
时尚美容
知识问答
更多知识
搜索
凯利 KDHD高功率系列电机控制器用户手册:[1]
2026-04-23 20:15:48
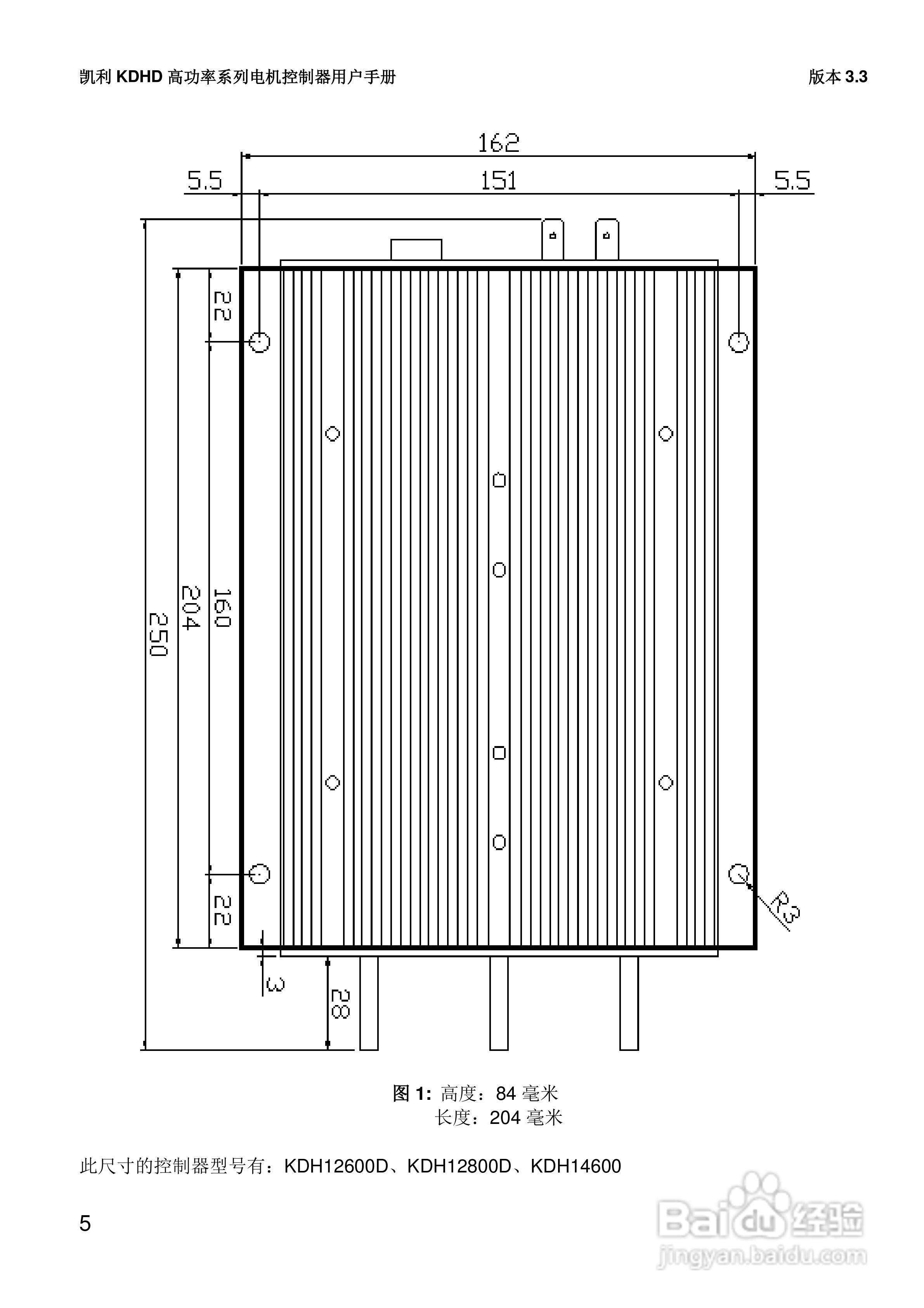
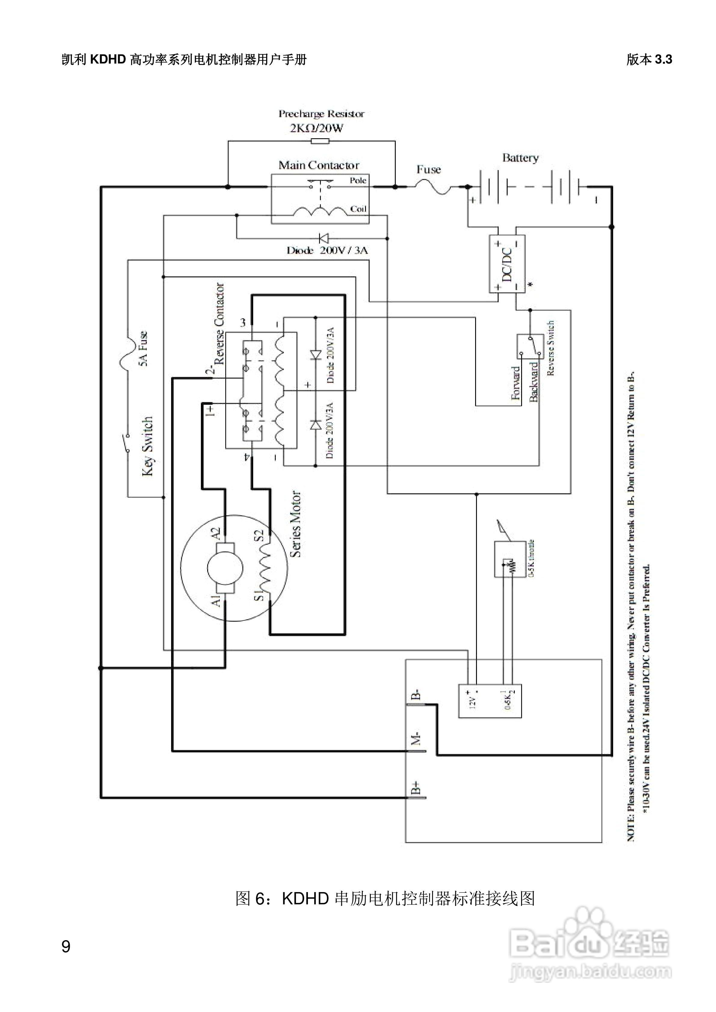
本篇为《凯利 KDHD高功率系列电机控制器用户手册》,主要介绍该产品的使用方法以及常见故障解决方案。
(共篇)
相关推荐
苹果手机如何删除Siri捷径口令?
阅读量:179
苹果手机如何查看步行稳定性
阅读量:137
Aqara空调伴侣的正确打开方式
阅读量:42
百度地图一键导航捷径制作详细教程
阅读量:137
软路由ros(MIKROTIK)安装教程:[2]ROS配置
阅读量:55
猜你喜欢
六书指的是什么
1900年中国发生了什么
平行志愿什么意思
魁拔4什么时候上映
pmma是什么材料
什么是非物质文化遗产
鳞状细胞癌抗原是什么意思
什么意思英文
休克是什么意思
7月17日是什么星座
猜你喜欢
switch什么意思
11185是什么电话
纵队是什么级别
修罗是什么意思
fever是什么意思
胸被对象吃是什么感觉
bt什么意思
可转债是什么意思
什么是石女图片
什么是创新