自在经验网
首页
美食营养
生活百科
知识问答
生活知识
返回
自在经验网
首页
美食营养
游戏数码
手工爱好
生活知识
生活百科
健康养生
运动户外
职场理财
情感交际
母婴教育
时尚美容
知识问答
更多知识
搜索
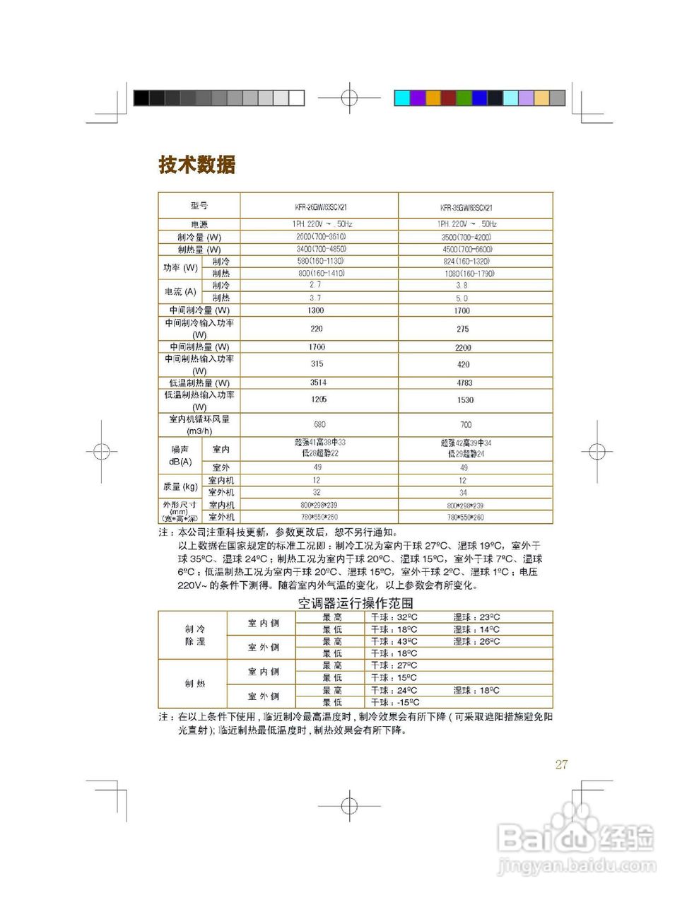
海尔KFR-26GW/63SCX21家用变频空调说明书:[3]
2026-02-16 11:08:01
/>
/>
(共篇)
上一篇:
相关推荐
数字人民币app数字钱包怎么注销
阅读量:46
汽车空调结冰解决方法
阅读量:107
零线电流过大该如何选择三次谐波滤波器?
阅读量:46
父母带孙子攻略
阅读量:174
美的空调室内机滴水解决方法#校园分享#
阅读量:34
猜你喜欢
沮丧的意思
懈怠的意思
角磨机什么牌子好
现在什么手机比较好
期货是什么意思
ram是什么意思
络绎不绝是什么意思
电推剪什么牌子好
time是什么意思
beat是什么意思
猜你喜欢
金无足赤人无完人的意思
引擎是什么意思
女人渴望收到什么礼物
健康证要检查什么项目
牛蒡的作用
不动声色的意思
光明磊落的意思
点火线圈的作用
drink是什么意思
笨拙的意思