自在经验网
首页
美食营养
生活百科
知识问答
生活知识
返回
自在经验网
首页
美食营养
游戏数码
手工爱好
生活知识
生活百科
健康养生
运动户外
职场理财
情感交际
母婴教育
时尚美容
知识问答
更多知识
搜索
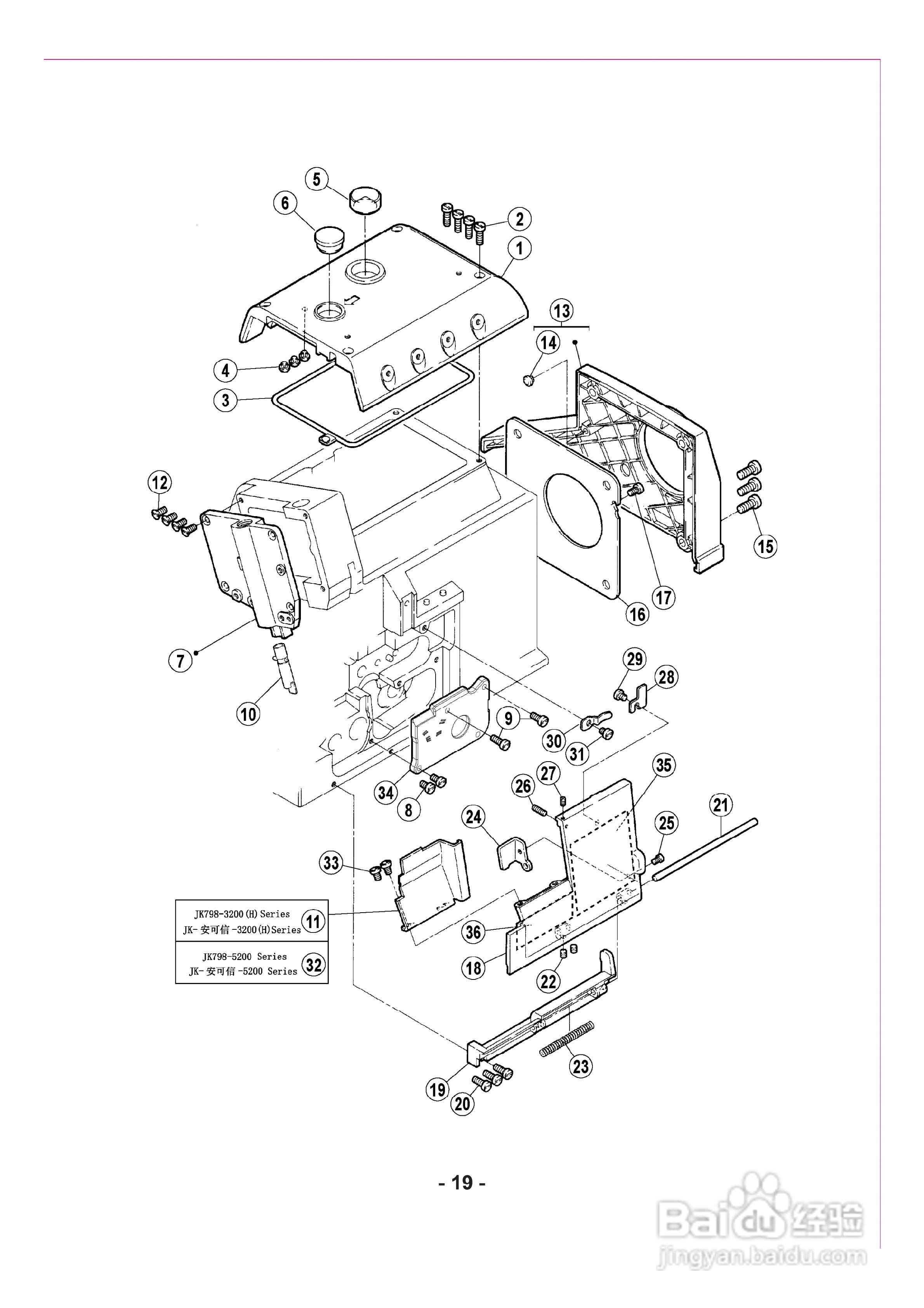
JK-798型超高速包缝机使用说明书:[3]
2026-02-15 04:29:31
本篇为《JK-798型超高速包缝机使用说明书》,主要介绍该产品的使用方法以及常见故障解决方案。
(共篇)
下一篇:
相关推荐
棣棠的养殖方法有哪些?
阅读量:164
土鸡炖粉条的做法
阅读量:43
NS+901线路保护测控装置说明书:[6]
阅读量:189
梦幻保卫战攻略
阅读量:123
不加一滴油的炒黄豆怎么做
阅读量:180
猜你喜欢
今天有什么电影上映
韩国什么面膜好用
另辟蹊径的意思
天上火命是什么意思
校庆祝福语
扶疏的意思
电视音响什么牌子好
接地气是什么意思
缅怀是什么意思
学而不思则罔 思而不学则殆的意思
猜你喜欢
画pcb板用什么软件
手机收藏夹在什么位置
鞭长莫及是什么意思
现在什么手机最流行
branch是什么意思
什么动物天天熬夜?
结婚祝福词
短信祝福
什么是命令提示符
轩辕传奇什么职业厉害