自在经验网
首页
美食营养
生活百科
知识问答
生活知识
返回
自在经验网
首页
美食营养
游戏数码
手工爱好
生活知识
生活百科
健康养生
运动户外
职场理财
情感交际
母婴教育
时尚美容
知识问答
更多知识
搜索
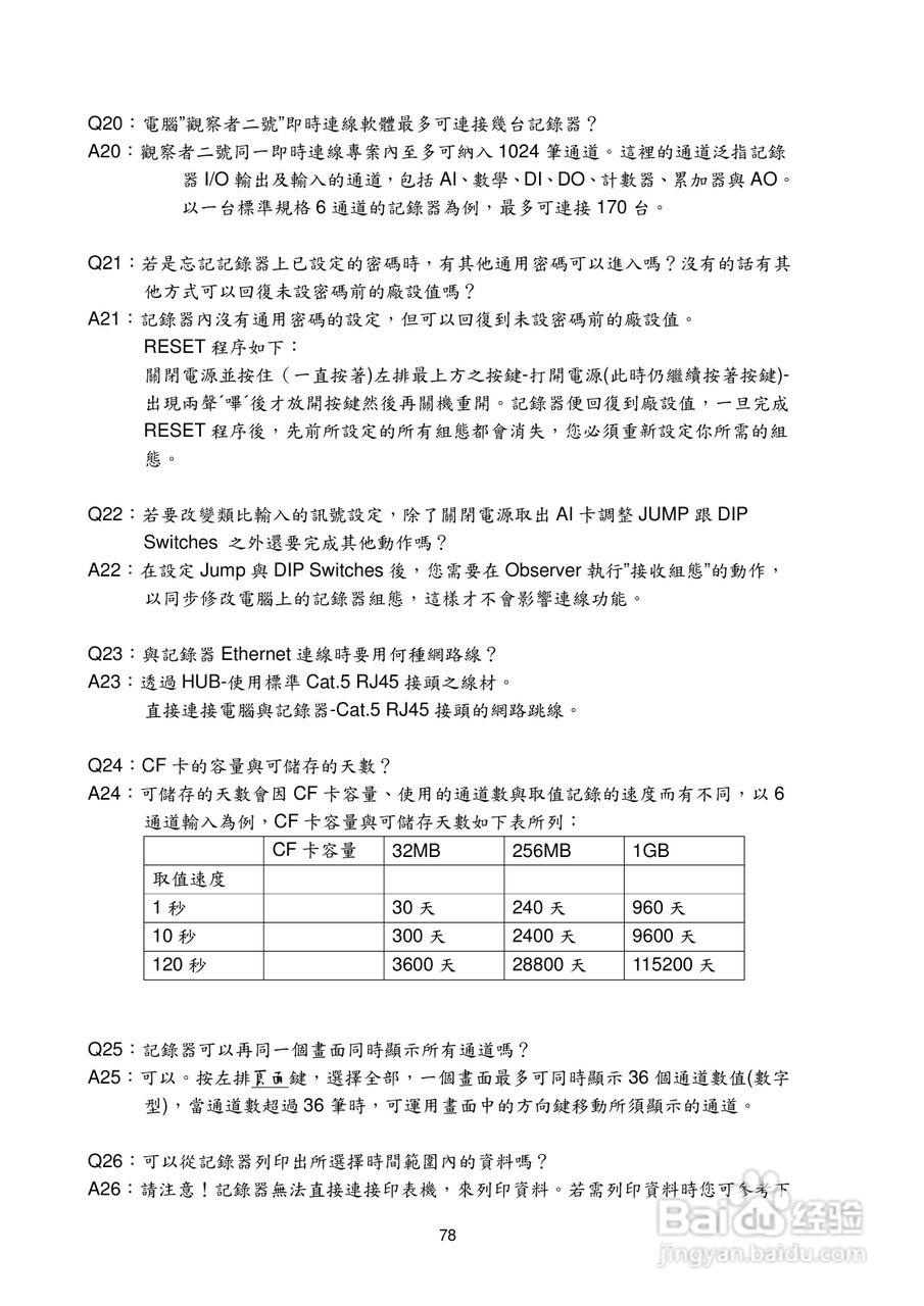
志禾工业AR18记录器操作手册:[8]
2026-04-02 02:50:26
本篇为《志禾工业AR18记录器操作手册》,主要介绍该产品的使用方法以及常见故障解决方案。
(共篇)
上一篇:
相关推荐
志禾工业AR18记录器操作手册:[7]
阅读量:130
CDR18无纸记录器操作手册:[8]
阅读量:77
志禾工业R3000记录器操作手:[6]
阅读量:167
志禾工业R3000记录器操作手:[5]
阅读量:135
志禾工业R3000记录器操作手:[3]
阅读量:72
猜你喜欢
隐形门的做法
山竹怎么剥
为什么网站打不开
心情压抑怎么办
洋葱怎么切
被蚊子咬了怎么止痒消肿
离婚协议怎么写
word怎么删除空白页
我的世界书架怎么做
怎么戒烟
猜你喜欢
海带丝的做法大全
馅饼的家常做法
拉肚子怎么办最快的方法
葡式蛋挞液的做法
榴莲酥的做法视频
rank函数怎么用
卉怎么读
象棋怎么玩
日本拉面的做法
夯怎么读