自在经验网
首页
美食营养
生活百科
知识问答
生活知识
返回
自在经验网
首页
美食营养
游戏数码
手工爱好
生活知识
生活百科
健康养生
运动户外
职场理财
情感交际
母婴教育
时尚美容
知识问答
更多知识
搜索
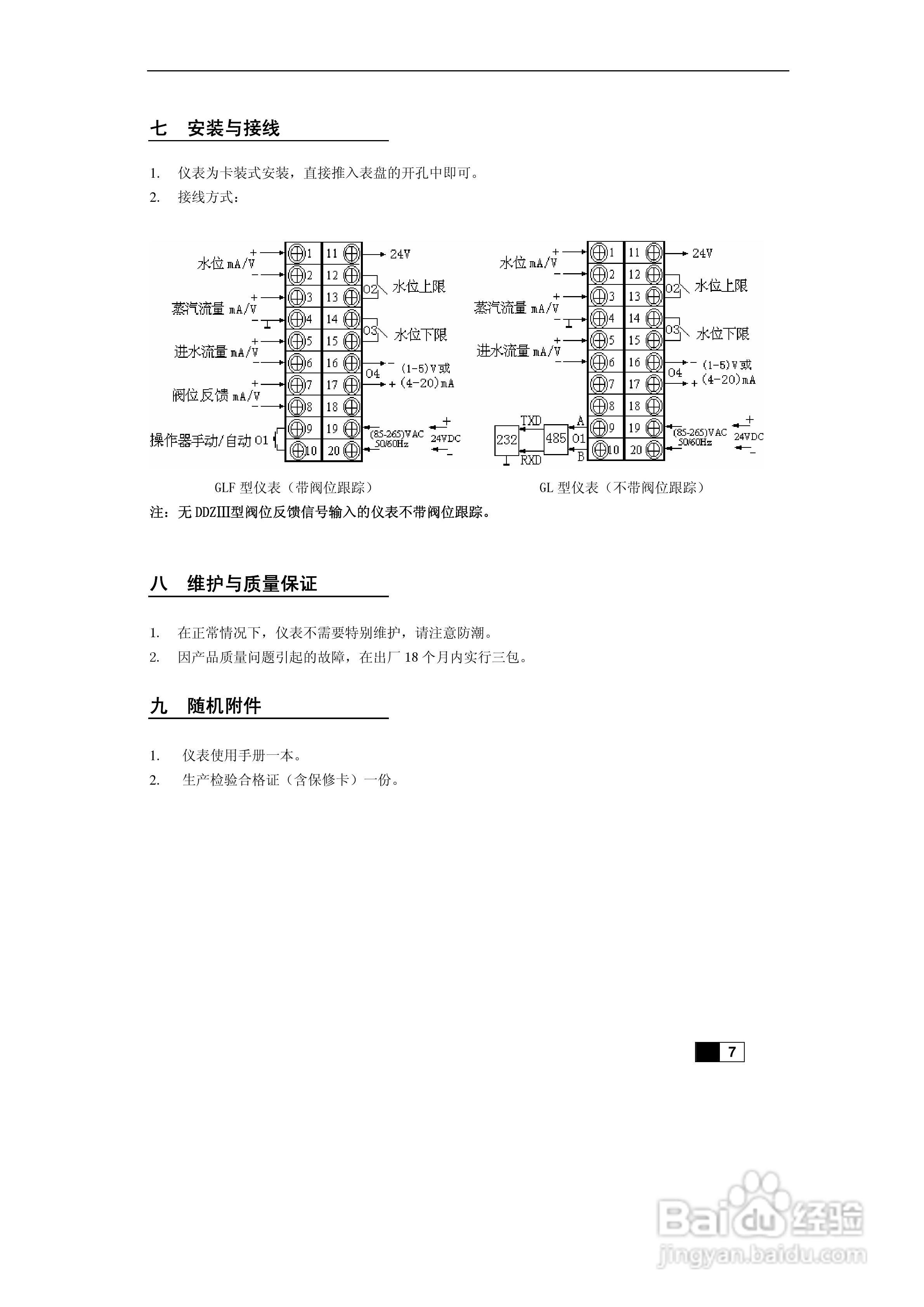
东辉DY2000-(GLF)锅炉水位三冲量调节器说明书
2026-04-24 17:48:21
相关推荐
天帝神域1.0正式版攻略 前期开局怎么玩
阅读量:46
家常土豆丝蒸蛋
阅读量:169
混沌起源手游精灵怎么进阶?
阅读量:134
绵羊破伤风的防治
阅读量:66
6招帮你快速提升免疫力,少感冒
阅读量:23
猜你喜欢
内酯豆腐的家常做法
中南民族大学怎么样
包子馅怎么做好吃
怎么选红酒
西米的做法大全
央视网视频怎么下载
入库单怎么填写
世界名犬图片大全
亲戚借钱不还怎么办
起亚车怎么样
猜你喜欢
濑尿虾怎么剥
怎么取消快捷支付
怎么给照片换底色
鱼香肉丝怎么做好吃
论文题目大全
同事用英语怎么说
去痣的方法
减肚子最有效的方法
四川家常菜
猪大肠怎么做好吃