自在经验网
首页
美食营养
生活百科
知识问答
生活知识
返回
自在经验网
首页
美食营养
游戏数码
手工爱好
生活知识
生活百科
健康养生
运动户外
职场理财
情感交际
母婴教育
时尚美容
知识问答
更多知识
搜索
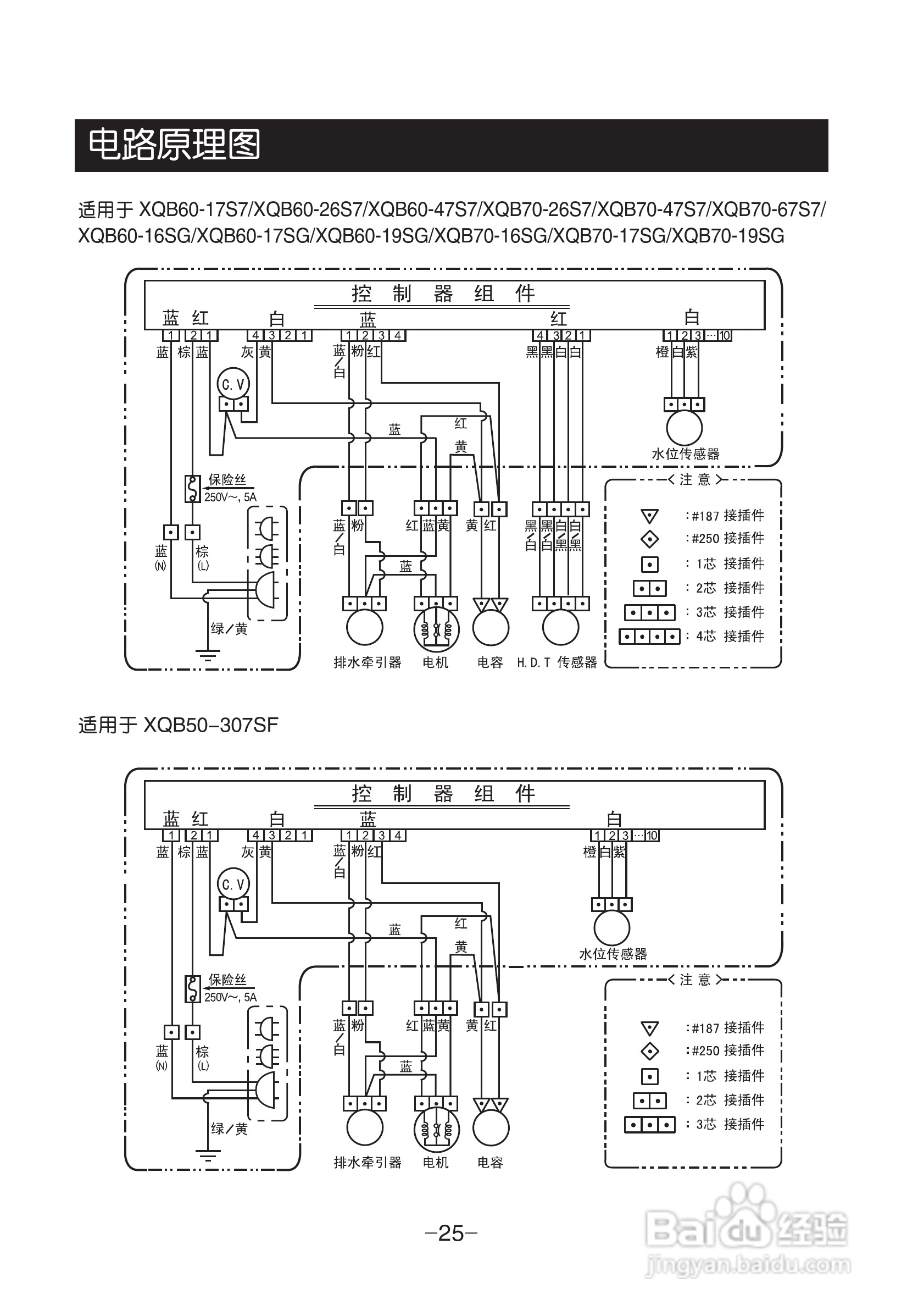
LG XQB50-307SF洗衣机使用说明书:[3]
2026-02-15 02:14:29
(共篇)
上一篇:
相关推荐
LG XQB50-307SF洗衣机使用说明书:[2]
阅读量:96
LG XQB50-12SF洗衣机使用说明书:[3]
阅读量:74
LG XQB50-138SF洗衣机使用说明书:[2]
阅读量:49
LG XQB50-158SF洗衣机使用说明书:[1]
阅读量:54
洗衣机洗涤剂盒怎么用
阅读量:57
猜你喜欢
读后感怎么写和示范
参茸鞭丸效果怎么样
头七怎么算
电是怎么产生的
缕怎么读
电脑软键盘怎么打开
海螺怎么吃
我的世界马怎么繁殖
电脑连不上网怎么回事
嗓子有异物感是怎么回事
猜你喜欢
李字怎么写好看
地毯用英语怎么说
茉莉花怎么养
沙冰怎么做
蕻怎么读
平均速度怎么求
手机黑名单怎么解除
舌头发黑是怎么回事
血压计怎么用
羊排怎么炖好吃