自在经验网
首页
美食营养
游戏数码
知识问答
生活知识
返回
自在经验网
首页
美食营养
游戏数码
手工爱好
生活知识
健康养生
运动户外
职场理财
情感交际
母婴教育
时尚美容
知识问答
搜索
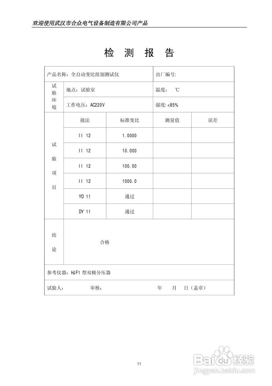
合众HZZB-II型全自动变比组别自动测试仪说明书
2026-02-13 12:15:07
相关推荐
DCBC-S全自动变比组别测试仪 使用说明书
阅读量:163
全自动变压器变比组别测试仪
阅读量:191
木森电气MS-100B全自动变比组别测试仪说明书
阅读量:106
南瑞电气NRBZ-II 全自动变比组别测试仪说明书
阅读量:67
DTZB-V型变压器变比组别测试仪说明书
阅读量:21
猜你喜欢
腌辣椒最好吃的做法
中巴友谊为什么这么好
邓禄普轮胎怎么样
肠镜怎么做
胃痛怎么办
怎么注销qq空间
刹怎么读
花儿乐队为什么解散
为什么会口臭
斗鸡眼怎么矫正
猜你喜欢
手机为什么连不上wifi
内分泌失调怎么调理
为什么暑假比寒假长
任正非次女为什么姓姚
炸薯条怎么做
stories怎么读
苹果手机怎么下载微信
我为什么没有男女朋友
wifi连接上不能上网怎么办
牛肉丸的做法大全