自在经验网
首页
美食营养
生活百科
知识问答
生活知识
返回
自在经验网
首页
美食营养
游戏数码
手工爱好
生活知识
生活百科
健康养生
运动户外
职场理财
情感交际
母婴教育
时尚美容
知识问答
更多知识
搜索
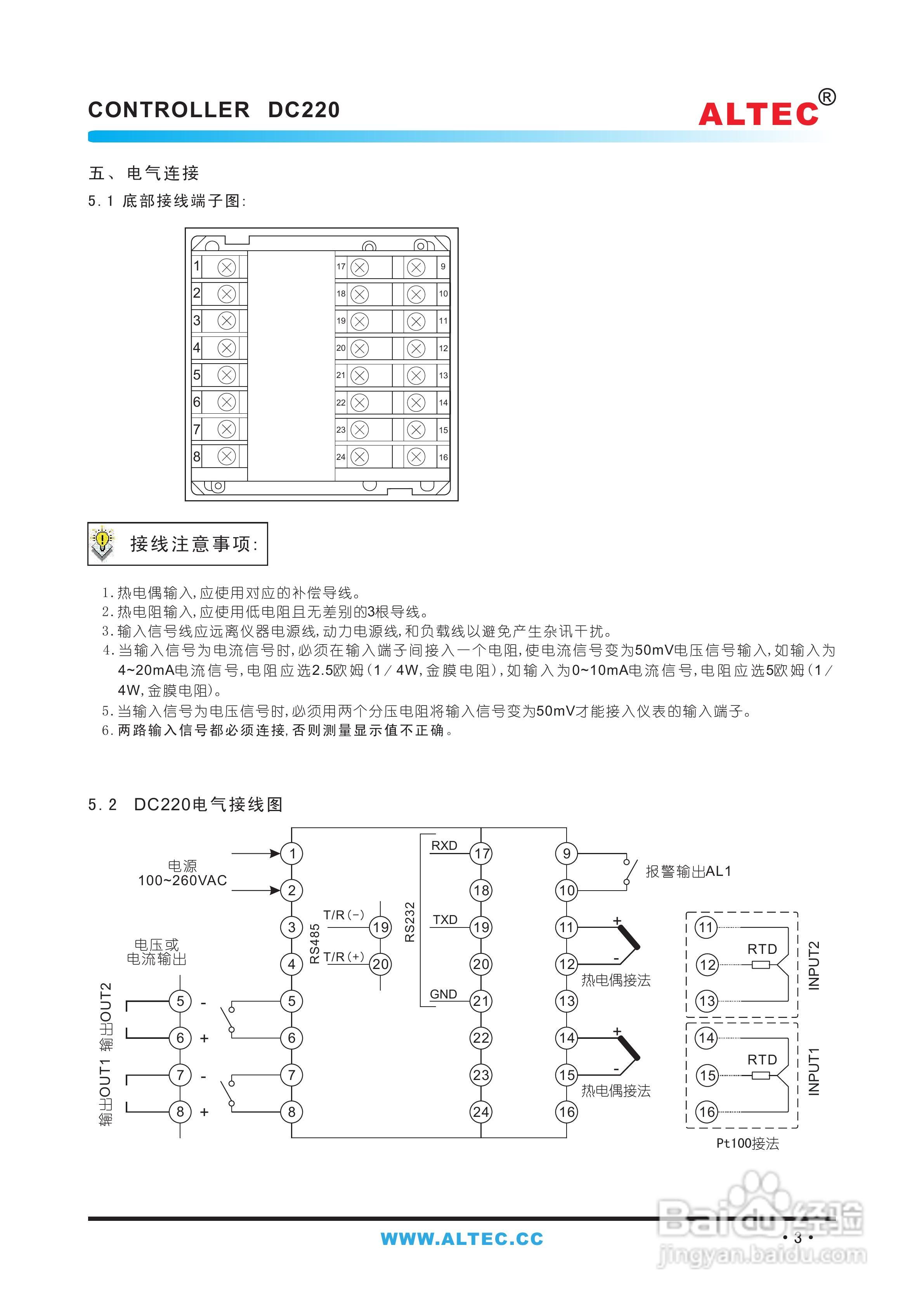
亚特克DC220温差控制器使用说明书:[1]
2026-02-18 15:35:19
本篇为《亚特克DC220温差控制器使用说明书》,主要介绍该产品的使用方法以及常见故障解决方案。
(共篇)
相关推荐
佳能DC220数码摄相机使用说明书:[12]
阅读量:107
佳能DC220数码摄相机使用说明书:[10]
阅读量:186
佳能DC220数码摄相机使用说明书:[9]
阅读量:99
佳能DC220数码摄相机使用说明书:[11]
阅读量:184
控制器暂停功能的实现步骤
阅读量:97
猜你喜欢
我的世界mod怎么用
云南游攻略
逆转裁判攻略
cad注册机怎么用
宜信公司怎么样
减肥吃什么药
世界之窗游玩攻略
惠州旅游攻略
光盘读不出来怎么办
浙江安吉旅游攻略
猜你喜欢
使命召唤11攻略
绿瘦减肥产品怎么样
帕达索皮鞋怎么样
苹果mac地址怎么查
英雄事迹简介
薄荷减肥
数字水表怎么看
怎么解除qq情侣空间
猫里奥攻略
手机怎么赚钱快