自在经验网
首页
美食营养
生活百科
知识问答
生活知识
返回
自在经验网
首页
美食营养
游戏数码
手工爱好
生活知识
生活百科
健康养生
运动户外
职场理财
情感交际
母婴教育
时尚美容
知识问答
更多知识
搜索
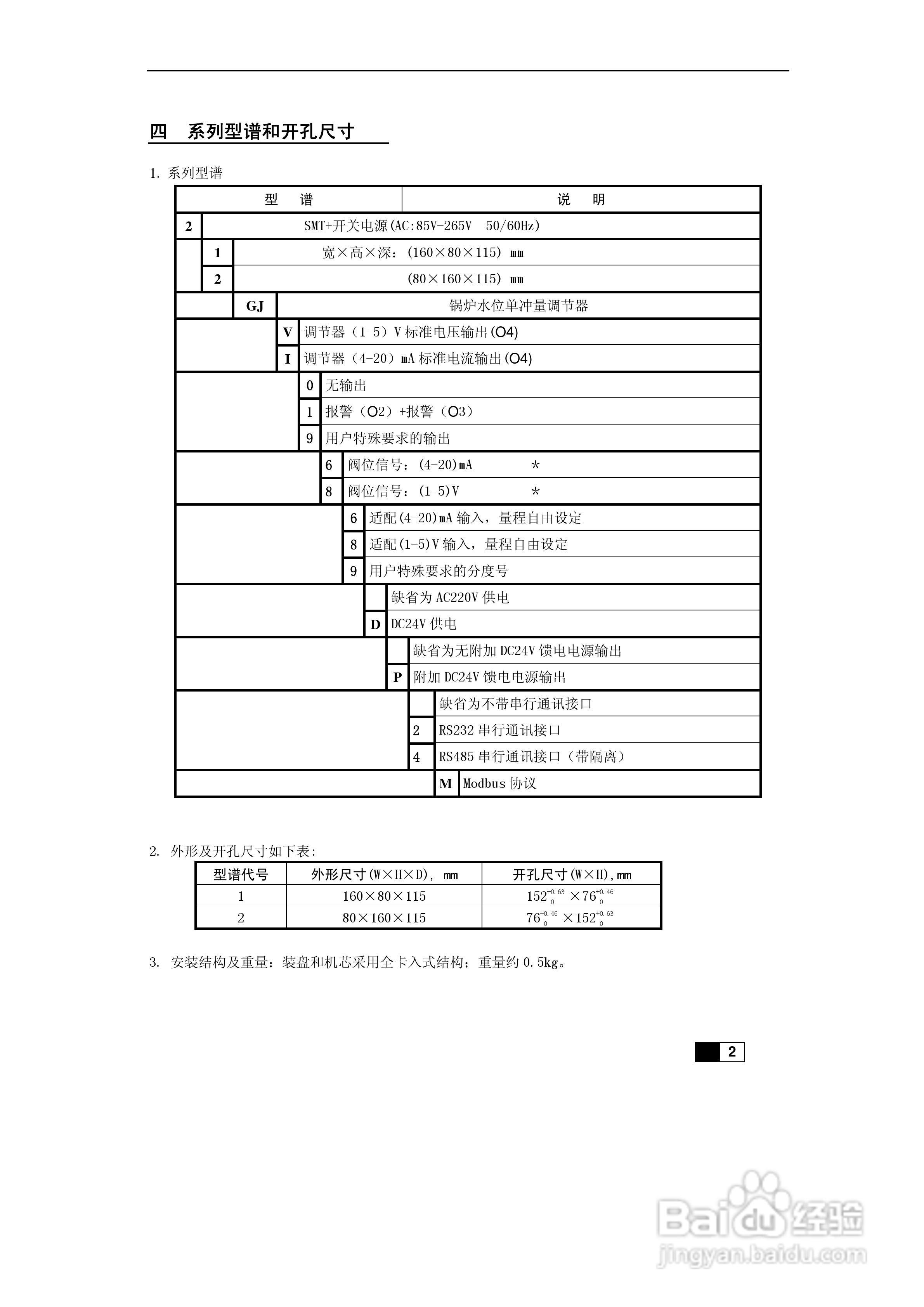
东辉DY2000-(GJ)锅炉水位单冲量PID调节器说明书
2026-04-26 15:00:19
相关推荐
东辉DY2000-(AQ)带前馈PID调节器说明书
阅读量:159
东辉DY2000-(F)位置比例PID调节器说明书
阅读量:89
东辉DY-(AF)带阀位跟踪PID调节器说明书
阅读量:26
东辉DY-(A)自整定PID调节仪表说明书
阅读量:95
东辉DY-(CA)分时段PID调节仪表说明书
阅读量:178
猜你喜欢
牛排的做法
猪肚包鸡的做法
可乐鸡翅的做法
酱鸡爪的做法
口腔溃疡怎么治才好
绿豆饼的做法
鱼片的做法
甲鱼的做法
鱿鱼卷的做法
分付微信怎么开通
猜你喜欢
山药豆的吃法与做法
煎茄子的家常做法
家庭红烧肉的简单做法
酱肉的做法
韩束护肤品怎么样
痘印怎么去除
带鱼怎么做
罗氏虾的做法
小米手机怎么截屏
八宝饭做法