自在经验网
首页
美食营养
生活百科
知识问答
生活知识
返回
自在经验网
首页
美食营养
游戏数码
手工爱好
生活知识
生活百科
健康养生
运动户外
职场理财
情感交际
母婴教育
时尚美容
知识问答
更多知识
搜索
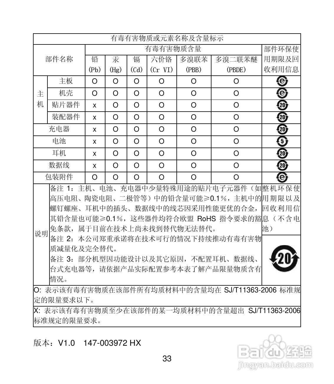
联想Lenovo A210手机使用说明书:[4]
2026-04-01 18:34:23
(共篇)
上一篇:
相关推荐
联想Lenovo i320手机使用说明书:[4]
阅读量:110
联想Lenovo P680手机使用说明书:[4]
阅读量:124
联想Lenovo P636手机使用说明书:[4]
阅读量:161
联想Lenovo i327手机使用说明书:[4]
阅读量:56
使用说明书封面怎么做
阅读量:89
猜你喜欢
理论大全免费观看
祝福词语大全
一台电脑怎么赚钱
淘宝怎么上传视频
怎么画人物素描
酿豆腐怎么做
孩子个子矮小怎么办
泰山图片大全
儒林外史简介
神奇宝贝图鉴大全
猜你喜欢
字谜大全
糖醋蒜怎么腌制最好吃
奥拓怎么样
肖复兴简介
社保电脑号怎么查
永诚保险怎么样
迷你激活码大全未使用
袁隆平简介
早晨问候语大全
句子大全