自在经验网
首页
美食营养
生活百科
知识问答
生活知识
返回
自在经验网
首页
美食营养
游戏数码
手工爱好
生活知识
生活百科
健康养生
运动户外
职场理财
情感交际
母婴教育
时尚美容
知识问答
更多知识
搜索
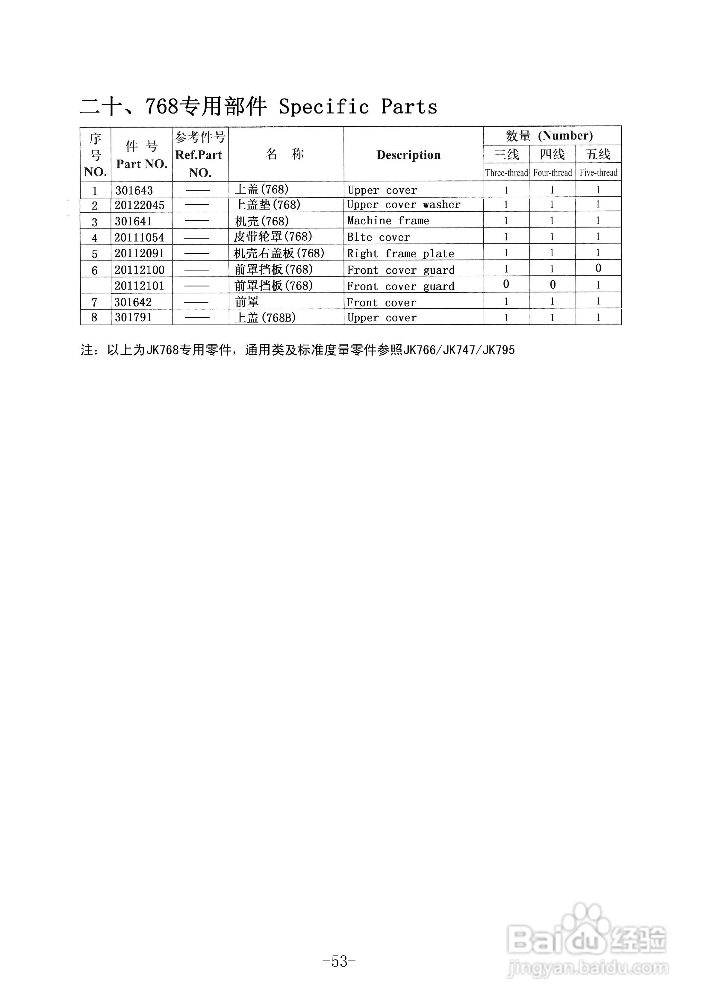
JK-795 768型高速包缝机使用说明:[6]
2026-02-15 15:13:00
本篇为《JK-795 768型高速包缝机使用说明》,主要介绍该产品的使用方法以及常见故障解决方案。
(共篇)
上一篇:
相关推荐
控制高血压的食品有哪些
阅读量:121
高中生如何去美国留学
阅读量:69
龙岩到九鹏溪旅游攻略
阅读量:169
怎样办理商标注册?商标注册流程是怎样的?
阅读量:96
三峡景区旅游攻略
阅读量:132
猜你喜欢
周杰伦简介
鼻子歪怎么办
俄罗斯简介
长安福特翼虎怎么样
青木川旅游攻略
减肥药危害
红烧小黄鱼
相宜本草怎么样
zoey怎么读
眉形与脸型的搭配
猜你喜欢
小学学校简介
蜂蜜水减肥法
新疆旅游攻略
双星物语攻略
女装搭配技巧
红烧日本豆腐
冰点脱毛怎么样
散热器怎么用
婆媳关系不好怎么办
怎么样去除黑眼圈